ZHCSCK8H May 2014 – April 2025 LP8860-Q1
PRODUCTION DATA
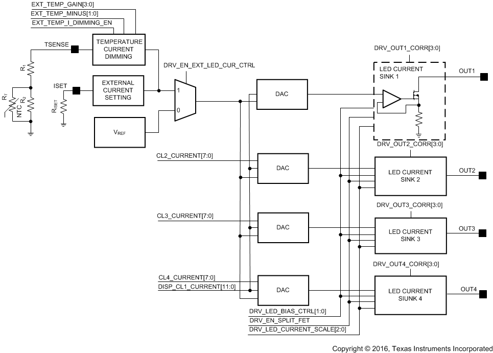
Figure 6-11 LED Current SettingThe output LED current can be set by a register. Maximum output LED current can be set by an external resistor when that option is enabled. For strings in cluster mode current for every LED output can be set independently. For more details regarding electrical overstress analysis options, see TI Application Note LP8860-Q1 Electrical Overstress Analysis and Recommendation (SNVA843).
The maximum current for the LED outputs in display mode are controlled with <DISP_CL1_CURRENT [11:0]> bits. Current for the outputs in the cluster mode are controlled separately by the register bits <DISP_CL1_CURRENT[11:0]>, <CL2_CURRENT[7:0]>, <CL3_CURRENT[7:0]>, and <CL4_CURRENT[7:0]> respectively. In the display mode resolution for current control is 12 bits. In the cluster mode resolution is 8 bits for all outputs except OUT1. For OUT1 maximum current resolution is always 12 bits.
Additionally, current for every output current can be scaled with <DRV_LED_CURRENT_SCALE[2:0]> bits (see Table 6-11) and can be corrected by <DRV_OUTx_CORR[3:0]> EEPROM bits. The adjustment range is shown in Table 6-12 Maximum current settings are effective for display and cluster modes.
| DRV_LED_CURRENT_SCALE[2:0] | MAXIMUM CURRENT |
|---|---|
| 000 | 25 mA |
| 001 | 30 mA |
| 010 | 50 mA |
| 011 | 60 mA |
| 100 | 80 mA |
| 101 | 100 mA |
| 110 | 120 mA |
| 111 | 150 mA |
When maximum current is controlled by anexternal resistor RISET (<DRV_EN_EXT_LED_CUR_CTRL>=1), current for outputs in display mode or for OUT1 in cluster mode can be calculated as follows:

Where VBG = 1.2 V.
For example, if <DISP_CL1_CURRENT[11:0]> is 0xFFF, <DRV_LED_CURRENT_SCALE[0:2]> is 111, and a 24-kΩ RISET resistor is used, then the LED maximum current is 150 mA.
When current control with external resistor is disabled (<DRV_EN_EXT_LED_CUR_CTRL>=0) LED current for outputs in display mode or for OUT1 in cluster mode can be calculated as follow:

When maximum current control with external resistor is enabled, LED current for OUT2…OUT4 outputs in cluster mode is defined as:

Otherwise, when current control with external resistor is disabled:

Correction value is defined by <DRV_OUTx_CORR[3:0]> shown in Table 6-12:
| DRV_OUTx_CORR[3:0] | CORRECTION |
|---|---|
| 0000 | 6.50% |
| 0001 | 5.60% |
| 0010 | 4.70% |
| 0011 | 3.70% |
| 0100 | 2.80% |
| 0101 | 1.90% |
| 0110 | 0.90% |
| 0111 | 0.00% |
| 1000 | –0.9% |
| 1001 | –1.90% |
| 1010 | –2.80% |
| 1011 | –3.70% |
| 1100 | –4.70% |
| 1101 | –5.60% |
| 1110 | –6.50% |
| 1111 | –7.40% |
Formulas are only approximation for the actual current.
The <DISP_CL1_CURRENT[11:0]> register is initialized during start-up by the <LED_CURRENT_CTRL[11:0]> EEPROM bits. <DRV_LED_CURRENT_SCALE[2:0]> are initialized by the <DRV_LED_CURRENT_SCALE[2:0]> EEPROM bits. Cluster mode current registers for outputs OUT2 and OUT3 are initialized by 0 during power on reset.
Current register value must be not written to 0 if brightness is not zero – it may cause LED faults and adaptive voltage control instability.