ZHCSRN8 February 2023 TDC1000-Q1
PRODUCTION DATA
TDC1000-Q1 前端中的 LNA 限制以輸入為基準的噪聲并確保生成的 STOP 脈沖的計時精度。LNA 是一種反相放大器,用于在外部輸入電容器或電阻器的幫助下實現 20dB 的閉環增益,并且 LNA 可以針對兩種反饋配置進行編程。帶通配置稱為電容反饋模式,必須與輸入電容器結合使用。低通配置稱為電阻反饋模式,必須與輸入電阻器結合使用。輸入元件的建議值分別為 300pF 和 900Ω。
對于諧振頻率大約為幾 MHz 的換能器,LNA 可配置為電容反饋模式。這是通過將 TOF_1 寄存器中的 LNA_FB 位清零來完成的。如圖 8-2 所示,外部電容器 CIN 應放置在換能器和相應的輸入引腳之間。這提供了 CIN/CF 的帶內增益,其中 CF 是片上 30pF 反饋電容器。假設 CIN = 300pF,則 LNA 電路的帶內增益為:

圖 8-2 LNA 電容反饋配置LNA 的電容反饋配置具有帶通頻率響應。高通拐角頻率由內部反饋元件 RF (9kΩ) 和 CF (30pF) 設置,大約為 590kHz。帶內增益由電容器比設置,LNA 的 50MHz 增益帶寬積設置頻率響應的低通拐角。例如,如果帶內增益為 10,則會使帶通響應介于 590kHz 和 5MHz 之間。
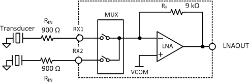
對于諧振頻率大約為數百 kHz 的換能器,LNA 可配置為電阻反饋模式。這是通過將 TOF_1 寄存器中的 LNA_FB 位設置為 1 來完成的。在該配置下,內部反饋電容器 CF 被斷開(請參閱圖 8-3),LNA 電路的直流增益取決于內部反饋電阻器 RF (9kΩ) 與外部電阻器 RIN 之比。當 RIN = 900Ω 時,電路的增益為 10。
圖 8-3 LNA 電阻反饋配置通過向 TOF_1 寄存器中的 LNA_CTRL 位寫入 1,可以繞過和禁用 LNA。