ZHCAD93B December 2020 – June 2025 BQ79600-Q1 , BQ79612-Q1 , BQ79614-Q1 , BQ79616-Q1 , BQ79652-Q1 , BQ79654-Q1 , BQ79656-Q1
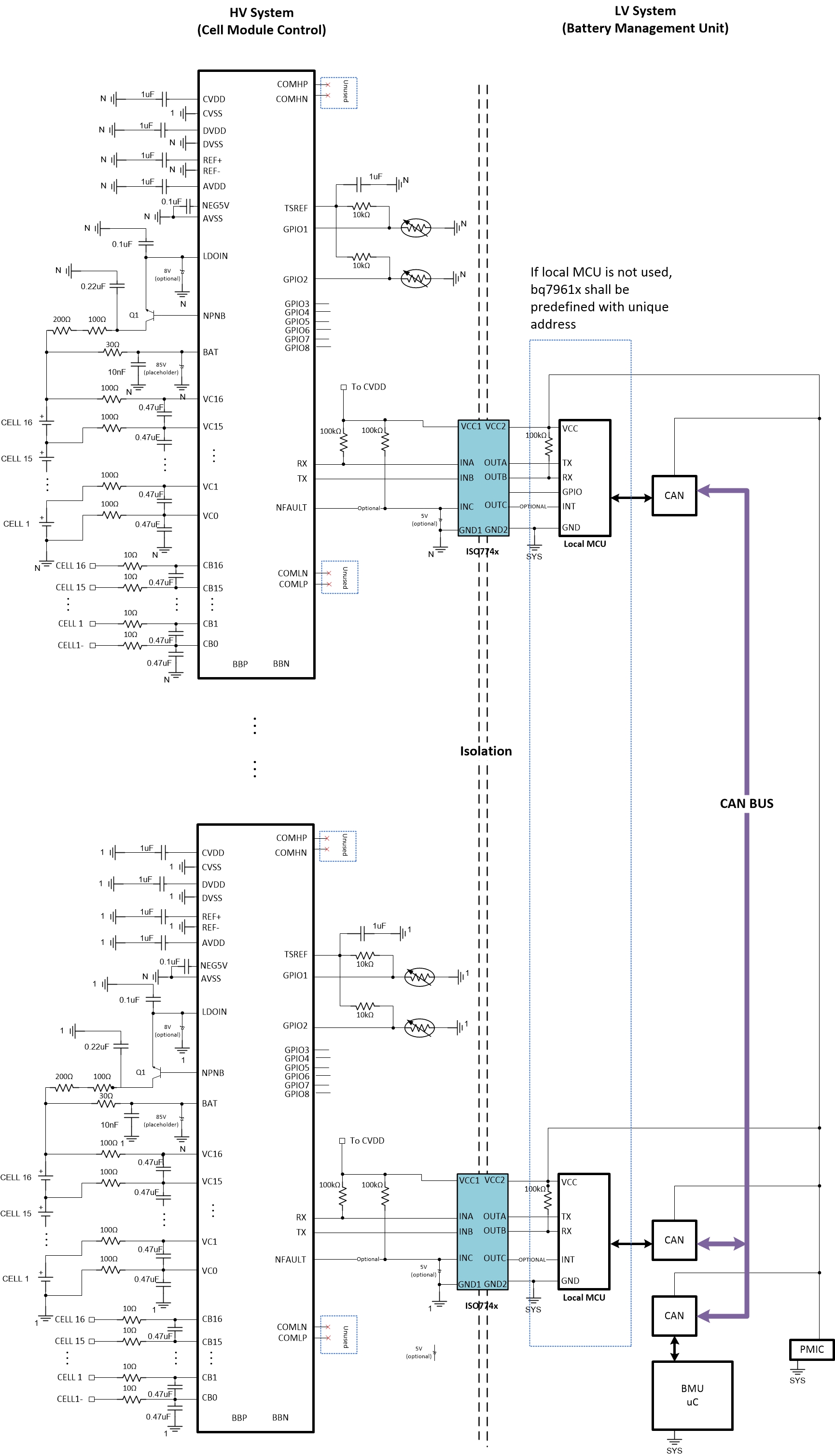
菊花鏈配置的一種替代方案是多點配置。在這種配置中,所有 BQ79616-Q1 器件均視為基底器件且以并聯方式連接。此配置不支持自動尋址。圖 10-1 顯示了此設置的簡要表示。更多相關信息,請參閱 BQ79616-Q1、BQ79616H-Q1、BQ79614-Q1、BQ79612-Q1 符合功能安全標準的汽車 16S/14S/12S 電池監控器、平衡器和具有集成電流檢測功能的集成硬件保護器數據表。
