ZHCUB80C August 2004 – July 2023 PGA309
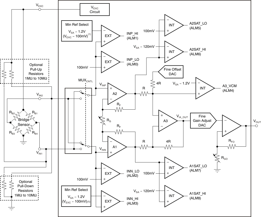
PGA309 通過九個內部比較器提供外部橋式傳感器的故障檢測。請參閱圖 2-22。這些比較器分為兩組:內部故障比較器和外部故障比較器。在圖 2-22 中,外部故障比較器組中的比較器表示為 EXT,內部故障比較器組中的比較器表示為 INT。

外部故障比較器用于監測橋式傳感器是否正常運行并報告輸入故障情況。表 2-15 列舉了橋式傳感器可能的故障情況以及每種故障情況下的相關故障比較器輸出。由于 PGA309 的輸入偏置電流超低,如果需要準確報告對懸空輸入(傳感器與一個或全部兩個 PGA309 輸入端完全斷開)的故障檢測,則有必要為這些輸入中(VIN1 和 VIN2)的每一個都添加一個上拉或下拉電阻(在圖 2-22 中顯示為可選)。為了盡可能降低橋式傳感器輸出端的信號負載,這些電阻值可以在 1MΩ 到 10MΩ 之間。這些可選電阻產生的失調電壓和其他誤差將在 PGA309 + 傳感器校準期間被消除。表 2-16 列出了使用上拉電阻時 PGA309 上的懸空輸入的特殊情況。表 2-17 列出了使用下拉電阻時 PGA309 上的懸空輸入的特殊情況。未列為特殊情況的所有其他故障情況與表 2-15 中詳述的故障情況相同。
| 用例 | VIN2 (VINN) (V) |
VIN1 (VINP) (V) |
VIA_OUT (V) |
邏輯電平輸出 | 注釋 | |||
|---|---|---|---|---|---|---|---|---|
| INN_HI (ALM3) |
INN_LO (ALM2) |
INP_HI (ALM1) |
INP_LO (ALM0) |
|||||
| 正常 | 1.7 | 1.7 | 線性 | 0 | 0 | 0 | 0 | |
| RB1 開路 | 1.7 | 0 | ~0 | 0 | 0 | 0 | 1 | |
| RB2 開路 | 0 | 1.7 | ~VSA | 0 | 1 | 0 | 0 | |
| RB3 開路 | 3.4 | 1.7 | ~0 | 1 | 0 | 0 | 0 | |
| RB4 開路 | 1.7 | 3.4 | ~VSA | 0 | 0 | 1 | 0 | |
| RB1 短路 | 1.7 | 3.4 | ~VSA | 0 | 0 | 1 | 0 | |
| RB2 短路 | 3.4 | 1.7 | ~0 | 1 | 0 | 0 | 0 | |
| RB3 短路 | 0 | 1.7 | ? | 0 | 1 | 0 | 0 | |
| RB4 短路 | 1.7 | 0 | ~0 | 0 | 0 | 0 | 1 | |
| 傳感器 GND 開路 | 3.4 | 3.4 | ~0 | 1 | 0 | 1 | 0 | |
| 傳感器 VEXC 開路 | 0 | 0 | ~0 | 0 | 1 | 0 | 1 | |
| VEXC 端接 GND | 0 | 0 | ~0 | 1(2) | 1 | 1(2) | 1 | |
| VIN1 (VINP) 開路(3) | 1.7 | ~VSA?0.7 | ~VSA | 0 | 0 | 0 | 0 | VOUT 上的欠量程限制,無故障檢測 — 內部或外部 |
| VIN2 (VINN) 開路(3) | ~VSA?0.7 | 1.7 | ~0 | 0 | 0 | 0 | 0 | VOUT 上的過量程限制,無故障檢測 — 內部或外部 |
| VIN1 (VINP) 端接 GND | 1.7 | 0 | ~0 | 0 | 0 | 0 | 1 | |
| VIN2 (VINN) 端接 GND | 0 | 1.7 | ~VSA | 0 | 1 | 0 | 0 | |
| VIN1 (VINP) 端接 VEXC | 1.7 | 3.4 | ~VSA | 0 | 0 | 1 | 0 | |
| VIN2 (VINN) 端接 VEXC | 3.4 | 1.7 | ~0 | 1 | 0 | 0 | 0 | |
| VIN1 (VINP)、 VIN2 (VINN) 開路(3) |
~VSA?0.7 | ~VSA?0.7 | 線性? | 0 | 0 | 0 | 0 | 通常會緩慢漂移至過量程限制;無外部故障檢測 (ALM7),內部故障設置 = A1 飽和低電平 |
| VIN1 (VINP)、 VIN2 (VINN) 短接 GND |
0 | 0 | ~VSA | 0 | 1 | 0 | 1 | |
| VIN1 (VINP)、 VIN2 (VINN) 短接 VEXC |
3.4 | 3.4 | ~0 | 1 | 0 | 1 | 0 | |
| 特殊情況(2) | VIN2 (VINN) (V) |
VIN1 (VINP) (V) |
VIA_OUT (V) |
邏輯電平輸出 | |||
|---|---|---|---|---|---|---|---|
| INN_HI (ALM3) |
INN_LO (ALM2) |
INP_HI (ALM1) |
INP_LO (ALM0) |
||||
| VIN1 (VINP) 開路 | 1.7 | VEXC | ~VSA | 0 | 0 | 1 | 0 |
| VIN2 (VINN) 開路 | VEXC | 1.7 | ~0 | 1 | 0 | 0 | 0 |
| VIN1 (VINP)、VIN2 (VINN) 開路 | VEXC | VEXC | ~0 | 1 | 0 | 1 | 0 |
| 特殊情況(2) | VIN2 (VINN) (V) | VIN1 (VINP) (V) | VIA_OUT (V) | 邏輯電平輸出 | |||
|---|---|---|---|---|---|---|---|
| INN_HI (ALM3) | INN_LO (ALM2) | INP_HI (ALM1) | INP_LO (ALM0) | ||||
| VIN1 (VINP) 開路 | 1.7 | ~0 | ~VSA | 0 | 0 | 0 | 1 |
| VIN2 (VINN) 開路 | ~0 | 1.7 | ~0 | 0 | 1 | 0 | 0 |
| VIN1 (VINP)、VIN2 (VINN) 開路 | ~0 | ~0 | ~0 | 0 | 1 | 0 | 1 |
啟用 VEXC 后,外部故障比較器 INP_HI 和 INP_LO 有一個最小基準選擇器電路會在 VEXC – 100mV 或 VSA – 1.2V 的典型跳閘點之間進行選擇。這樣可以確保即使線性化電路增加 VEXC,而橋式傳感器存在違反 PGA309 前端 PGA 相對于 VSA 的 IVR 的故障情況,仍能進行精確的故障監測。如果禁用了 VEXC,這些比較器將默認為 VSA – 1.2V 閾值。
內部故障比較器用于監測 PGA309 的前端 PGA 內部節點(請參閱圖 2-22)。當 PGA309 + 傳感器校準正在進行時,啟用內部比較器組至關重要,因為它可以提醒用戶存在內部節點違規情況。這種違規的情況仍可能會產生處于預期線性范圍內的輸出電壓,但這個輸出電壓并不準確。前端 PGA 每個前端放大器(A1 和 A2)的輸出均受到監測,以了解是否存在對正電源或對地飽和。如果這些比較器中的任何一個在校準期間跳閘,則表明由于錯誤的前端 PGA 增益選擇或粗略失調電壓調整導致了超出范圍的調節情況。此外,還會監測前端 PGA 中的 A3 放大器是否存在共模違規情況:如果零 DAC 與前端 PGA 增益選擇的組合不正確,則可能會發生這種情況。
每個單獨的內部和外部故障比較器都可以通過以下數字接口之一讀取:兩線制或單線制接口。當前結果存儲在寄存器 8 — 警報狀態寄存器中。啟用 PGA309 輸出后,警報狀態寄存器的值將反映故障比較器的當前狀態。禁用 VOUT 后,寄存器中的值就是輸出被禁用前的最新比較器狀態。這樣可以更輕松地識別和調試三端傳感器模塊(PRG 短接至 VOUT)。有關詳細信息,請參閱節 4.10(PRG 連接到 VOUT 的單線制工作模式)。此外,每組比較器(內部故障比較器和外部故障比較器)均可以進行編程,以便在各自組中的任一比較器為邏輯高電平(表示有故障)時,PGA309 輸出 (VOUT) 將被迫出現故障,指明正的電壓電平(當負載為 10kΩ 時,最大值為 VSA ? 0.1V)或負的電壓電平(當負載為 10kΩ 時,最大值為 0.1V)。圖 2-23 展示了與此相關的邏輯。
圖 2-23 故障監測比較器邏輯寄存器 5 — PGA 配置和過量程/欠量程限制中提供了故障監測比較器邏輯的配置。每個比較器組中的各比較器輸出組合在一起可產生一個內部比較器故障標志和一個外部比較器故障標志。對于外部比較器組 EXTEN,寄存器 5(位 11)會啟用或禁用是否向前發送外部比較器故障標志以強制 VOUT 進入故障指示狀態。對于內部比較器組,INTEN - 寄存器 5(位 10)會啟用或禁用是否向前發送內部比較器故障標志以強制 VOUT 進入故障指示狀態。對于每個比較器組,可對 VOUT(VSA 或 GND)的故障指示狀態進行編程。INTPOL - 寄存器 5(位 8)為內部比較器組選擇此狀態,EXTPOL - 寄存器 5(位 9)為外部比較器組選擇此狀態。外部比較器故障標志的優先級高于內部比較器。
故障標志如圖 2-23 所示。例如,如果內部故障比較器組設置為強制 VOUT 為低電平,而外部故障比較器組設置為強制 VOUT 為高電平,并且兩組都檢測到故障(如果兩組都啟用,有可能發生這種情況),則外部故障比較器組具有更高優先級,因此 VOUT 被強制為高電平。這是為了確保嚴重的傳感器故障將優先于內部節點違規進行報告,在大多數實際應用中都是如此。如果在檢測到故障時 VOUT 存在有效線性輸出,則故障邏輯將始終具有更高優先級(如果啟用),并會覆蓋線性輸出以將 VOUT 的故障指示為正或負 VOUT 飽和。