ZHCSXV7 February 2025 SN55LVRA4-SEP
ADVANCE INFORMATION
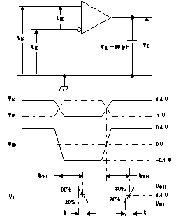
圖 6-1 電壓和電流定義
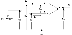
圖 6-2 VIT1 和 VIT2 輸入電壓閾值測試電路和定義
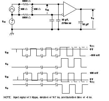
圖 6-4 啟用/禁用時間測試電路和波形| 施加的電壓(1) | 產生的輸入 | |||
|---|---|---|---|---|
| VIA (mV) | VIB (mV) | VID (mV) | VIC (mV) | 輸出 |
| -4000 | -3900 | -100 | -3950 | L |
| -4000 | -3968 | -32 | -3984 | H |
| 4900 | 5000 | -100 | 4950 | L |
| 4968 | 5000 | -32 | 4984 | H |
圖 6-5 VIT3 失效防護閾值測試
圖 6-6 失效防護激活和停用的波形