ZHCSJR4D January 2019 – June 2024 UCC21710-Q1
PRODUCTION DATA
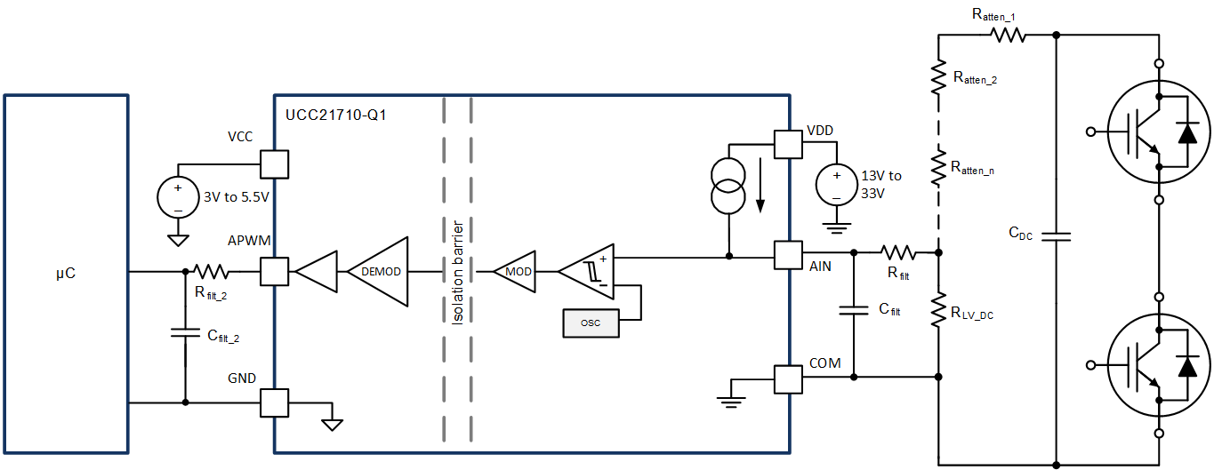
The AIN to APWM channel may be used for other applications such as the DC-link voltage sensing, as shown in Figure 8-15. The same filtering requirements as given above may be used in this case, as well. The number of attenuation resistors, Ratten_1 through Ratten_n, is dependent on the voltage level and power rating of the resistor. The voltage is finally measured across RLV_DC to monitor the stepped-down voltage of the HV DC-link which must fall within the voltage range of AIN from 0.6V to 4.5V. The driver should be referenced to the same point as the measurement reference, thus in the case shown below the UCC21710-Q1 is driving the lower IGBT in the half-bridge and the DC-link voltage measurement is referenced to COM. The internal current source IAIN should be taken into account when designing the resistor divider. The AIN pin voltage is:

Figure 8-15 DC-link Voltage Sensing Configuration