ZHCSJR4D January 2019 – June 2024 UCC21710-Q1
PRODUCTION DATA
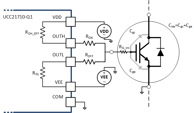
UCC21710-Q1 features split outputs OUTH and OUTL, which enables the independent control of the turn on and turn off switching speed. The turn on and turn off resistance determine the peak source and sink current, which controls the switching speed in turn. Meanwhile, the power dissipation in the gate driver should be considered to ensure the device is in the thermal limit. At first, the peak source and sink current are calculated as:

Where
Figure 8-5 Output Model for Calculating Peak Gate CurrentFor example, for an IGBT module based system with the following parameters:
The peak source and sink current in this case are:

Thus by using 1Ω external gate resistance, the peak source current is 5.9A, the peak sink current is 6.7A. The collector-to-emitter dV/dt during the turn on switching transient is dominated by the gate current at the miller plateau voltage. The hybrid pullup structure ensures the peak source current at the miller plateau voltage, unless the turn on gate resistor is too high. The faster the collector-to-emitter, Vce, voltage rises to VDC, the smaller the turn on switching loss is. The dV/dt can be estimated as Qgc/Isource_pk. For the turn off switching transient, the drain-to-source dV/dt is dominated by the load current, unless the turn off gate resistor is too high. After Vce reaches the dc bus voltage, the power semiconductor is in saturation mode and the channel current is controlled by Vge. The peak sink current determines the dI/dt, which dominates the Vce voltage overshoot accordingly. If using relatively large turn off gate resistance, the Vce overshoot can be limited. The overshoot can be estimated by:

Where
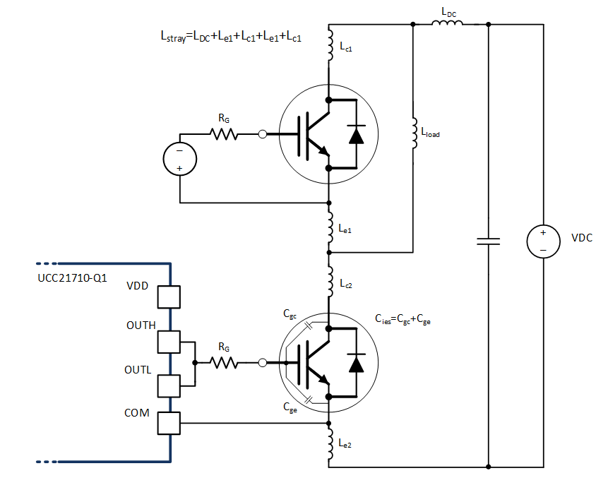
Figure 8-6 Stray Parasitic Inductance of IGBTs in a Half-Bridge ConfigurationThe power dissipation should be taken into account to maintain the gate driver within the thermal limit. The power loss of the gate driver includes the quiescent loss and the switching loss, which can be calculated as:

PQ is the quiescent power loss for the driver, which is Iq x (VDD-VEE) = 5mA x 20V = 0.100W. The quiescent power loss is the power consumed by the internal circuits such as the input stage, reference voltage, logic circuits, protection circuits when the driver is switching when the driver is biased with VDD and VEE, and also the charging and discharging current of the internal circuit when the driver is switching. The power dissipation when the driver is switching can be calculated as:

Where
In this example, the PSW can be calculated as:

Thus, the total power loss is:

When the board temperature is 125°C, the junction temperature can be estimated as:

Therefore, for the application in this example, with 125°C board temperature, the maximum switching frequency is ~50kHz to keep the gate driver in the thermal limit. By using a lower switching frequency, or increasing external gate resistance, the gate driver can be operated at a higher switching frequency.