ZHCSE13L December 2007 – November 2024 TXS0108E
PRODUCTION DATA
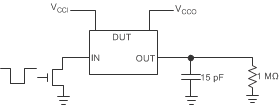
圖 6-1 展示了用于測量數據速率、脈沖持續時間、傳播延遲、輸出上升時間和下降時間的推挽驅動器電路。圖 6-2 展示了用于測量數據速率、脈沖持續時間、傳播延遲、輸出上升時間和下降時間的開漏驅動器電路。



| 測試 | S1 |
|---|---|
| tPZL,tPLZ (tdis) |
2 x VCCO |
| tPHZ,tPZH (ten) |
開路 |