ZHCSEJ1C December 2015 – September 2024 TPS7H3301-SP
PRODUCTION DATA
TPS7H3301-SP 是一款具有內置 VTTREF 緩沖器的 TID 和 SEE 耐輻射雙倍數據速率 (DDR) 3A 終端穩壓器。該穩壓器專門設計用于為單板計算機、固態記錄器和有效載荷處理等航天 DDR 端接應用提供完整的緊湊型低噪聲解決方案。
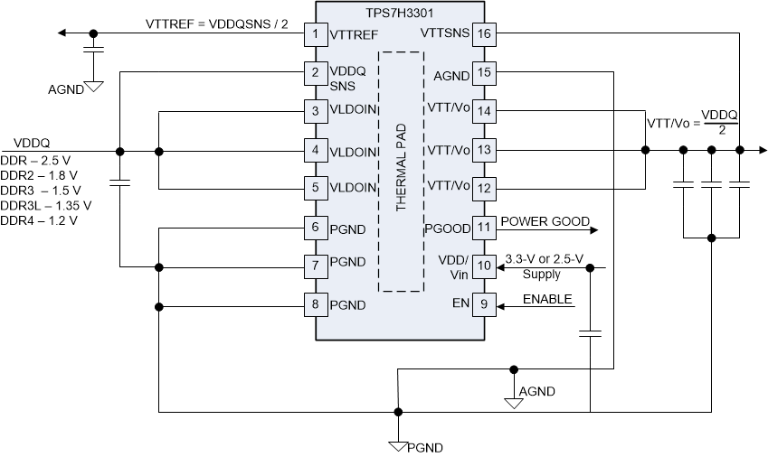
TPS7H3301-SP 支持使用 DDR、DDR2、DDR3 和 DDR4 的 DDR VTT 端接應用。憑借快速瞬態響應,TPS7H3301-SP VTT 穩壓器可在讀取/寫入狀態下提供非常穩定的電源。在瞬變期間,VTTREF 電源的快速跟蹤功能可以更大限度地減少 VTT/Vo 和 VTTREF 之間的任何失調電壓。為了實現簡單的電源時序,TPS7H3301-SP 中集成了使能輸入和電源正常輸出 (PGOOD)。PGOOD 輸出是開漏輸出,因此可在所有電源進入穩壓狀態時將其與多個開漏輸出相連來進行監控。使能信號還可用于在掛起至 RAM (S3) 斷電模式期間使 VTT/Vo 放電。
| 器件型號(3) | 等級 | 封裝 |
|---|---|---|
| 5962R1422801VXC(2) | 耐輻射等級 RHA 100krad(Si) | 16 引腳 CFP 9.60mm × 11.00mm 重量:1.55g(5) |
| 5962-1422801VXC(2) | 耐輻射等級 QMLV | |
| TPS7H3301HKR/EM | 工程模塊(4) | |
| TPS7H3301EVM-CVAL | 陶瓷評估板 | EVM |
