ZHCSYG5F November 1983 – June 2025 TLC372
PRODUCTION DATA
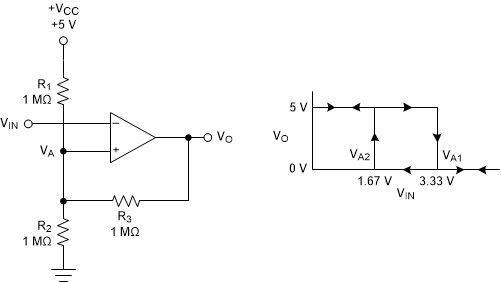
具有遲滯功能的反相比較器需要一個以比較器電源電壓 (VCC) 為基準的三電阻器網絡,如下所示。
圖 7-3 具有遲滯功能的反相配置輸出為高電平和低電平時的等效電阻器網絡如下所示。
圖 7-4 反相配置電阻器等效網絡當 VIN 小于 VA 時,輸出電壓為高電平(為簡單起見,假設 VO 切換至與 VCC 一樣高)。三個網絡電阻器可以表示為 R1 || R3 與 R2 串聯,如左上方所示。
下面的公式定義了從高電平轉換到低電平的跳變電壓 (VA1)。

當 VIN 大于 VA 時,輸出電壓較低。在這種情況下,三個網絡電阻器可以表示為 R2 || R3 與 R1 串聯,如右上方所示。
使用下面的公式定義從低電平轉換到高電平的跳變電壓 (VA2)。

此公式定義了網絡提供的總遲滯。
