ZHCSDE3I February 2015 – January 2025 DP83867CR , DP83867IR
PRODUCTION DATA
請參考 PDF 數據表獲取器件具體的封裝圖。
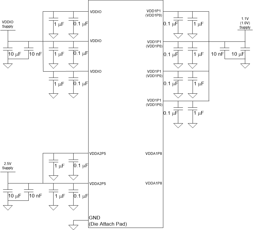
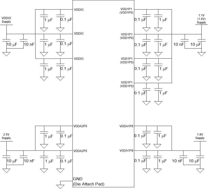
The DP83867 is capable of operating with as few as two or three supplies. The I/O power supply can also be operated independently of the main device power supplies to provide flexibility for the MAC interface.
For detailed information about DP83867 power consumption for specific supplies under a wide set of conditions, see the DP83867E/IS/CS/IR/CR RGZ Power Consumption Data application report (SNLA241).
The connection diagrams for the two-supply and three-supply configurations are shown in Figure 8-7 and Figure 8-8.


When operating in three-supply mode, the 1.8V VDDA1P8 supply must be stable within 25ms of the 2.5V VDDA2P5 supply ramping up. There is no sequencing requirement for other supplies when operating in three-supply mode.
When powering down the DP83867, the 1.8V supply must be brought down before the 2.5V supply.
Figure 8-9 Three-Supply Mode Power Supply Sequence Diagram| PARAMETER | TEST CONDITIONS | MIN | NOM | MAX | UNIT | |
|---|---|---|---|---|---|---|
| T1 | Beginning of VDDA2P5 ramp up to VDDA1P8 stable | 0 | 25 | ms | ||
If the 2.5V power supply provides power to DP83867 devices only, the 1.8V supply can ramp up any time before 2.5V.
There is no requirement for the sequence of the supplies when operating in two-supply mode.