ZHCAA84D May 2014 – April 2021 AMC1100 , SM72295 , TL1963A , TMS320F2806-Q1 , TMS320F28069 , TMS320F28069-Q1 , TPS40210 , TPS40210-Q1 , TPS40211 , TPS40211-Q1 , UCC27211 , UCC27302A , UCC27302A-Q1
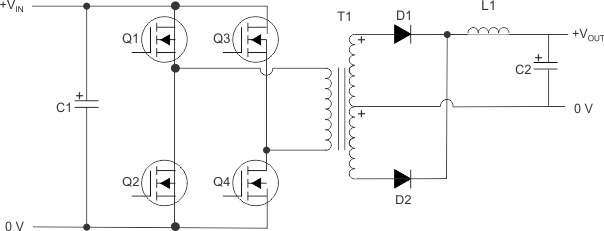
半橋和全橋轉換器的變壓器拓撲相同,不同之處在于,在給定半橋變壓器的直流鏈路電壓時,所施加的電壓是全橋變壓器的一半。電流在交替的半個周期中以相反方向流動。因此,磁芯中的磁通量從負變為正,甚至會利用磁滯環路的負部分,從而減少磁芯飽和的機會。因此,磁芯可以在更大的 Bm 值下運行。占空比小于 50% 時將傳輸最大功率。對角的成對晶體管(Q1-Q4 或 Q2-Q3)交替接通,從而在變壓器初級中實現電流反向。
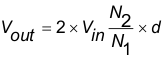
輸出電壓等于:

其中,d 是晶體管的占空比,且 0 < d < 0.5。
N2/N1 是變壓器的次級繞組與初級繞組的匝數比。
圖 3-3 全橋轉換器在上面討論的三種拓撲中,對高頻逆變器的直流/直流隔離級的選擇取決于 VA 要求。對于目標為 1KVA 及以上的應用,就以下幾點而言,全橋轉換器是理想的選擇: