ZHCS169D May 2011 – July 2016 TPS54062
PRODUCTION DATA.
NOTE
以下 應用 部分的信息不屬于 TI 組件規范,TI 不擔保其準確性和完整性。客戶應負責確定 TI 組件是否適用于其應用。客戶應驗證并測試其設計是否能夠實現,以確保系統功能。
TPS54062 是一款 60V、50mA 降壓穩壓器,集成了高側和低側 MOSFET。該器件通常將較高的直流電壓轉換為低值直流電壓,輸出電流最高可達 50mA。示例 應用 包括:低功耗待機或偏置電壓電源、由 4mA 至 20mA 電流回路供電的傳感器、工業過程控制、計量以及安保系統或高效高壓線性穩壓器的替代設備。按照以下設計流程為 TPS54062 選擇合適的組件值。該流程所示為高開關頻率穩壓器設計。上述計算可通過 Excel 電子表格工具 SLVC364 完成。此外,可以使用 WEBENCH 軟件生成完整設計。WEBENCH 軟件采用一種迭代設計過程,通過訪問綜合元件數據庫生成設計。
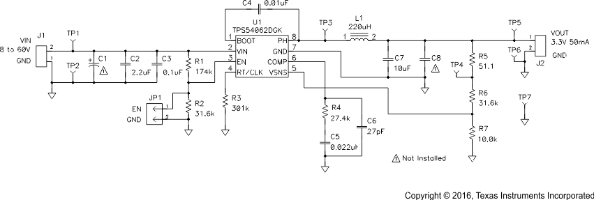
Figure 20. 應用電路原理圖
本示例詳細介紹了使用陶瓷輸出電容的連續導通模式 (CCM) 開關穩壓器設計過程。如果需要低輸出電流設計,請參見 DCM 應用。在開始該設計過程前必須了解一些參數。這些參數通常在系統層面確定。對于該示例,我們將從下列已知參數入手:
| 輸出電壓 | 3.3V |
| 0mA 至 50mA 負載階躍瞬態響應 | ΔVOUT = 4% |
| 最大輸出電流 | 50mA |
| 輸入電壓 | 24V(標稱值)8V 至 60V |
| 輸出電壓紋波 | VOUT 的 0.5% |
| 啟動輸入電壓(VIN 上升) | 7.88V |
| 停止輸入電壓(VIN 下降) | 6.66V |
第一步是確定穩壓器開關頻率。用戶通常希望盡量選擇最高開關頻率,從而獲得尺寸最小的解決方案。與開關頻率較低的電源相比,較高的開關頻率支持使用低值電感以及小型輸出電容。可供選擇的開關頻率受到以下參數限制:內部電源開關的最短導通時間、輸入電壓和輸出電壓以及頻移限制。
必須使用Equation 5 和Equation 6 找出穩壓器的最高開關頻率,選擇兩公式中的較小值。開關頻率高于上述值將導致脈沖跳躍或在短路時缺乏過流保護。TPS54062 的最短導通時間 (tonmin) 為 130ns(典型值)。該示例的輸出電壓為 3.3V,最高輸入電壓為 60V,當包含Equation 5 或Equation 6 中的電感電阻、導通電阻和二極管電壓時,支持的開關頻率最高可達 400kHz。為了避免在設計過程中考慮發生短路時的過流失控問題,請根據Equation 6 確定最大開關頻率。最高輸入電壓選擇 60V,電感電阻為 3.7Ω,高側開關電阻為 2.3Ω,低側開關電阻為 1.1Ω,電流限值選擇 120mA,短路輸出電壓等于 0.1V。
兩種情況下的最高開關頻率均為 400kHz,因此使用 400kHz 開關頻率。請根據Equation 4 確定給定開關頻率對應的定時電阻。開關頻率通過Figure 20 所示的電阻 R3 進行設置。通過計算得出的 R3 為 298kΩ。使用阻值為 301kΩ 的標準電阻。
最小輸出電感的計算:使用Equation 7。KIND 系數表示與最大輸出電流相關的電感紋波電流。電感紋波電流將通過輸出電容進行濾波。因此,選擇高電感器紋波電流將影響輸出電容的選擇,原因是輸出電容的額定紋波電流必須大于等于電感紋波電流。一般而言,設計人員可以自行決定電感紋波值,但應遵循以下準則。TI 通常建議使用介于 0.2 至 0.4 之間的 KIND。然而,對于使用低 ESR 輸出電容(例如陶瓷電容)和低輸出電流的設計,KIND 應為 1。在寬輸入電壓穩壓器中,建議根據較大一側選擇電感紋波電流。這允許電感在最低輸入電壓條件下仍能提供可測量紋波電流。該設計示例采用的 KIND = 0.8,計算得出的最小電感為 195µH。本設計選擇近似標準值 220µH。對于輸出濾波電感而言,至關重要的是不得超出額定 RMS 電流和飽和電流。RMS 電流和峰值電感電流可根據Equation 9 和Equation 10 進行計算。
對于該設計,RMS 電感電流為 50mA,峰值電感電流為 68mA。選用 Coilcraft LPS4018-224ML 電感。該電感的額定飽和電流為 235mA,額定 RMS 電流為 200mA。如公式組所示,紋波電流較低將導致穩壓器輸出電壓紋波下降,但需要使用數值更大的電感。選擇較高紋波電流將提升穩壓器的輸出電壓紋波,但允許使用低值電感。流經電感的電流為電感紋波電流外加輸出電流。在上電、故障或瞬態負載條件下,電感電流可能超出上文計算得出的峰值。在瞬態條件下,電感電流能夠升至器件的開關電流限值。基于該原因,最為保守的方法是規定電感的額定飽和電流(而非峰值電感電流)大于等于器件的開關電流限值。




選擇輸出電容值時,主要考慮三點。輸出電容將決定調制器極點、輸出電壓紋波以及穩壓器響應負載電流顯著變化的方式。輸出電容應根據比上述三項指標更為嚴苛的標準進行選擇。第一項標準是穩壓器針對負載電流顯著變化作出的相應。當穩壓器不能為負載供電時,輸出電容需要向負載提供電流。出現這種情況的條件是穩壓器的保持時間符合要求,在此期間,移除輸入電源后,輸出電容必須在規定時間內使輸出電壓保持在某一水平之上。如果負載電流需要在短時間內顯著提升(例如由空載狀態轉換至滿載狀態),穩壓器也將暫時無法提供足夠的輸出電流。穩壓器通常需要在不少于兩個控制回路時鐘周期內觀察負載電流和輸出電壓變化,進而通過調節占空比進行響應。選擇輸出電容值時應將以下注意事項納入考量范圍:輸出電容在控制回路響應負載變化前需要向負載額外提供電流。輸出電容必須足夠大,從而填補 2 個時鐘周期內的電流差,同時輸出電壓僅允許下降可容許值。Equation 14 所示為實現該目標所需的最小輸出電容。其中 ΔIout 為輸出電流增量,ƒsw 為穩壓器開關頻率,ΔVout 為允許的輸出電壓增量。
對于該示例,當負載電流由 0A(空載)躍升至 50mA(滿載)時,瞬態負載響應的額定變化量為 4%。該示例中的 ΔIOUT = 0.05 - 0 = 0.05,而 ΔVOUT = 0.04 × 3.3 = 0.132。
使用這些數值得出的最小電容為 1.89µF。該值未將輸出電容 ESR 納入輸出電壓變化的考量范圍。對于陶瓷電容,其 ESR 足夠小,在計算過程中可以忽略不計。鋁制電解電容和鉭電容的 ESR 較高,在計算過程中應納入考量范圍。穩壓器的低側 FET 模擬二極管,無法灌入電流,因此當負載電流快速下降后,電感儲存的所有能量將產生輸出電壓過沖,請參見Figure 26。選擇輸出電容時還必須考慮當負載電流由高到低進行轉換時,輸出電容將吸收電感儲存的能量。輸出電容中儲存的過剩能量將提升電容電壓。選取的電容值必須保證穩壓器所需的輸出電壓在這些瞬態過程中恒定不變。使用Equation 13 計算最小電容,從而保持輸出電壓過沖處于理想值。其中 LO 為電感值,IOH 為重載條件下的輸出電流,IOL 為輕載條件下的輸出電流,VF 為最終峰值輸出電壓,Vi 為初始電容電壓。對于該示例,極端條件下的負載電流由 50mA 驟降至 0A。在上述負載轉換過程中,輸出電壓上升,技術規范中敘述的最大值為輸出電壓的 4%。得出的 VF = 1.04 × 3.3 = 3.432V。Vi 為初始電容電壓,即 3.3V 標稱輸出電壓。將上述數值帶入Equation 14 得出的最小電容為 0.619µF。
Equation 12 計算必須符合輸出電壓紋波規范的最小輸出電容。其中 fSW 為開關頻率,VRIPPLE 為允許的最大輸出電壓紋波,IRIPPLE 為電感紋波電流。根據Equation 13 計算得出的最小輸出電容等于 0.671µF。根據Equation 15 計算最大 ESR 輸出電容,其值必須符合輸出電壓紋波規范。Equation 15 指出 ESR 應該小于 0.466Ω。
輸出電容最為嚴格的標準值為 1.89µF,以在負載瞬態過程中保持輸出電壓處于穩壓狀態。
因老化、溫度及直流偏置而產生的附加電容降額應納入考量范圍,輸出電容的最小值應在上述情況下有所提升。該示例中采用 ESR 為 0.003Ω 的 10µF、10V、X5R 陶瓷電容。電容一般將紋波電流限制在處理電流時不會導致故障或過熱的范圍內。必須指定一個支持電感紋波電流的輸出電容。部分電容數據表指定了最大紋波電流的均方根 (RMS) 值。
根據Equation 11 可計算輸出電容需要支持的 RMS 紋波電流。對于該應用,根據Equation 11 計算得出的結果為 10.23mA。





TPS54062 需要使用有效電容不低于 1µF 的 X5R 或 X7R 型優質陶瓷輸入去耦電容,而在某些 應用中 需要使用大容量電容。有效電容包括所有直流偏置產生的影響。輸入電容的額定電壓必須高于最高輸入電壓。此外,電容的 RMS 電流額定值必須高于 TPS54062 的最大 RMS 輸入電流。輸入 RMS 電流可以根據Equation 16 進行計算。陶瓷電容值隨溫度和針對其施加的直流偏置的不同而顯著變化。通過選用具有溫度穩定性的介電材料能夠最大程度降低溫度變化導致的電容變化。電源穩壓器的電容通常選用 X5R 和 X7R 陶瓷介電材料,原因是其電容體積比較高并具有極強溫度穩定性。選擇輸出電容時還應考慮直流偏置電壓產生的影響。電容值隨電容兩端直流偏置電壓的上升而下降。該示例設計要求使用額定電壓不低于 100V 的陶瓷電容,從而支持最高輸入電壓。輸入電容值決定了穩壓器的輸入紋波電壓。輸入電壓紋波可以根據Equation 17 的變形進行計算。
采用設計示例參數值,Ioutmax = 50mA、CIN = 2.2µF、ƒSW = 400kHz 計算得出的輸入電壓紋波為 14.2mV,RMS 輸入紋波電流為 24.6mA。


BOOT 和 PH 引腳之間必須連接一個 0.01µF 陶瓷電容,以確保正常運行。TI 建議使用 X5R 或更優等級電介質的陶瓷電容。電容的額定電壓應不低于 10V。
欠壓鎖定 (UVLO) 可通過 TPS54062 EN 引腳上的外部分壓器進行調節。UVLO 具有兩個閾值:一個用于在輸入電壓升高時上電,另一個用于在輸入電壓下降時斷電或節能。該示例設計中的電源處于開啟狀態并在輸入電壓升至 7.88V 以上(使能)后進行切換。穩壓器在切換開始后應繼續保持原狀態,直至輸入電壓降至 6.66V 以下(UVLO 停止)。可編程 UVLO 和使能電壓通過 Vin 和 EN 引腳接地端之間的電阻分壓器進行設置。根據Equation 2 至Equation 3 可計算所需電阻。該示例應用要求 Vin 與 EN 之間連接 174kΩ 電阻,EN 與接地端之間連接 31.6kΩ 電阻,旨在產生 7.88V 和 6.66V 啟動和停止電壓。
對于該示例設計,RLS 選擇 10kΩ。根據Equation 1 計算得出的 RHS 等于 31.25kΩ。最為接近的 1% 標準電阻為 31.6kΩ。
提供多種方法補償 DC-DC 穩壓器。此處介紹的方法易于計算,忽略了器件內部的斜率補償效果。由于忽略了斜率補償,實際分頻頻率通常小于計算過程使用的值。該方法假設分頻頻率介于調制器極點和 ESR 零點之間,ESR 零點應至少為調制器極點的 10 倍。使用 SwitcherPro™軟件進行更為精確的設計。
開始設計前,必須根據Equation 18 和Equation 19 計算調制器極點 (fpole) 以及 ESR 零點 (fzero)。對于 Cout,使用的降額值為 8.9µF。根據Equation 20 和Equation 21 估算分頻頻率的起始點 (fco),從而設計補償。該示例設計中的 fpole 等于 271Hz,fzero 等于 5960kHz。
Equation 20 為調制器極點和 ESR 零點的幾何平均數,Equation 21 為調制器極點和開關頻率的幾何平均數。Equation 20 的計算結果為 40.29kHz,而Equation 21 的計算結果為 7.36kHz。使用接近Equation 20 或Equation 21 二者中較小值的頻率作為初始分頻頻率。
該示例中的 fco 等于 7.8kHz。下一步計算補償組件值。使用一個與電容串聯的電阻創建補償零點。與兩組件并聯的電容構成補償極點。
為了確定補償電阻 R4,請使用Equation 22。假設功率級跨導 (gmps) 為 0.65 A/V。輸出電壓 (Vo)、基準電壓 (VREF) 和誤差放大器跨導 (gmea) 分別為 3.3V、0.8V 和 102µs。
計算得出的 R4 為 27.1kΩ,選取最為接近的 27.4 標準電阻。根據Equation 23 設置調制器極點頻率的零點補償。根據Equation 23 得出的補償電容 C5 等于 0.0214µF,因此電路板中應用 0.022µF 電容。使用Equation 24 和Equation 25 中的較大值計算設置補償極點的 C6。根據Equation 25 得出 C6 等于 29pF,因此使用最為接近的 27pF 標準值。








Figure 21. 效率與輸出電流間的關系
Figure 23. 增益與相位間的關系
Figure 25. 輸出電壓與輸出電流間的關系
Figure 27. 線路瞬態
Figure 29. 以 VIN 啟動
Figure 31. CCM 中的輸入紋波
Figure 33. DCM 中的輸出紋波
Figure 35. 輸出紋波跳躍
Figure 22. 效率與輸出電流間的關系
Figure 24. 靜態電流與輸入電壓間的關系
Figure 26. 負載瞬態
Figure 28. 以 ENA 啟動
Figure 30. DCM 中的輸入紋波
Figure 32. 輸入紋波跳躍
Figure 34. CCM 中的輸出紋波
Figure 36. DCM 應用原理圖
本示例詳細介紹了使用陶瓷輸出電容的低輸出電流、固定開關穩壓器設計過程。在開始該設計過程前必須了解一些參數。這些參數通常在系統層面確定。對于該示例,我們將從下列已知參數入手:
| 輸出電壓 | 3.3V |
| 0mA 至 15mA 負載階躍瞬態響應 | ΔVOUT = 4% |
| 最大輸出電流 | 10mA |
| 最小輸出電流 | 3mA |
| 輸入電壓 | 24V(標稱值)10V 至 40V |
| 輸出電壓紋波 | VOUT 的 0.5% |
| 開關頻率 | 100kHz |
| 啟動輸入電壓(VIN 上升) | 9V |
| 停止輸入電壓(VIN 下降) | 8V |
最理想的情況是電源高效運行并且其開關頻率在輸出電流較低時恒定不變。開關頻率固定的電源提供可以預測的輸出電壓紋波及噪聲。對于低輸出電流源,按照傳統連續導通模式 (CCM) 設計方法計算得出的輸出電感較大。采用 CCM 電感將導致電源尺寸較大或影響高值直流電阻效率,替代方法是電源采用斷續導通模式 (DCM)。按照以下流程計算組件值,從而設計一款以斷續導通模式運行的電源。電源以 DCM 運行產生低輸出電流的優勢包括:開關頻率固定、輸出電感較低以及電感的直流電阻較低。使用頻移和跳頻公式估計最高開關頻率。
TPS54062 設計 用于 需要工作頻率固定不變且輸出電壓紋波在低輸出電流條件下較低的應用,因此 TPS54062 在輕載條件下不支持脈沖跳躍模式。由于該器件提供的受控導通時間最短,因此電源在一定輸出電流條件下將發生脈沖跳躍。為了確保電源在應用的輸出電流處不發生脈沖跳躍,選取的電感值應大于最小值。根據Equation 26 的計算結果,在最低負載條件下維持固定開關頻率所需的最小電感為 0.9mH。由于該公式基于理想狀態,未考慮損耗,因此假設最短受控輕載導通時間 (tonminll) 為 350ns。為了維持以 DCM 運行,電感大小和輸出電流應保持在最大值以下。使用Equation 27 計算得出的最大電感為 1.42mH。選擇伍爾特電子 (Wurth Elektronik) 的 744062102 電感。如果需要以 CCM 運行,使用先前的設計流程。
使用Equation 28,確保在輸出電流最大時不超出高側電源開關的最小電流限值。計算得出的峰值電流為 23.9mA,低于 134mA 電流限制。為了確定電感和輸出電容的 RMS 電流,需要計算占空比。降壓穩壓器在 DCM 狀態下的占空比 (D1) 根據Equation 29 進行計算。D1 屬于高側電源開關導通時開關周期的一部分,計算結果為 0.1153。D2 屬于低側電源開關導通時開關周期的一部分,計算結果為 0.7253。
根據Equation 31 和Equation 32 計算得出的電感和輸出電容 RMS 電流分別為 12.8mA 和 7.6mA。選擇額定值高于 RMS 計算值的組件。使用Equation 33 至Equation 35 計算輸出電容并選取最大值,VRIPPLE 為穩態電壓紋波,而 ΔV 為瞬態電壓變化。計算得出的最低輸出電容為 1.5µF。因老化、溫度及直流偏置而產生的附加電容降額應納入考量范圍,輸出電容的最小值應在上述情況下有所提升。該示例中采用 ESR 為 5mΩ 的 22µF、6.3V、X7R 陶瓷電容。為了提供低輸出紋波電源,請使用 ESR 較低的電容。根據Equation 36 估算輸入電容的最大 ESR。根據Equation 37 和Equation 38 估算輸入電容的 RMS 電流和電容。計算得出的 RMS 電流為 3.7mA,電容為 0.2µF。該示例使用 1µF 100V/X7R 陶瓷電容。













此處介紹的方法易于計算,涵蓋器件內部的斜率補償效果。該方法假設分頻頻率介于調制器極點和 ESR 零點之間,ESR 零點應至少為調制器極點的 10 倍。輸出組件確定后,使用以下公式關閉反饋回路。當電流模式受控的電源以 DCM 模式運行時,其傳遞函數含有一個 ESR 零點和極點,如Equation 39 所示。為了計算電流模式功率級增益,分別根據Equation 40 和Equation 41 先后計算 Kdcm(DCM 增益)與 Fm(調制器增益)。Kdcm 和 Fm 分別為 26.3 和 1.34。根據Equation 42 和Equation 43 計算極點和 ESR 零點。極點和零點分別為 67Hz 和 2MHz。使用Equation 44 或Equation 45 二者中的較小值作為分頻頻率起始點。Equation 44 為功率級極點和 ESR 零點的幾何平均數,Equation 45 為功率級極點和開關頻率的幾何平均數。根據Equation 45 選定的分頻頻率選為 2.5kHz。
為了確定補償電阻 RCOMP,請使用Equation 46。假設功率級跨導 (gmps) 為 0.65A/V。輸出電壓 (VO)、基準電壓 (VREF) 和誤差放大器跨導 (gmea) 分別為 3.3V、0.8V 和 102µs。計算得出的 RCOMP 為 32.7kΩ,選取最為接近的 32.4kΩ 標準電阻。根據Equation 47 設置調制器極點頻率的零點補償。根據Equation 47 得出的補償電容 CCOMP 等于 139nF,因此電路板中應用 330nF 電容。使用Equation 48 和Equation 49 中的較大值計算設置補償極點的 CPOLE。根據Equation 49 得出 C6 等于 98pF,因此使用最為接近的 100pF 標準值。











Figure 37. 效率與輸出電流間的關系
Figure 39. 增益與相位間的關系
Figure 38. 效率與輸出電流間的關系
Figure 40. 輸出電壓與輸出電流間的關系
Figure 41. 靜態電流與輸入電壓間的關系
Figure 43. 空載瞬態
Figure 45. 以 VIN 啟動
Figure 47. 以 VIN 預偏置啟動
Figure 49. CCM 下的輸入和輸出紋波
Figure 42. 負載瞬態
Figure 44. 以 ENA 啟動
Figure 46. 以 ENA 預偏置啟動
Figure 48. DCM 下的輸入和輸出紋波