ZHCS169D May 2011 – July 2016 TPS54062
PRODUCTION DATA.
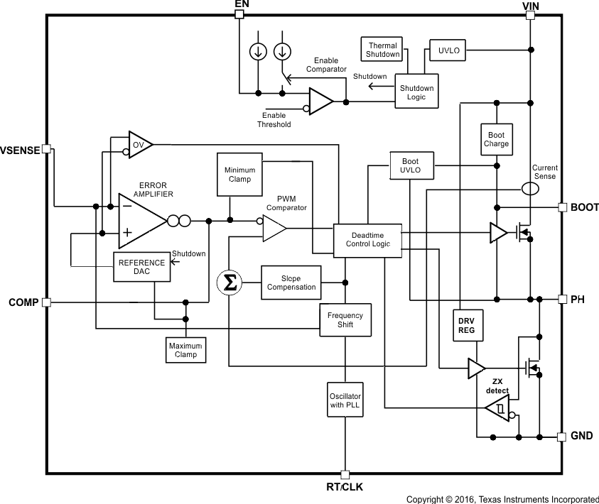
TPS54062 器件是一款 60V、50mA 降壓穩壓器,集成了高側和低側 N 溝道 MOSFET。為了提高線路和負載瞬態性能,該器件實現了恒定頻率、電流模式控制,降低了輸出電容并簡化了外部頻率補償設計。
在選擇輸出濾波器組件時,100kHz 至 400kHz 開關頻率優化了效率和尺寸。開關頻率通過 RT/CLK 引腳上的接地電阻進行調節。該器件的 RT/CLK 引腳具有一個內部鎖相環 (PLL),用于同步電源開關導通與外部系統時鐘下降沿。
TPS54062 的默認啟動電壓約為 4.5V。EN 引腳提供一個內部上拉電流源,通過該電流源和 2 個外部電阻可調節輸入電壓欠壓鎖定 (UVLO) 閾值。此外,上拉電流提供一項默認條件。當 EN 引腳懸空時,器件將會工作。當未進行開關并處于空載條件下時,其工作電流為 89 µA。該器件禁用后,電源電流為 1.7 µA。
集成的 1.5Ω 高側 MOSFET 和 0.8Ω 低側 MOSFET 實現了高效電源設計,能夠向負載持續輸出 50mA 電流。
TPS54062 通過集成自舉再充電二極管減少外部組件數量。BOOT-PH 引腳連接的電容為集成高側 MOSFET 提供偏置電壓。UVLO 電路監測自舉電容電壓,當其降至預設閾值以下時,高側 MOSFET 隨即關斷。TPS54062 通過自舉 UVLO 支持高占空比運行。輸出電壓可降至與 0.8V 基準電壓等同的水平。
TPS54062 提供內部輸出 OV 保護,如果輸出電壓達到標稱輸出電壓的 109%,高側 MOSFET 禁用。
TPS54062 通過集成使用基準 DAC 系統的緩慢啟動時間減少外部組件數量。
在過載條件下,TPS54062 通過過載恢復電路重置緩慢啟動時間。故障條件消除后,過載恢復電路將緩慢啟動輸出,使其由故障電壓恢復至標稱穩壓電壓。頻率折返電路降低了啟動過程中和過流故障條件下的開關頻率,從而協助控制電感電流。
TPS54062 采用固定頻率可以調節的峰值電流模式控制機制。驅動 COMP 引腳的誤差放大器通過 VSENSE 引腳的外部電阻將輸出電壓與內部基準電壓進行比較。內部振蕩器開啟高側電源開關。誤差放大器輸出與高側電源開關電流進行比較。當電源開關電流升至 COMP 電壓設定的水平后,電源開關隨即斷開。COMP 引腳電壓隨輸出電流的上升或下降而上升或下降。該器件通過將 COMP 引腳電壓鉗制于最高水平實現限流。
TPS54062 在開關電流信號中加入了補償斜坡。該斜坡補償可避免次諧波振蕩。
TPS54062 為誤差放大器提供了一個跨導放大器。誤差放大器將 VSENSE 電壓與內部緩慢啟動電壓和 0.8V 內部基準電壓的較小者進行比較。誤差放大器在正常運行過程中的跨導 (gm) 為 102µS。緩慢啟動運行過程中的跨導等于正常運行跨導的一小部分。為 COMP 接地引腳添加頻率補償組件(電容、串聯電阻和電容組合)。
電壓基準系統針對具有溫度穩定性的帶隙電路輸出進行調節,從而在整個溫度范圍內生成 ±2V 精密電壓基準
輸出電壓可通過輸出節點和 VSENSE 引腳間的電阻分壓器進行設置。TI 建議采用 1% 容差或更優分壓電阻。起始階段采用 10kΩ RLS 電阻并按照Equation 1 計算 RHS。

當 VIN 引腳電壓升至 4.53V 以上且 EN 引腳電壓超過 EN 上升閾值 (1.24V) 時,TPS54062 使能。EN 引腳提供 1.2µA 內部上拉電流源 I1。該電流源在 EN 引腳處于懸空狀態時提供默認使能條件。
如果某一應用要求提高輸入欠壓鎖定 (UVLO) 閾值,采用 Figure 18 所示電路通過兩外部電阻調節輸入電壓 UVLO。EN 引腳電壓超出 1.24V 后,將從 EN 引腳額外拉取 3.5µA 遲滯電流 (Ihys)。EN 引腳電壓拉至 1.14V 以下后,3.5µA Ihys 電流消除。該附加電流有助于調節輸入電壓遲滯。為了獲取所需輸入起始和停止電壓,根據Equation 2 計算 RUVLO1。同理,根據Equation 3 計算 RUVLO2。
對于 設計為 以相對較低的輸入電壓(例如 4.7V 至 10V)啟動并耐受高輸入電壓(例如 40V 至 60V)的應用,EN 引腳在高輸入電壓條件下承受的電壓可能高于最大絕對電壓 (8V)。TI 建議使用齊納二極管將引腳電壓鉗制于絕對最大額定值以下。
Figure 18. 可調節欠壓鎖定


通過在 RT/CLK 引腳連接一個電阻,TPS54062 的開關頻率可以在 100kHz 至 400kHz 寬頻范圍內進行調節。RT/CLK 引腳電壓通常為 0.53V,必須連接接地電阻以設置開關頻率。為了確定給定開關頻率的定時電阻,請使用Equation 4。為了縮減解決方案尺寸,常用方法是盡量提升開關頻率,但應考慮電源效率、最高輸入電壓與最短受控導通時間之間的平衡。最短受控導通時間通常為 130ns,最高運行輸入電壓因此受限。最高開關頻率也將受到頻移電路的限制。下文就最高開關頻率的詳細內容展開深入討論。

TPS54062 實現了電流模式控制機制,基于逐周期偏置,利用 COMP 引腳電壓關斷高側 MOSFET。開關電流和 COMP 引腳電壓在各周期內進行比較,當峰值開關電流與 COMP 電壓相交后,高側開關關斷。輸出電壓在過流條件下拉低,誤差放大器通過將 COMP 引腳驅動為高電平進行響應,以此提升開關電流。誤差放大器輸出受到內部鉗制,此時用于限制開關電流。
為了提升高輸入電壓條件下的最高運行開關頻率,TPS54062 實現了一種頻移電路。隨著 VSENSE 引腳電壓由 0 升至 0.8V,開關頻率進行 8 分頻、4 分頻、2 分頻及無分頻。該器件實現了數字頻移,支持在正常啟動和故障條件下與外部時鐘同步。由于僅可對開關頻率進行 8 分頻,因此最高輸入電壓受限,該器件在此輸入電壓下正常運行并且仍然提供頻移保護。在短路事件 過程中(尤其是高輸入電壓應用發生短路),控制回路的最短受控導通時間有限并輸出低電壓。在開關導通過程中,由于輸入電壓較高且導通時間最短,電感電流升至峰值電流限值。在開關關斷過程中,電感的關斷時間和輸出電壓通常不足,導致其電壓無法恢復初始水平。頻移電路有效延長了器件關斷時間,允許電流逐步降低。


其中:
IO = 輸出電流
ICL = 電流限值
VIN = 輸入電壓
VOUT = 輸出電壓
VOUTSC = 短路狀態下的輸出電壓
RDC = 電感電阻
RHS = 高側 MOSFET 電阻
RLS = 低側 MOSFET 電阻
ton = 受控導通時間
fdiv = 分頻系數(等于 1、2、4 或 8)
可以使用 RT/CLK 引腳將穩壓器與外部系統時鐘同步。為了實現同步功能,按照Figure 19 所示的任一電路網絡將方波信號與 RT/CLK 引腳相連。方波信號幅值必須在 RT/CLK 引腳電壓低于 0.5V 和 高于 1.3V 時進行轉換,導通時間和關斷時間均超過 40ns。同步頻率范圍為 300kHz 至 400kHz。PH 的上升沿將與 RT/CLK 引腳信號的下降沿同步。外部同步電路設計應滿足以下要求:器件在 RT/CLK 引腳與接地端之間默認連接頻率設置電阻,同步信號應關斷。對于在關斷狀態下不處于高阻抗狀態或三態的時鐘信號,TI 建議按Figure 19 所示連接頻率設置電阻并通過另一電阻(例如 50Ω)進行接地。總電阻應將開關頻率設置為接近外部 CLK 頻率。TI 建議使用一個 10pF 陶瓷電容將同步信號交流耦合至 RT/CLK 引腳。當 CLK 第一次拉至 CLK 閾值以上后,該器件由 RT 電阻設定頻率的模式切換至 PLL 模式。PLL 開始鎖定外部信號后,0.5V 內部電壓源斷開,CLK 引腳呈高阻抗狀態。由于穩壓器提供一個 PLL,因此開關頻率可以高于或低于通過外部電阻設定的頻率。該器件由電阻模式轉換為 PLL 模式,此后增大或降低開關頻率,直至 PLL 在 100 毫秒內鎖定 CLK 頻率。當器件由 PLL 轉換至電阻模式后,開關頻率將由 CLK 頻率緩慢降至 150kHz,然后重新施加 0.5V 電壓,電阻隨即設置開關頻率。隨著 VSENSE 引腳電壓由 0 升至 0.8V,開關頻率進行 8 分頻、4 分頻、2 分頻及無分頻。該器件實現了數字頻移,支持在正常啟動和故障條件下與外部時鐘同步。
Figure 19. 與系統時鐘同步
TPS54062 采用過壓瞬態保護 (OVTP) 電路,當器件由輸出故障條件或強空載瞬態條件(出現于采用低值輸出電容的電源設計)恢復時,可以最大程度削弱電壓過沖。例如,電源輸出發生過載后,誤差放大器將實際輸出電壓與內部基準電壓進行比較。如果 VSENSE 引腳電壓長時間低于內部基準電壓,誤差放大器輸出將鉗制于一定高電壓,以此進行響應。因此將請求最大輸出電流。該條件消除后,穩壓器輸出上升,誤差放大器輸出轉換至穩態占空比模式。在某些 應用中,電源輸出電壓的響應速度會超過誤差放大器,進而可能導致輸出過沖。
通過實現一款將 VSENSE 引腳電壓與 OVTP 閾值(大小等于內部基準電壓的 109%)進行比較的電路,OVTP 功能在使用低值輸入電容時最大限度降低輸出過沖。如果 VSENSE 引腳電壓高于 OVTP 閾值,高側 MOSFET 禁用,避免電流流入輸出并最大程度降低輸出過沖。當 VSENSE 電壓降至 OVTP 閾值以下后,高側 MOSFET 可在下一時鐘周期導通。
該器件實現內部熱關斷,在結溫超過 146°C 時保護自身免于受損。當結溫超出熱跳變閾值后,熱關斷強制器件停止切換。芯片溫度降至 146°C 以下后,該器件通過重啟內部緩慢啟動再次啟動上電序列。
建議 TPS54062 以超過 4.7V 的輸入電壓運行。VIN UVLO 閾值為 4.53V(典型值)。當輸入電壓降至 UVLO 電壓后,該器件可以正常運行。當輸入電壓低于實際 UVLO 電壓時,該器件不再進行切換。如果 EN 懸空或以外部方式上拉至 1.24V 上升閾值(典型值)以上,TPS54062 將在 V(VIN) 超出 UVLO 閾值時激活。切換功能啟用,緩慢序列隨之啟動。在由開關頻率設置的內部緩慢啟動時間段內,內部基準 DAC 電壓在 TPS54062 的作用下開始以線性方式由 0V 斜升至基準電壓。
使能啟動閾值電壓為 1.24V(典型值)。當 EN 持續低于上升閾值電壓 1.24V(典型值),TPS54062 處于禁用狀態并禁止進行切換,即使 VIN 高于器件的 UVLO 閾值同樣如此。這種狀態下的靜態電流有所降低。如果 EN 電壓升至上升閾值電壓以上,同時 V(VIN) 高于 UVLO 閾值,該器件激活。切換功能啟用,緩慢序列隨之啟動。在由開關頻率設置的內部緩慢啟動時間段內,內部基準 DAC 電壓在 TPS54062 的作用下開始以線性方式由 0V 斜升至基準電壓。如果 EN 下拉至下降閾值 1.14V(典型值)以下,TPS54062 將重新進入低靜態電流狀態。