ZHCSJG7D March 2019 – February 2024 TMUX1101 , TMUX1102
PRODUCTION DATA
請參考 PDF 數據表獲取器件具體的封裝圖。
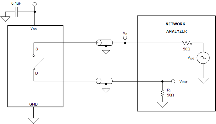
Off isolation is defined as the ratio of the signal at the drain pin (D) of the device when a signal is applied to the source pin (S) of an off-channel. The characteristic impedance, Z0, for the measurement is 50Ω. Figure 7-6 shows the setup used to measure off isolation. Use off isolation equation to compute off isolation.
Figure 7-6 Off Isolation Measurement
Setup