ZHCSCD2B April 2014 – August 2014 TMP75B
PRODUCTION DATA.
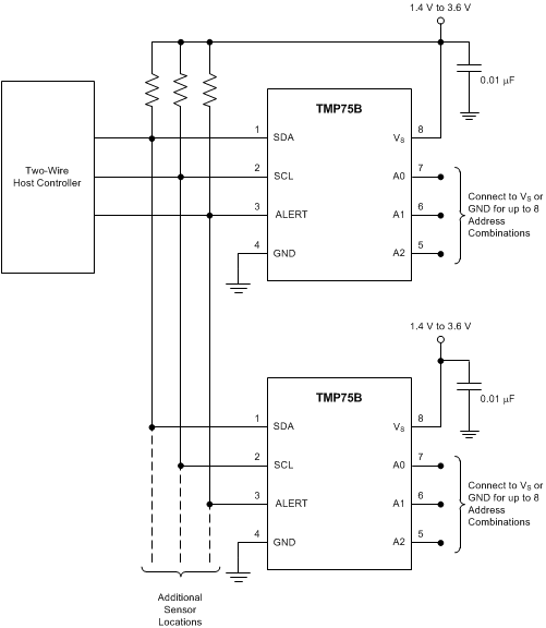
The TMP75B is used to measure the PCB temperature of the location it is mounted. The programmable address options allow up to eight locations on the board to be monitored on a single serial bus. Connecting the ALERT pins together and programming the temperature limit registers to desired values allows for a temperature watchdog operation of all devices, interrupting the host controller only if the temperature exceeds the limits.
Figure 19. Temperature Monitoring of Multiple Locations on a PCB
The TMP75B only requires pull-up resistors on SDA and ALERT, although a pull-up resistor is typically present on the SCL as well. A 0.01-μF bypass capacitor on the supply is recommended, as shown in Figure 19. The SCL, SDA, and ALERT lines can be pulled up to a supply that is equal to or higher than VS through the pull-up resistors. To configure one of eight different addresses on the bus, connect A0, A1, and A2 to either VS or GND.
The TMP75B should be placed in close proximity to the heat source to be monitored, with a proper layout for good thermal coupling. This ensures that temperature changes are captured within the shortest possible time interval.
Figure 20 shows the step response of the TMP75B to a submersion in an oil bath of 100°C from room temperature (27°C). The time-constant, or the time for the output to reach 63% of the input step, is 1.5 seconds.
