ZHCSF91B November 2015 – December 2024 LMR14030-Q1
PRODUCTION DATA
當 VIN 引腳電壓上升到 3.7V(典型值)以上且 EN 引腳電壓超過 1.2V(典型值)的使能閾值至少 25μs 時,將啟用 LMR14030-Q1。當 VIN 引腳電壓降低到 3.42V(典型值)以下或 EN 引腳電壓低于 1.2V 至少 25μs 時,將禁用 LMR14030-Q1。EN 引腳有一個內部上拉電流源(通常 IEN = 1μA),這可以在 EN 引腳懸空時支持 LMR14030-Q1 的運行。
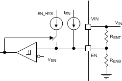
許多應用都受益于采用使能分壓器 RENT 和 RENB(在圖 6-3 中)來為轉換器建立精密的系統 UVLO 電平。系統 UVLO 可用于由市電和電池供電運行的電源。系統 UVLO 可用于實現時序控制,從而確??煽窟\行或供電保護(例如電池)。此外,還可使用外部邏輯信號驅動 EN 輸入來實現系統時序控制和保護。
當 EN 端子電壓超過 1.2V 時,EN 端子會提供額外的遲滯電流(通常 IHYS = 3.6μA)。當 EN 端子被拉至 1.2V 以下時,IHYS 電流將消失。這一額外的電流有助于實現可調輸入電壓 UVLO 遲滯??梢允褂?a xmlns:opentopic="http://www.idiominc.com/opentopic" class="xref" href="#SNVSAG38059">方程式 2 和方程式 3 來計算 RENT 和 RENB,從而獲得所需的 UVLO 遲滯電壓。
圖 6-3 由使能分壓器實施的系統 UVLO

其中,VSTART 是啟用 LMR14030-Q1 所需的電壓閾值,VSTOP 是禁用器件所需的電壓閾值。