ZHCSKA7F May 2019 – June 2021 LM61460-Q1
PRODUCTION DATA
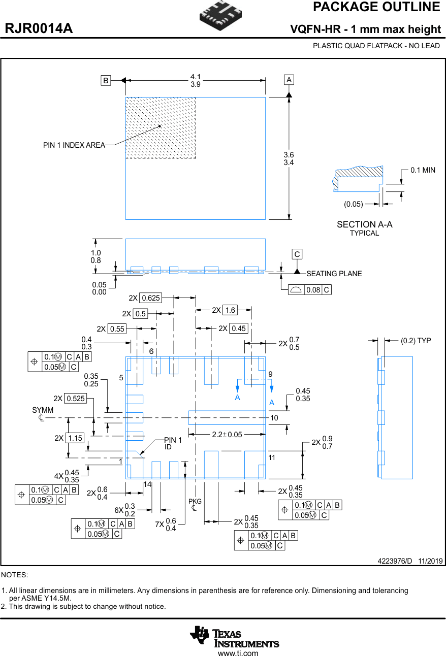
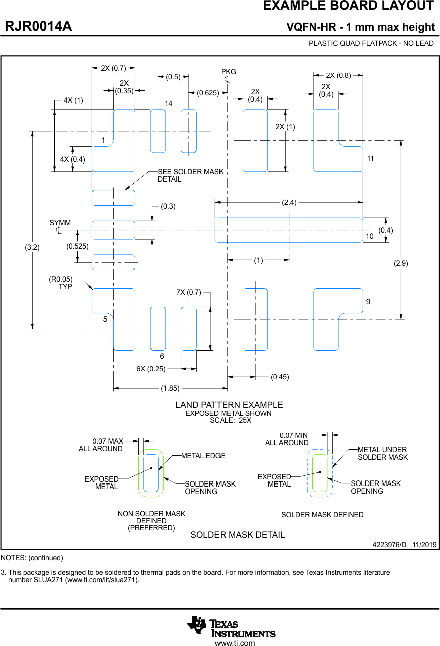
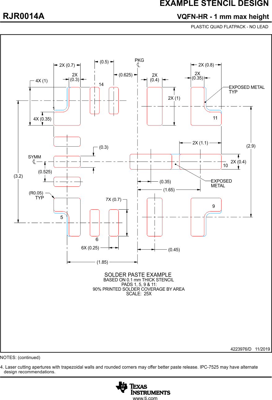
The following pages include mechanical, packaging, and orderable information. This information is the most current data available for the designated devices. This data is subject to change without notice and revision of this document. For browser-based versions of this data sheet, refer to the left-hand navigation.


