ZHCSQD0 April 2022 LM5013-Q1
PRODUCTION DATA

| VOUT = 12 V | RON = 102 kΩ | LO = 22 μH |

| VOUT = 12 V | RON = 102 kΩ | LO = 22 μH |

| VIN = 48 V | VOUT = 12 V | IOUT = 0 A |

| VIN = 48 V | VOUT 12 V | Load = 0 A to Short |

| VIN = 48 V | VOUT = 12 V | IOUT = 3.5 A |

| VIN = 48 V | VOUT = 12 V | IOUT = 3.5 A |

| VOUT = 12 V | RON = 102 kΩ | LO = 22 μH |

| VIN = 48 V | VOUT = 12 V | IOUT
= 1.75 A to 3.5 A (Rise/fall time = 1A/μS) |

| VIN = 48 V | VOUT 12 V | Load = 0 A to Short |

| VIN = 48 V | VOUT 12 V | IOUT = 200 mA |

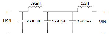
| Filter used for EMC scan. Additionally, the regulator was housed in an enclosed shield. |