ZHCSLV1B August 2018 – August 2021 DRV8350F , DRV8353F
PRODUCTION DATA
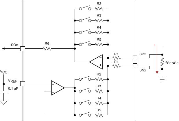
在 DRV8353F SPI 器件上,可以使用 VREF_DIV 位來移除 VREF 分壓器。在這種情況下,分流放大器單向運行,SOx 輸出的模擬電壓等于 SPx 和 SNx 引腳上的電壓乘以增益設置值 (GCSA)??梢允褂?a xmlns:opentopic="http://www.idiominc.com/opentopic" class="xref" href="#X444">Equation4 來計算流過分流電阻器的電流。

圖 8-27 單向電流感測配置
圖 8-28 單向電流感測輸出
圖 8-29 單向電流感測區域