ZHCU962 February 2022 TPS7H5002-SP , TPS7H5003-SP , TPS7H5004-SP

圖 5-2 TPS7H5001EVM-CVAL 原理圖(第 2 頁)
圖 5-3 TPS7H5001EVM-CVAL 原理圖(第 3 頁)
圖 5-4 TPS7H5002EVM-CVAL 原理圖(第 1 頁)
圖 5-5 TPS7H5002EVM-CVAL 原理圖(第 2 頁)
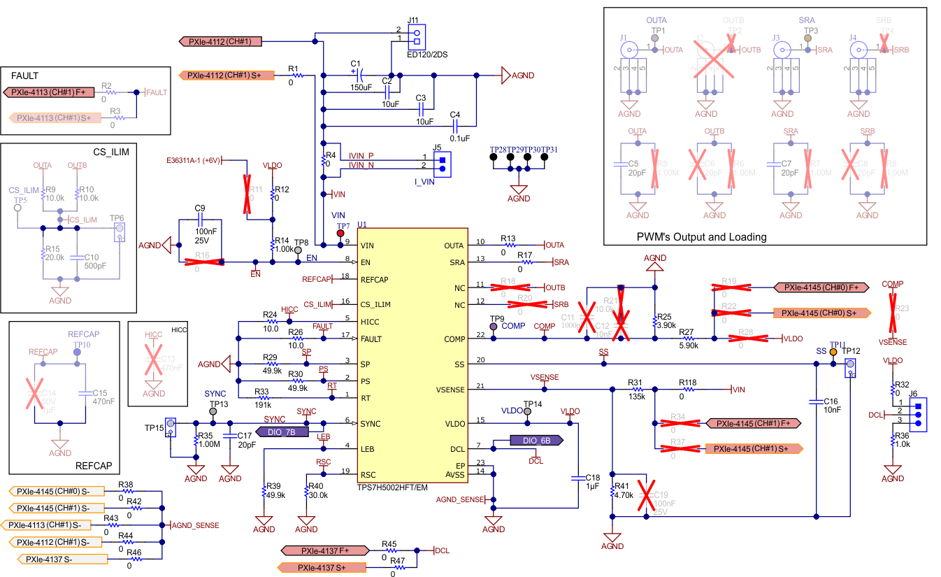
圖 5-6 TPS7H5002EVM-CVAL 原理圖(第 3 頁)
圖 5-7 TPS7H5003EVM-CVAL 原理圖(第 1 頁)
圖 5-8 TPS7H5003EVM-CVAL 原理圖(第 2 頁)
圖 5-9 TPS7H5003EVM-CVAL 原理圖(第 3 頁)
圖 5-10 TPS7H5004EVM-CVAL 原理圖(第 1 頁)
圖 5-11 TPS7H5004EVM-CVAL 原理圖(第 2 頁)
圖 5-12 TPS7H5004EVM-CVAL 原理圖(第 3 頁)