KOKA004B january 2018 – july 2021 LF347 , LF353 , LM348 , MC1458 , TL022 , TL061 , TL062 , TL071 , TL072 , UA741
?? ?? ???? ??? ???? ??? ????. ? ?? ?? ??? ???? ??? ???? ?? ??? ???? ??? ??? ?????. ?? ?? ?? ?? ?? VICR? ???? ??? ???? ??? ????.
?? 5-2? ?? 4-1? ?? ??? ??? ???? ?? ?? ?? ??? ?????. VIN? VCC - 0.9V?? ???, ?? ?????? ?? ??? ??????.
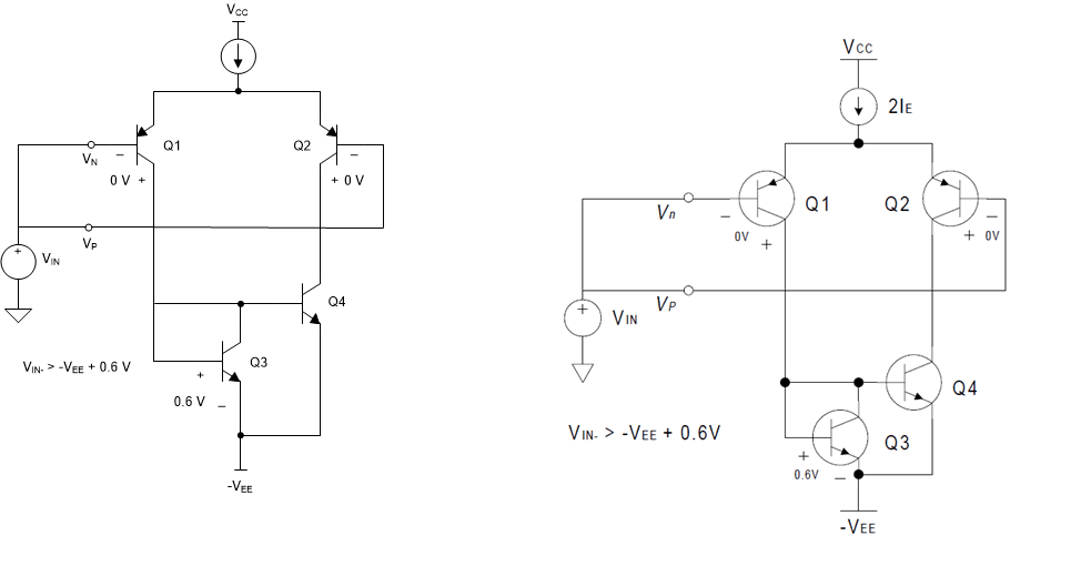
?? 5-2 ?? ?? ?? ?? ?? ???? 5-3? ?? 4-1? ?? ??? ??? ???? ?? ?? ?? ??? ?????. VIN? –VEE + 0.6V?? ??? ?? ??(Q3-Q4)? ??????.
?? 5-3 ?? ?? ?? ?? ????? ?? ? ?? ?? ??? ?? ?? ?? ???? ?? ? ?? ???? ???? ?? ? ? ????. ?? ???? ?? ??? ??? ???? ?? ?? ?? ?? ??? ???? ?? ? ??? ?? ?? ?? ??? ??? ? ????. ??? ?? ?? ? ? ????(?? ???? Texas Instruments? ?? ?? Amplifiers, Comparators, and Special Functions?? ? ? ????).



