ZHCSY83D November 2005 – July 2025 TS5A3157
PRODUCTION DATA
圖 6-1 導(dǎo)通狀態(tài)電阻 (ron)
圖 6-2 關(guān)斷狀態(tài)漏電流(INC(OFF)、INO(OFF))
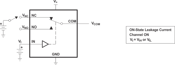
圖 6-3 導(dǎo)通狀態(tài)漏電流(ICOM (ON)、INC (ON)、INO(ON))
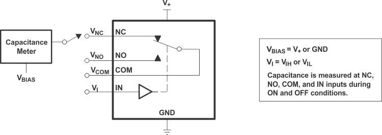
圖 6-4 電容(CI、CCOM(ON)、CNC(OFF)、CNO(OFF)、CNC(ON)、CNO(ON))

圖 6-7 帶寬 (BW)
圖 6-8 關(guān)斷隔離 (OISO)
圖 6-9 串?dāng)_ (XTALK)
