ZHCSCL8 July 2014 TPS54060-EP
PRODUCTION DATA.
The TPS54060 device is a 60-V, 0.5-A, step-down (buck) regulator with an integrated high-side N-channel MOSFET. To improve performance during line and load transients, the device implements a constant frequency, current mode control, which reduces output capacitance and simplifies external frequency compensation design. The wide switching frequency of 100 to 2500 kHz allows for efficiency and size optimization when selecting the output filter components. The switching frequency is adjusted using a resistor to ground on the RT/CLK pin. The device has an internal phase lock loop (PLL) on the RT/CLK pin that is used to synchronize the power switch turn on to a falling edge of an external system clock.
The TPS54060 has a default start-up voltage of approximately 2.5 V. The EN pin has an internal pullup current source that can be used to adjust the input voltage UVLO threshold with two external resistors. In addition, the pullup current provides a default condition. When the EN pin is floating, the device will operate. The operating current is 116 μA when not switching and under no load. When the device is disabled, the supply current is
1.3 μA.
The integrated 200-mΩ high-side MOSFET allows for high-efficiency power supply designs capable of delivering 0.5 A of continuous current to a load. The TPS54060 reduces the external component count by integrating the boot recharge diode. The bias voltage for the integrated high-side MOSFET is supplied by a capacitor on the BOOT to PH pin. The boot capacitor voltage is monitored by an UVLO circuit and will turn the high-side MOSFET off when the boot voltage falls below a preset threshold. The TPS54060 can operate at high duty cycles because of the boot UVLO. The output voltage can be stepped down to as low as the 0.8-V reference.
The TPS54060 has a power good comparator (PWRGD), which asserts when the regulated output voltage is less than 92% or greater than 109% of the nominal output voltage. The PWRGD pin is an open-drain output which deasserts when the VSENSE pin voltage is between 94% and 107% of the nominal output voltage, allowing the pin to transition high when a pullup resistor is used.
The TPS54060 minimizes excessive output overvoltage (OV) transients by taking advantage of the OV power good comparator. When the OV comparator is activated, the high-side MOSFET is turned off and masked from turning on until the output voltage is lower than 107%.
The SS/TR (slow start/tracking) pin is used to minimize inrush currents or provide power supply sequencing during power up. A small value capacitor should be coupled to the pin to adjust the slow start time. A resistor divider can be coupled to the pin for critical power supply sequencing requirements. The SS/TR pin is discharged before the output powers up. This discharging ensures a repeatable restart after an overtemperature fault, UVLO fault, or a disabled condition.
The TPS54060, also, discharges the slow-start capacitor during overload conditions with an overload recovery circuit. The overload recovery circuit will slow start the output from the fault voltage to the nominal regulation voltage after a fault condition is removed. A frequency foldback circuit reduces the switching frequency during startup and overcurrent fault conditions to help control the inductor current.

The TPS54060 uses an adjustable fixed frequency, peak current mode control. The output voltage is compared through external resistors on the VSENSE pin to an internal voltage reference by an error amplifier which drives the COMP pin. An internal oscillator initiates the turn-on of the high-side power switch. The error amplifier output is compared to the high-side power switch current. When the power switch current reaches the level set by the COMP voltage, the power switch is turned off. The COMP pin voltage increases and decreases as the output current increases and decreases. The device implements a current limit by clamping the COMP pin voltage to a maximum level. Eco-Mode implements with a minimum clamp on the COMP pin.
The TPS54060 adds a compensating ramp to the switch current signal. This slope compensation prevents subharmonic oscillations. The available peak inductor current remains constant over the full duty cycle range.
The TPS54060 has an integrated boot regulator, and requires a small ceramic capacitor between the BOOT and PH pins to provide the gate drive voltage for the high-side MOSFET. The BOOT capacitor is refreshed when the high-side MOSFET is off and the low-side diode conducts. The value of this ceramic capacitor should be 0.1 μF. TI recommends a ceramic capacitor with an X7R or X5R grade dielectric with a voltage rating of 10 V or higher because of the stable characteristics overtemperature and voltage.
To improve dropout, the TPS54060 is designed to operate at 100% duty cycle as long as the BOOT to PH pin voltage is greater than 2.1 V. When the voltage from BOOT to PH drops below 2.1 V, the high-side MOSFET is turned off using an UVLO circuit, which allows the low-side diode to conduct and refresh the charge on the BOOT capacitor. Because the supply current sourced from the BOOT capacitor is low, the high-side MOSFET can remain on for more switching cycles than are required to refresh the capacitor, thus the effective duty cycle of the switching regulator is high.
The effective duty cycle during dropout of the regulator is mainly influenced by the voltage drops across the power MOSFET, inductor resistance, low-side diode and printed circuit board resistance. During operating conditions in which the input voltage drops and the regulator is operating in continuous conduction mode (CCM), the high-side MOSFET can remain on for 100% of the duty cycle to maintain output regulation, until the BOOT to PH voltage falls below 2.1 V.
Take care in maximum duty cycle applications which experience extended time periods with light loads or no load. When the voltage across the BOOT capacitor falls below the 2.1-V UVLO threshold, the high-side MOSFET is turned off, but there may not be enough inductor current to pull the PH pin down to recharge the BOOT capacitor. The high-side MOSFET of the regulator stops switching because the voltage across the BOOT capacitor is less than 2.1 V. The output capacitor then decays until the difference in the input voltage and output voltage is greater than 2.1 V, at which point the BOOT UVLO threshold is exceeded, and the device starts switching again until the desired output voltage is reached. This operating condition persists until the input voltage and/or the load current increases. TI recommends to adjust the VIN stop voltage greater than the BOOT UVLO trigger condition at the minimum load of the application using the adjustable VIN UVLO feature with resistors on the EN pin.
The start and stop voltages for typical 3.3- and 5-V output applications are shown in Figure 25 and Figure 26. The voltages are plotted versus load current. The start voltage is defined as the input voltage needed to regulate the output within 1%. The stop voltage is defined as the input voltage at which the output drops by 5% or stops switching.
During high duty cycle conditions, the inductor current ripple increases while the BOOT capacitor is being recharged, resulting in an increase in ripple voltage on the output. This increase occurs because the recharge time of the boot capacitor is longer than the typical high-side off time when switching occurs every cycle.

| VO = 3.3 V |

| VO = 5 V |
The TPS54060 has a transconductance amplifier for the error amplifier. The error amplifier compares the VSENSE voltage to the lower of the SS/TR pin voltage or the internal 0.8-V voltage reference. The transconductance (gm) of the error amplifier is 97 μA/V during normal operation. During slow-start operation, the transconductance is a fraction of the normal operating gm. When the voltage of the VSENSE pin is below 0.8 V and the device is regulating using the SS/TR voltage, the gm is 25 μA/V.
The frequency compensation components (capacitor, series resistor, and capacitor) are added to the COMP pin to ground.
The voltage reference system produces a precise ±2% voltage reference over temperature by scaling the output of a temperature stable bandgap circuit.
The output voltage is set with a resistor divider from the output node to the VSENSE pin. It is recommended to use 1% tolerance or better divider resistors. Start with a 10 kΩ for the R2 resistor and use the Equation 1 to calculate R1. To improve efficiency at light loads consider using larger value resistors. If the values are too high the regulator will be more susceptible to noise and voltage errors from the VSENSE input current will be noticeable

The TPS54060 is disabled when the VIN pin voltage falls below 2.5 V. If an application requires a higher UVLO, use the EN pin as shown in Figure 27 to adjust the input voltage UVLO by using the two external resistors. Though it is not necessary to use the UVLO adjust registers for operation, TI highly recommends to provide consistent power-up behavior. The EN pin has an internal pullup current source, I1, of 0.9 μA that provides the default condition of the TPS54060 device operating when the EN pin floats. After the EN pin voltage exceeds 1.25 V, an additional 2.9 μA of hysteresis, Ihys, is added. This additional current facilitates input voltage hysteresis. Use Equation 2 to set the external hysteresis for the input voltage. Use Equation 3 to set the input start voltage.
Figure 27. Adjustable UVLO


Figure 28 shows another technique to add input voltage hysteresis. Use this method if the resistance values are high from the previous method and a wider voltage hysteresis is needed. The resistor R3 sources additional hysteresis current into the EN pin.
Figure 28. Adding Additional Hysteresis


The TPS54060 effectively uses the lower voltage of the internal voltage reference or the SS/TR pin voltage as the power-supply's reference voltage and regulates the output accordingly. A capacitor on the SS/TR pin to ground implements a slow start time. The TPS54060 has an internal pullup current source of 2 μA that charges the external slow start capacitor. Equation 6 shows the calculations for the slow start time (10% to 90%). The voltage reference (VREF) is 0.8 V and the slow start current (ISS) is 2 μA. The slow start capacitor should remain lower than 0.47 μF and greater than 0.47 nF.

At power up, the TPS54060 does not start switching until the slow-start pin is discharged to less than 40 mV to ensure a proper power up, see Figure 29.
Also, during normal operation, the TPS54060 stops switching and the SS/TR must be discharged to 40 mV when either the VIN UVLO is exceeded, EN pin is pulled below 1.25 V, or a thermal shutdown event occurs.
The VSENSE voltage follows the SS/TR pin voltage with a 45-mV offset up to 85% of the internal voltage reference. When the SS/TR voltage is greater than 85% on the internal reference voltage, the offset increases as the effective system reference transitions from the SS/TR voltage to the internal voltage reference (see Figure 23). The SS/TR voltage ramps linearly until clamped at 1.7 V.
Figure 29. Operation of SS/TR Pin When Starting
The TPS54060 has an overload recovery (OLR) circuit. The OLR circuit slow starts the output from the overload voltage to the nominal regulation voltage after the fault condition is removed. The OLR circuit discharges the SS/TR pin to a voltage slightly greater than the VSENSE pin voltage using an internal pulldown of 100 μA when the error amplifier is changed to a high voltage from a fault condition. When the fault condition is removed, the output slow starts from the fault voltage to nominal output voltage.
Many of the common power supply sequencing methods can be implemented using the SS/TR, EN, and PWRGD pins. The sequential method can be implemented using an open-drain output of a power on reset pin of another device. Figure 30 shows the sequential method using two TPS54060 devices. The power good is coupled to the EN pin on the TPS54060, which enables the second power supply after the primary supply reaches regulation. If needed, a 1-nF ceramic capacitor on the EN pin of the second power supply provides a 1-ms start-up delay. Figure 31 shows the results of Figure 30.

Figure 31. Sequential Startup Using EN and PWRGD


Figure 32 shows a method for ratiometric start-up sequence by connecting the SS/TR pins together. The regulator outputs ramp up and reach regulation at the same time. When calculating the slow start time, the pullup current source must be doubled in Equation 6. Figure 33 shows the results of Figure 32.
Figure 34. Schematic for Ratiometric and Simultaneous Start-Up Sequence
Ratiometric and simultaneous power supply sequencing can be implemented by connecting the resistor network of R1 and R2 (see Figure 34) to the output of the power supply that needs to be tracked or another voltage reference source. Using Equation 7 and Equation 8, the tracking resistors can be calculated to initiate the Vout2 slightly before, after, or at the same time as Vout1. Equation 9 is the voltage difference between Vout1 and Vout2 at the 95% of nominal output regulation.
The deltaV variable is 0 V for simultaneous sequencing. To minimize the effect of the inherent SS/TR to VSENSE offset (Vssoffset) in the slow start circuit and the offset created by the pullup current source (Iss) and tracking resistors, the Vssoffset and Iss are included as variables in the equations.
To design a ratiometric start up in which the Vout2 voltage is slightly greater than the Vout1 voltage when Vout2 reaches regulation, use a negative number in Equation 7 through Equation 9 for deltaV. Equation 9 results in a positive number for applications in which the Vout2 is slightly lower than Vout1 when Vout2 regulation is achieved.
Because the SS/TR pin must be pulled below 40 mV before starting after an EN, UVLO, or thermal shutdown fault, carefully select the tracking resistors to ensure the device will restart after a fault. Make sure the calculated R1 value from Equation 7 is greater than the value calculated in Equation 10 to ensure the device can recover from a fault.
As the SS/TR voltage becomes more than 85% of the nominal reference voltage, the Vssoffset becomes larger as the slow start circuits gradually handoff the regulation reference to the internal voltage reference. The SS/TR pin voltage must be greater than 1.3 V for a complete handoff to the internal voltage reference, as shown in Figure 23.




The switching frequency of the TPS54060 is adjustable over a wide range from approximately 100 to 2500 kHz by placing a resistor on the RT/CLK pin. The RT/CLK pin voltage is typically 0.5 V and must have a resistor to ground to set the switching frequency. To determine the timing resistance for a given switching frequency, use Equation 11 or the curves in Figure 38 or Figure 39. To reduce the solution size, one would typically set the switching frequency as high as possible, but consider tradeoffs of the supply efficiency, maximum input voltage, and minimum controllable on-time.
The minimum controllable on-time is typically 130 ns and limits the maximum operating input voltage.
The maximum switching frequency is also limited by the frequency shift circuit. More details of the maximum switching frequency follow.


| VI = 12 V | TJ = 25°C |

| VI = 12 V | TJ = 25°C |
The TPS54060 implements current mode control, which uses the COMP pin voltage to turn off the high-side MOSFET on a cycle-by-cycle basis. Each cycle the switch current and COMP pin voltage are compared. When the peak switch current intersects the COMP voltage, the high-side switch is turned off. During overcurrent conditions that pull the output voltage low, the error amplifier responds by driving the COMP pin high, increasing the switch current. The error amplifier output is clamped internally, which functions as a switch current limit.
To increase the maximum operating switching frequency at high input voltages, the TPS54060 implements a frequency shift. The switching frequency is divided by 8, 4, 2, and 1 as the voltage ramps from 0 to 0.8 V on VSENSE pin.
The device implements a digital frequency shift to enable synchronizing to an external clock during normal startup and fault conditions. Because the device can only divide the switching frequency by 8, there is a maximum input voltage limit in which the device operates and still has frequency-shift protection.
During short-circuit events (particularly with high input voltage applications), the control loop has a finite minimum controllable on-time and the output has a low voltage. During the switch on time, the inductor current ramps to the peak current limit because of the high input voltage and minimum on-time. During the switch off time, the inductor would usually not have enough off time and output voltage for the inductor to ramp down by the ramp up amount. The frequency shift effectively increases the off time allowing the current to ramp down.
Select the switching frequency that is the lower value of the two equations, Equation 12 and Equation 13. Equation 12 is the maximum switching frequency limitation set by the minimum controllable on-time. Setting the switching frequency above this value will cause the regulator to skip switching pulses.
Equation 13 is the maximum switching frequency limit set by the frequency shift protection. To have adequate output short-circuit protection at high input voltages, the switching frequency should be set to be less than the ƒsw(maxshift) frequency. In Equation 13, to calculate the maximum switching frequency one must take into account that the output voltage decreases from the nominal voltage to 0 V, the fdiv integer increases from 1 to 8 corresponding to the frequency shift.
In Figure 40, the solid line shows a typical safe operating area regarding frequency shift and assumes the output voltage is 0 V and the resistance of the inductor is 0.130 Ω, FET on-resistance of 0.2 Ω, and the diode voltage drop is 0.5 V. The dashed line is the maximum switching frequency to avoid pulse skipping. Enter these equations in a spreadsheet, other software, or use the SwitcherPro design software to determine the switching frequency.


where

| VO = 3.3 V |
The RT/CLK pin can be used to synchronize the regulator to an external system clock. To implement the synchronization feature, connect a square wave to the RT/CLK pin through the circuit network shown in Figure 41. The square wave amplitude must transition lower than 0.5 V and higher than 2.2 V on the RT/CLK pin and have an on-time greater than 40 ns and an off time greater than 40 ns. The synchronization frequency range is 300 to 2200 kHz. The rising edge of the PH will be synchronized to the falling edge of RT/CLK pin signal. The external synchronization circuit should be designed so that the device will have the default frequency set resistor connected from the RT/CLK pin to ground should the synchronization signal turn off. TI recommends to use a frequency set resistor connected as shown in Figure 41 through a 50-Ω resistor to ground. The resistor should set the switching frequency close to the external CLK frequency. TI recommends to AC couple the synchronization signal through a 10-pF ceramic capacitor to RT/CLK pin and a 4-kΩ series resistor. The series resistor reduces PH jitter in heavy-load applications when synchronizing to an external clock and in applications which transition from synchronizing to RT mode. The first time the CLK is pulled above the CLK threshold, the device switches from the RT resistor frequency to PLL mode. The internal 0.5-V voltage source is removed and the CLK pin becomes high impedance as the PLL starts to lock onto the external signal. Because there is a PLL on the regulator, the switching frequency can be higher or lower than the frequency set with the external resistor. The device transitions from the resistor mode to the PLL mode and then increases or decreases the switching frequency until the PLL locks onto the CLK frequency within 100 µs.
When the device transitions from the PLL to resistor mode, the switching frequency slows down from the CLK frequency to 150 kHz, then reapplies the 0.5-V voltage, and then the resistor sets the switching frequency. The switching frequency is divided by 8, 4, 2, and 1 as the voltage ramps from 0 to 0.8 V on VSENSE pin. The device implements a digital frequency shift to enable synchronizing to an external clock during normal startup and fault conditions. Figure 42, Figure 43, and Figure 44 show the device synchronized to an external system clock in CCM, discontinuous conduction mode (DCM), and pulse skip mode (PSM).
Figure 41. Synchronizing to a System Clock
Figure 42. Plot of Synchronizing in CCM
Figure 44. Plot of Synchronizing in PSM
Figure 43. Plot of Synchronizing in DCM
The PWRGD pin is an open-drain output. When the VSENSE pin is between 94% and 107% of the internal voltage reference, the PWRGD pin is de-asserted and the pin floats. TI recommends to use a pullup resistor between the values of 10 and 100 kΩ to a voltage source that is 5.5 V or less. The PWRGD is in a defined state after the VIN input voltage is greater than 1.5 V, but with reduced current sinking capability. The PWRGD achieves full current sinking capability as VIN input voltage approaches 3 V.
The PWRGD pin is pulled low when the VSENSE is lower than 92% or greater than 109% of the nominal internal reference voltage. Also, the PWRGD is pulled low, if the UVLO or thermal shutdown are asserted or the EN pin pulled low.
The TPS54060 incorporates an OVTP circuit to minimize voltage overshoot when recovering from output fault conditions or strong unload transients on power supply designs with low-value output capacitance. For example, when the power supply output is overloaded, the error amplifier compares the actual output voltage to the internal reference voltage. If the VSENSE pin voltage is lower than the internal reference voltage for a considerable time, the output of the error amplifier responds by clamping the error amplifier output to a high voltage, thus requesting the maximum output current. When the condition is removed, the regulator output rises and the error amplifier output transitions to the steady-state duty cycle. In some applications, the power supply output voltage can respond faster than the error amplifier output can respond, this actuality leads to the possibility of an output overshoot. The OVTP feature minimizes the output overshoot, when using a low-value output capacitor, by implementing a circuit to compare the VSENSE pin voltage to OVTP threshold which is 109% of the internal voltage reference. If the VSENSE pin voltage is greater than the OVTP threshold, the high-side MOSFET is disabled, preventing current from flowing to the output and minimizing output overshoot. When the VSENSE voltage drops lower than the OVTP threshold, the high-side MOSFET is allowed to turn on at the next clock cycle.
The device implements an internal thermal shutdown to protect itself if the junction temperature exceeds 182°C. The thermal shutdown forces the device to stop switching when the junction temperature exceeds the thermal trip threshold. After the die temperature decreases below 182°C, the device reinitiates the power-up sequence by discharging the SS/TR pin.
Figure 45 shows an equivalent model for the TPS54060 control loop which can be modeled in a circuit simulation program to check frequency response and dynamic load response. The error amplifier is a transconductance amplifier with a gmEA of 97 μA/V. The error amplifier can be modeled using an ideal voltage-controlled current source. The resistor, Ro, and capacitor, Co, model the open-loop gain and frequency response of the amplifier. The 1-mV AC voltage source between the nodes a and b effectively breaks the control loop for the frequency response measurements. Plotting 'c' shows the small signal response of the frequency compensation. Plotting 'a' shows the small signal response of the overall loop. The dynamic loop response can be checked by replacing RL with a current source with the appropriate load step amplitude and step rate in a time domain analysis. This equivalent model is only valid for continuous conduction mode designs.
Figure 45. Small Signal Model for Loop Response Schematic
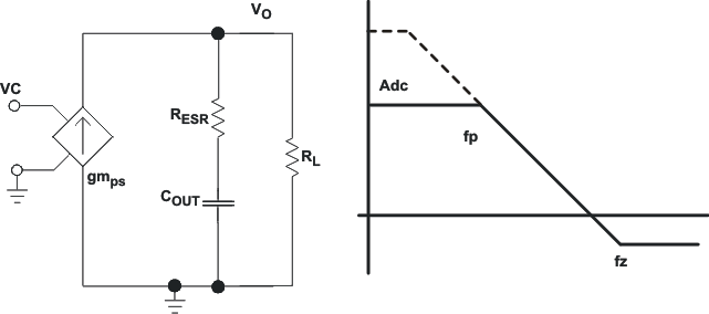
Figure 46 describes a simple small signal model that can be used to understand how to design the frequency compensation. The TPS54060 power stage can be approximated to a voltage-controlled current source (duty cycle modulator) supplying current to the output capacitor and load resistor. The control to output transfer function is shown in Equation 14 and consists of a DC gain, one dominant pole, and one ESR zero. The quotient of the change in switch current and the change in COMP pin voltage (node c in Figure 45) is the power stage transconductance. The gmPS for the TPS54060 is 1.9 A/V. The low-frequency gain of the power stage frequency response is the product of the transconductance and the load resistance as shown in Equation 15.
As the load current increases and decreases, the low-frequency gain decreases and increases, respectively. This variation with the load may seem problematic at first glance, but the dominant pole moves with the load current (see Equation 16). The combined effect is highlighted by the dashed line in the right half of Figure 46. As the load current decreases, the gain increases and the pole frequency lowers, keeping the 0-dB crossover frequency the same for the varying load conditions which makes it easier to design the frequency compensation. The type of output capacitor chosen determines whether the ESR zero has a profound effect on the frequency compensation design. Using high-ESR aluminum electrolytic capacitors may reduce the number frequency compensation components needed to stabilize the overall loop because the phase margin increases from the ESR zero at the lower frequencies (see Equation 17).
Figure 46. Simple Small Signal Model and Frequency Response for Peak Current Mode Control




The TPS54060 uses a transconductance amplifier for the error amplifier and readily supports three of the commonly-used frequency compensation circuits. Figure 47 shows compensation circuits Type 2A, Type 2B, and Type 1. Type 2 circuits most likely implemented in high-bandwidth power-supply designs using low-ESR output capacitors. The Type 1 circuit is used with power-supply designs with high-ESR aluminum electrolytic or tantalum capacitors. Equation 18 and Equation 19 show how to relate the frequency response of the amplifier to the small signal model in Figure 47. The open-loop gain and bandwidth are modeled using the RO and CO shown in Figure 47. See the application section for a design example using a Type 2A network with a low-ESR output capacitor.
Equation 18 through Equation 27 are provided as a reference for those who prefer to compensate using the preferred methods. Those who prefer to use prescribed method use the method outlined in the application section or use switched information.
Figure 47. Types of Frequency Compensation
Figure 48. Frequency Response of the Type 2A and Type 2B Frequency Compensation










The TPS54060 operates in a pulse skip Eco-mode at light load currents to improve efficiency by reducing switching and gate drive losses. The TPS54060 is designed so that if the output voltage is within regulation and the peak switch current at the end of any switching cycle is below the pulse skipping current threshold, the device enters Eco-mode. This current threshold is the current level corresponding to a nominal COMP voltage or 500 mV.
When in Eco-mode, the COMP pin voltage is clamped at 500 mV and the high-side MOSFET is inhibited. Further decreases in load current or in output voltage cannot drive the COMP pin below this clamp voltage level.
Because the device is not switching, the output voltage begins to decay. As the voltage control loop compensates for the falling output voltage, the COMP pin voltage begins to rise. At this time, the high-side MOSFET is enabled and a switching pulse initiates on the next switching cycle. The peak current is set by the COMP pin voltage. The output voltage recharges the regulated value (see Figure 49), then the peak switch current starts to decrease, and eventually falls below the Eco-mode threshold, at which time the device again enters Eco-mode.
For Eco-mode operation, the TPS54060 senses peak current, not average or load current, so the load current where the device enters Eco-mode depends on the output inductor value. For example, the circuit in Figure 50 enters Eco-mode at about 20 mA of output current. When the load current is low and the output voltage is within regulation, the device enters a sleep mode and draws only 116-μA input quiescent current. The internal PLL remains operating when in sleep mode. When operating at light load currents in PSM, switching transitions occur synchronously with the external clock signal.
Figure 49. PSM Operation
With an input voltage of 34 V, the power supply enters DCM when the output current is less than 60 mA. The power supply enters Eco-mode when the output current is lower than 38 mA.
The input current draw at no load is 228 μA.