ZHCSK56A August 2019 – July 2020 TMUX1208-Q1
PRODUCTION DATA
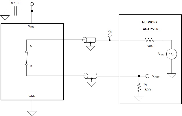
Bandwidth is defined as the range of frequencies that are attenuated by less than 3 dB when the input is applied to the source pin (Sx) of an on-channel, and the output is measured at the drain pin (D) of the device. Figure 7-10 shows the setup used to measure bandwidth.
Figure 7-10 Bandwidth Measurement Setup