ZHCSCX9 October 2014 RM41L232
PRODUCT PREVIEW Information. Product in design phase of development. Subject to change or discontinuance without notice.
德州儀器 (TI) 為 Hercules™ 安全 MCU 系列產品提供了大量的開發工具,其中包括評估處理器性能、生成代碼、開發算法執行的工具,以及完全集成和調試的軟件和硬件模塊。
下列產品支持基于 Hercules™ 應用的開發:
軟件開發工具
硬件開發工具
這個部分給出了首次進行開發 RM4x MCU 器件的步驟簡介。 有關這些步驟的詳細信息,請參閱以下內容:
為了表明產品開發周期的階段,TI 為所有 器件的部件號指定了前綴。每個器件有三個前綴中的一個:X,P 或無(無前綴)(例如,xRM46L852)。 這些前綴代表了產品開發的發展階段,即從工程原型直到完全合格的生產器件/工具。
器件開發進化流程:
x 和 P 器件和 TMDX 開發支持工具在供貨時附帶如下免責條款:
“開發的產品用于內部評估用途。”
生產器件已進行完全特性化,并且器件的質量和可靠性已經完全論證。 TI 的標準保修證書適用。
預測顯示原型器件的故障率大于標準生產器件。 由于它們的預計的最終使用故障率仍未定義,德州儀器 (TI) 建議不要將這些器件用于任何生產系統。 只有合格的產品器件將被使用。
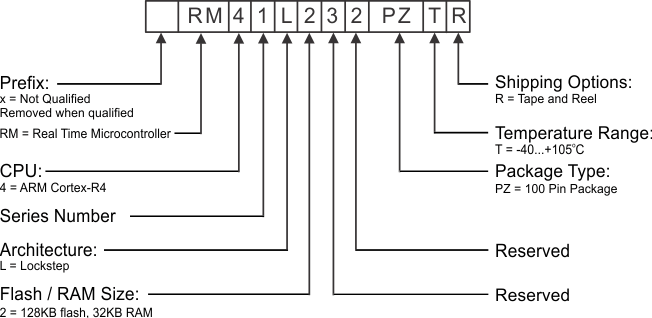
Figure 7-1給出了 RM41L232 的編號和符號命名規則。
Figure 7-1 器件編號慣例
下列鏈接提供到 TI 社區資源的連接。 鏈接的內容由各個分銷商“按照原樣”提供。 這些內容并不構成 TI 技術規范和標準且不一定反映 TI 的觀點;請見 TI 的使用條款。
Hercules, Code Composer Studio, XDS100, XDS560, E2E are trademarks of Texas Instruments.
ARM, Cortex are registered trademarks of ARM Limited (or its subsidiaries) in the EU and.
CoreSight is a trademark of ARM Limited.

ESD 可能會損壞該集成電路。德州儀器 (TI) 建議通過適當的預防措施處理所有集成電路。如果不遵守正確的處理措施和安裝程序 , 可能會損壞集成電路。
ESD 的損壞小至導致微小的性能降級 , 大至整個器件故障。 精密的集成電路可能更容易受到損壞 , 這是因為非常細微的參數更改都可能會導致器件與其發布的規格不相符。
該器件識別碼寄存器確定了器件的幾個方面,包括芯片版本。 器件識別碼寄存器的詳細信息顯示在Table 7-1中。 該器件的器件識別碼寄存器值是:
| 31 | 30 | 29 | 28 | 27 | 26 | 25 | 24 | 23 | 22 | 21 | 20 | 19 | 18 | 17 | 16 |
| CP-15 | 唯一 ID | 技術 | |||||||||||||
| R-1 | R-00000000100100 | R-0 | |||||||||||||
| 15 | 14 | 13 | 12 | 11 | 10 | 9 | 8 | 7 | 6 | 5 | 4 | 3 | 2 | 1 | 0 |
| TECH | I/O 電壓 | 外設奇偶校驗 | 閃存 ECC | RAM ECC | 版本 | 1 | 0 | 1 | |||||||
| R-101 | R-0 | R-1 | R-10 | R-1 | R-00001 | R-1 | R-0 | R-1 | |||||||
| 圖例:R/W = 讀/寫;R = 只讀;-n = 復位后的值 |
| 位 | 字段 | 值 | 說明 |
|---|---|---|---|
| 31 | CP15 | 表明協同處理器 15 的存在 | |
| 1 | CP15 存在 | ||
| 30-17 | 唯一 ID | 100100 |
芯片版本(修訂版)位。 此位字段擁有一個針對專用器件配置(芯片)的唯一編號。 |
| 16-13 | TECH | 器件的生產工藝。 | |
| 0101 | F021 | ||
| 12 | I/O 電壓 | 該器件的 I/O 電壓。 | |
| 0 | I/O 是 3.3v | ||
| 11 | 外設奇偶校驗 | 外設奇偶校驗 | |
| 1 | 外設存儲器的奇偶校驗 | ||
| 10-9 | 閃存 ECC | 閃存 ECC | |
| 10 | 帶 ECC 的程序存儲器 | ||
| 8 | RAM ECC | 表示 RAM 內存 ECC 是否存在。 | |
| 1 | ECC 被執行 | ||
| 7-3 | 修訂版本 | 0 | 該器件的修訂版本。 |
| 2-0 | 系列 ID | 101 | 平臺系列 ID 一直是 0b101 |
位于地址 0xFFFFFF7C 和 0xFFFFFF80 的兩個芯片 ID 寄存器構成了一個 64 位芯片 ID,其中含有如Table 7-2 所示的信息。
| 項目 | 位編號 | 位位置 |
|---|---|---|
| 晶圓上的 X 坐標 | 12 | 0xFFFFFF7C[11:0] |
| 晶圓上的Y 坐標 | 12 | 0xFFFFFF7C[23:12] |
| 晶圓 # | 8 | 0xFFFFFF7C[31:24] |
| 批號 # | 24 | 0xFFFFFF80[23:0] |
| 被保留 | 8 | 0xFFFFFF80[31:24] |
以下通信模塊已經被授予遵守標準的認證。
Figure 7-3 DCAN 認證
Figure 7-4 LIN 認證 - 主控模式
Figure 7-5 LIN 認證 - 受控模式 - 固定波特率
Figure 7-6 LIN 認證 - 受控模式 - 自適應波特率