ZHCSKB0D October 2019 – November 2020 TMP63
PRODUCTION DATA
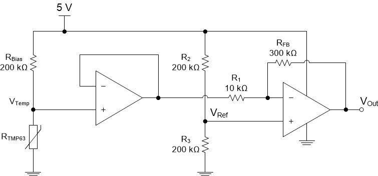
熱折返是在有源控制電路中使用 TMP63 的輸出電壓的一種應用。例如,熱折返可用于減少或折返驅動 LED 串的電流。在高溫下,由于環境條件和自發熱,LED 溫度將會升高。因此,在基于 LED 安全工作區域的特定溫度閾值下,必須降低驅動電流以冷卻 LED 并防止熱失控。當輸出位于分壓器的較低位置時,器件電壓輸出隨溫度升高而增加,并可提供用于使電流折返的響應。通常,器件會將電流保持在指定水平,直到達到較高的溫度(稱為拐點)為止,在該溫度下電流必須迅速降低才能繼續工作。為了更好地控制溫度/電壓靈敏度,該器件使用了一個軌到軌運算放大器。圖 9-9 顯示了折返開始操作的溫度拐點。由正輸入端的基準電壓 (2.5V) 設置,而反饋電阻設置折返曲線的響應。折返拐點可以基于分壓器的輸出和Equation5 中的相應溫度(例如 110°C)進行選擇。該器件在帶有 RTMP63 的分壓器和運算放大器的輸入之間使用了一個緩沖器,以防止 VTEMP 的加載和變化。
圖 9-9 使用分壓器和軌到軌運算放大器的熱折返只要電壓輸出低于 VREF,運算放大器就會保持高電平。當溫度超過 110°C 時,輸出降至運算放大器的 0V 軌。折返發生的速率取決于反饋網絡 RFB 和 R1,后者會改變運算放大器的增益 G,如Equation6 所示。折返行為控制電路的電壓和溫度靈敏度。器件將該電壓輸出饋入 LED 驅動器電路,從而相應地調節輸出電流。VOUT 是熱折返的最終輸出電壓,可通過Equation7 計算得出。圖 9-10 描述了此示例中的輸出電壓曲線,在該示例中拐點設置為 110°C。



圖 9-10 熱折返電壓輸出曲線