ZHCSKF5C October 2019 – November 2020 LMR33640
PRODUCTION DATA
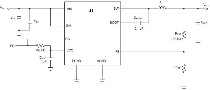
Unless otherwise specified, the following conditions apply: VIN = 12 V, TA = 25°C. Figure 9-21 shows the circuit with the appropriate BOM from Table 9-3.

| VOUT = 5 V | ?SW = 400 kHz |

| VOUT = 5 V | ?SW = 1000 kHz |

| VOUT = 5 V |

| VOUT = 3.3 V | ?SW = 400 kHz |

| VOUT = 3.3 V | ?SW = 1000 kHz |

| VOUT = 3.3 V |

| VIN = 12 V | VOUT = 5 V | |
| ?SW = 400 kHz | IOUT = 0 A to 4 A | |

| VIN = 12 V | VOUT = 5 V | |
| ?SW = 400 kHz | IOUT = 1 A to 4 A | |

| VIN = 12 V | VOUT = 5 V | |
| ?SW = 1000 kHz | IOUT = 0 A to 4 A | |

| VIN = 12 V | VOUT = 3.3 V | |
| ?SW = 400 kHz | IOUT = 0 A to 4 A | |

| VIN = 12 V | VOUT = 3.3 V | |
| ?SW = 400 kHz | IOUT = 1 A to 4 A | |

| VIN = 12 V | VOUT = 3.3 V | |
| ?SW = 1000 kHz | IOUT = 0 A to 4 A | |

| VIN = 12 V | VOUT = 5 V | |
| ?SW = 1000 kHz | IOUT = 1 A to 4 A | |

| ?SW = 400 kHz | VOUT = 5 V | |

| VIN = 12 V | VOUT = 3.3 V | |
| ?SW = 1000 kHz | IOUT = 1 A to 4 A | |

| ?SW = 1000 kHz | VOUT = 5 V | |
Figure 9-21 Circuit for Application Curves| VOUT(1) | FREQUENCY | RFBB | COUT | CIN + CHF | L | U1 |
|---|---|---|---|---|---|---|
| 3.3 V | 400 kHz | 43.3 kΩ | 3 × 22 μF | 1 × 10 μF + 1 × 220 nF | 6.8 μH, 18 mΩ | LMR33640ADDA |
| 5 V | 400 kHz | 24.9 kΩ | 3 × 22 μF | 1 × 10 μF + 1 × 220 nF | 6.8 μH, 18 mΩ | LMR33640ADDA |
| 3.3 V | 1000 kHz | 43.3 kΩ | 3 × 22 μF | 1 × 10 μF + 1 × 220 nF | 3.3 μH, 16 mΩ | LMR33640DDDA |
| 5 V | 1000 kHz | 24.9 kΩ | 3 × 22 μF | 1 × 10 μF + 1 × 220 nF | 3.3 μH, 16 mΩ | LMR33640DDDA |