ZHCSXD2F July 2008 – September 2025 ISO721-Q1 , ISO722-Q1
PRODUCTION DATA
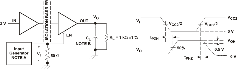
圖 7-1 開關特性測試電路和電壓波形
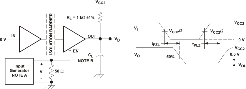
圖 7-2 ISO722-Q1 睡眠模式高電平輸出測試電路和電壓波形
圖 7-3 ISO722-Q1 睡眠模式低電平輸出測試電路和電壓波形A:輸入脈沖由具有以下特性的發生器提供:
PRR ≤ 50kHz,50% 占空比,tr ≤ 3ns,tf ≤ 3ns,ZO = 50Ω。
B:CL = 15 pF ± 20% 并包含儀表和設備電容。


