SCAS880F August 2009 – September 2015 CDCLVP1204
PRODUCTION DATA.
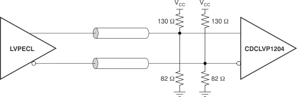
The CDCLVP1204 is an open emitter for LVPECL outputs. Therefore, proper biasing and termination are required to ensure correct operation of the device and to minimize signal integrity. The proper termination for LVPECL outputs is a 50 Ω to (VCC –2) V, but this DC voltage is not readily available on PCB. Therefore, a Thevenin equivalent circuit is worked out for the LVPECL termination in both direct-coupled (DC) and AC-coupled configurations. These configurations are shown in Figure 12 (a and b) for VCC = 2.5 V and Figure 13 (a and b) for VCC = 3.3 V, respectively. It is recommended to place all resistive components close to either the driver end or the receiver end. If the supply voltage for the driver and receiver is different, AC coupling is required.

The CDCLVP1204 is a low additive jitter universal to LVPECL fan out buffer with 2 selectable inputs. The small package, low output skew, and low additive jitter make for a flexible device in demanding applications.
The two inputs of the CDCLVP1204 are internally muxed together and can be selected via the control pin. Unused inputs and outputs can be left floating to reduce overall component cost. Both AC and DC coupling schemes can be used with the CDCLVP1204 to provide greater system flexibility.
Figure 13. LVPECL Output DC and AC Termination for V = 3.3 VCC
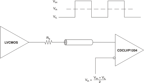
The CDCLVP1204 inputs can be interfaced with LVPECL, LVDS, or LVCMOS drivers. Figure 14 illustrates how to DC couple an LVCMOS input to the CDCLVP1204. The series resistance (RS) must be placed close to the LVCMOS driver; its value is calculated as the difference between the transmission line impedance and the driver output impedance.
Figure 14. DC-Coupled LVCMOS Input to CDCLVP1204
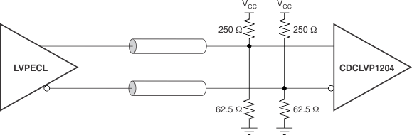
Figure 15 shows how to DC couple LVDS inputs to the CDCLVP1204. Figure 16 and Figure 17 describe the method of DC coupling LVPECL inputs to the CDCLVP1204 for VCC = 2.5 V and VCC = 3.3 V, respectively.
Figure 15. DC-Coupled LVDS Inputs To CDCLVP1204
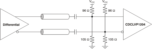
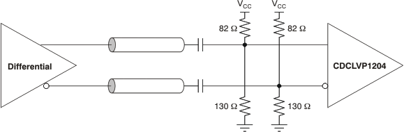
Figure 18 and Figure 19 show the technique of AC-coupling differential inputs to the CDCLVP1204 for VCC = 2.5 V and VCC = 3.3 V, respectively. It is recommended to place all resistive components close to either the driver end or the receiver end. If the supply voltages of the driver and receiver are different, AC coupling is required.
Figure 18. AC-Coupled LVPECL Inputs To CDCLVP1204 (VCC = 2.5 V)
Figure 19. AC-Coupled LVPECL Inputs To CDCLVP1204 (VCC = 3.3 V)