SCAS859F January 2009 – June 2015 CDCLVP111
PRODUCTION DATA.

Figure 3. Output Voltage and Rise and Fall Time
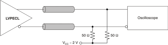
Figure 4. Typical Termination for Output Driver (See the Interfacing Between LVPECL, LVDS, and CML Application Note, SCAA056)
Figure 5. LVPECL Output DC Configuration During Device Test
Figure 6. LVPECL Output AC Configuration During Device Test