ZHCAB43 December 2020 LME49724 , OPA1632 , OPA1637 , OPA202 , OPA2202 , OPA4202 , THP210 , TLV320ADC5140
OPA1637 與上一代器件相比,其不同之處是輸入電路的長尾對中存在雙極結型晶體管 (BJT),此技術被稱為超 β BJT。TI 的超 β BJT 其實是具有高 β(即高電流增益 (Hfe))的單個 BJT。
OPA1637 的性能優勢來自于制造技術的改進。精密的制造技術使該產品通過簡單的結構實現低噪聲、高頻率響應以及高電流增益。借助這項模擬工藝技術改進,TI 能夠設計出具有高直流和交流性能的雙極運算放大器。例如,與前幾代晶體管相比,BJT 輸入運算放大器具有更高的輸入阻抗、更低的噪聲、更高的帶寬和更低的功耗。這些運算放大器的輸入阻抗不如 JFET 輸入運算放大器那么高,但可以實現高帶寬,同時保持良好的直流精度。
這種優勢不僅體現在 OPA1637 上,而且體現在其他采用超 β 晶體管技術的運算放大器中,例如 OPA2202、OPA2210、INA818 和 INA819。
在運算放大器的輸入電路中,超 β BJT 有幾個優勢。
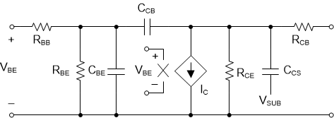
圖 2-1 BJT 小信號模型圖 2-1 所示為 BJT 的小信號模型,其電流增益的公式為IB = IC/β。
這個簡單的公式說明,對于給定的集電極電流,β 值越高,基極電流越低。當該晶體管作為運算放大器輸入差分對的一部分時,它相當于降低了運算放大器的輸入偏置電流。此外,超 β 可通過預期的和配置的基極電流 IB 來改善運算放大器輸入長尾對的輸入參考噪聲,如以下Equation1、Equation2 和Equation4 計算所示。
在 BJT 小信號模型中,還對輸入參考噪聲進行了建模。寬帶范圍內的輸入參考電壓噪聲 EN 和輸入參考電流噪聲 IN 用 BJT 小信號模型中的參數表示。


其中 k 是熱電壓公式中所示的玻爾茲曼常數:
總之,輸入參考電壓和電流噪聲都通過超 β 晶體管保持在低水平。