ZHCSCR3C October 2012 – August 2014 DS125BR111
PRODUCTION DATA.
DS125BR111 是一款超低功耗的高性能中繼器/轉接驅動器,旨在支持高達 12.5Gbps 的 1 通道高速接口。 6GHz 時,接收器的連續時間線性均衡器 (CTLE) 可在每個通道上提高 3-10dB。 在 SAS-3 或 PCIe Gen-3 應用中工作時,DS125BR111 保留發射信號特性,從而使得主機控制器和端點能夠協商發射均衡器系數。 鏈接協商協議的透明度能夠最大程度增加互連通道內器件實體布局的靈活性并提高通道的總體性能。
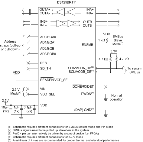
可通過引腳、軟件(SMBus 或 I2C)來輕松應用相關可編程設置,或者通過外部 EEPROM 來載入此設置。 在 EEPROM 模式下,配置信息在加電時被自動載入,這樣就免除了對于外部微控制器或軟件驅動程序的需要。
| 器件型號 | 封裝 | 封裝尺寸(標稱值) |
|---|---|---|
| DS125BR111 | WQFN (24) | 4.00mm x 4.00mm |
