ZHCSCR3C October 2012 – August 2014 DS125BR111
PRODUCTION DATA.
| MIN | MAX | UNIT | ||
|---|---|---|---|---|
| Supply Voltage (VDD - 2.5 V) | -0.5 | +2.75 | V | |
| Supply Voltage (VIN - 3.3 V) | -0.5 | +4.0 | V | |
| LVCMOS Input/Output Voltage | -0.5 | +4.0 | V | |
| CML Input Voltage | -0.5 | VDD + 0.5 | V | |
| CML Input Current | -30 | +30 | mA | |
| MIN | MAX | UNIT | |||
|---|---|---|---|---|---|
| Tstg | Storage temperature range | -40 | 125 | °C | |
| Tsolder | Lead Temperature Range Soldering (4 sec.)(1) | 260 | °C | ||
| V(ESD) | Electrostatic discharge | Human body model (HBM), per ANSI/ESDA/JEDEC JS-001, all pins(2) | -5000 | 5000 | V |
| Charged device model (CDM), per JEDEC specification JESD22-C101, all pins(3) | -1250 | 1250 | |||
| MIN | NOM | MAX | UNIT | |
|---|---|---|---|---|
| Supply Voltage (2.5 V mode) | 2.375 | 2.5 | 2.625 | V |
| Supply Voltage (3.3 V mode) | 3.0 | 3.3 | 3.6 | V |
| Ambient Temperature | -40 | 25 | +85 | °C |
| SMBus (SDA, SCL) | 3.6 | V | ||
| Supply Noise up to 50 MHz(2) | 100 | mVp-p |
| THERMAL METRIC(1) | DS125BR111 | UNIT | |
|---|---|---|---|
| RTW | |||
| 24 PINS | |||
| RθJA | Junction-to-ambient thermal resistance | 35.0 | °C/W |
| RθJC(top) | Junction-to-case (top) thermal resistance | 34.0 | |
| RθJB | Junction-to-board thermal resistance | 13.4 | |
| ψJT | Junction-to-top characterization parameter | 0.3 | |
| ψJB | Junction-to-board characterization parameter | 13.4 | |
| RθJC(bot) | Junction-to-case (bottom) thermal resistance | 3.3 | |
| PARAMETER | TEST CONDITIONS | MIN | TYP | MAX | UNIT | |
|---|---|---|---|---|---|---|
| POWER | ||||||
| IDD | Current Consumption | VODx_DB = 0, EQ = 0, VOD_SEL = 1, RXDET = 1, PWDN = 0 VIN = 2.625 or 3.6 V |
40 | 60 | mA | |
| Power Down Current Consumption | PWDN = 1 | 7 | 13 | mA | ||
| VDD | Integrated LDO Regulator | VIN = 3.0 - 3.6 V | 2.375 | 2.5 | 2.625 | V |
| LVCMOS / LVTTL DC SPECIFICATIONS | ||||||
| Vih25 | High Level Input Voltage | 2.5 V Supply Mode | 1.7 | VDD | V | |
| Vih33 | High Level Input Voltage | 3.3 V Supply Mode | 1.7 | VIN | V | |
| Vil | Low Level Input Voltage | 0 | 0.7 | V | ||
| Voh | High Level Output Voltage (DONE pin) |
Ioh = −4 mA | 2.0 | V | ||
| Vol | Low Level Output Voltage (DONE pin) |
Iol = 4 mA | 0.4 | V | ||
| Iih | Input High Current (PWDN pin) | VIN = 3.6 V, LVCMOS = 3.6 V |
-15 | +15 | µA | |
| Iil | Input Low Current (PWDN pin) | VIN = 3.6 V, LVCMOS = 0 V |
-15 | +15 | µA | |
| 4-LEVEL INPUT DC SPECIFICATIONS | ||||||
| Iih | Input High Current with internal resistors (4–level input pin) |
VIN = 3.6 V, LVCMOS = 3.6 V |
+20 | +80 | µA | |
| Iil | Input Low Current with internal resistors (4–level input pin) |
VIN = 3.6 V, LVCMOS = 0 V |
-160 | -40 | µA | |
| Vth | Threshold 0 / R | VDD = 2.5 V (2.5 V supply mode) Internal LDO Disabled See Table 1 for details |
0.40 | V | ||
| Threshold R / Float | 1.25 | |||||
| Threshold Float / 1 | 2.1 | |||||
| Threshold 0 / R | VIN = 3.3 V (3.3 V supply mode) Internal LDO Enabled See Table 1 for details. |
0.55 | V | |||
| Threshold R / Float | 1.65 | |||||
| Threshold Float / 1 | 2.7 | |||||
| CML RECEIVER INPUTS (IN_n+, IN_n-) | ||||||
| RLRX-diff | RX Differential return loss | SDD11 10 MHz | -19 | dB | ||
| SDD11 2 GHz | -14 | |||||
| SDD11 6-11.1 GHz | -8 | |||||
| RLRX-cm | RX Common mode return loss | 0.05 - 5 GHz | -10 | dB | ||
| ZRX-dc | RX DC common mode impedance | Tested at VDD = 2.5 V | 40 | 50 | 60 | Ω |
| ZRX-diff-dc | RX DC differential mode impedance | Tested at VDD = 2.5 V | 80 | 100 | 120 | Ω |
| VRX-signal-det-diff-pp | Signal detect assert level | SD_TH = F (float), 0101 pattern at 12 Gbps |
50 | mVp-p | ||
| VRX-idle-det-diff-pp | Signal detect de-assert level | SD_TH = F (float), 0101 pattern at 12 Gbps |
37 | mVp-p | ||
| HIGH SPEED OUTPUTS | ||||||
| TTX-RISE-FALL | Transmitter rise/fall time (3) | 20% to 80% of differential output voltage | 40 | ps | ||
| TRF-MISMATCH | Transmitter rise/fall mismatch (4) | 20% to 80% of differential output voltage | 0.01 | UI | ||
| RLTX-DIFF | TX Differential return loss | SDD22 10 MHz - 2 GHz | -15 | dB | ||
| SDD22 5.5 GHz | -12 | |||||
| SDD22 11.1 GHz | -10 | dB | ||||
| RLTX-CM | TX Common mode return loss | 0.05 - 5 GHz | -10 | dB | ||
| ZTX-DIFF-DC | DC differential TX impedance | 100 | Ω | |||
| ITX-SHORT | Transmitter short circuit current limit | Total current, output shorted to VDD or GND | 20 | mA | ||
| VTX-CM-DC-ACTIVE-IDLE-DELTA | Absolute delta of DC common mode voltage during L0 and electrical idle | 100 | mV | |||
| VTX-CM-DC-LINE-DELTA | Absolute delta of DC common mode voltage between TX+ and TX- | 25 | mV | |||
| HIGH SPEED OUTPUTS | ||||||
| VTX-diff1-pp | Output Voltage Differential Swing | Differential measurement with OUTx+ and OUTx-, AC-Coupled and terminated by 50 Ω to GND, Inputs AC-Coupled, VODx_DB = 0 dB, VID = 600 mVp-p VOD = 001'b (0.7*VID) |
440 | 500 | 550 | mVp-p |
| VTX-diff2-pp | Output Voltage Differential Swing | Differential measurement with OUTx+ and OUTx-, AC-Coupled and terminated by 50 Ω to GND, Inputs AC-Coupled, VODx_DB = 0 dB, VID = 1000 mVp-p VOD = 001'b (0.7*VID) (5) |
630 | 700 | 740 | mVp-p |
| VTX-diff3-pp | Output Voltage Differential Swing | Differential measurement with OUTx+ and OUTx-, AC-Coupled and terminated by 50 Ω to GND, Inputs AC-Coupled, VODx_DB = 0 dB, VID = 600 mVp-p VOD = 111'b (1.05*VID) (5) |
570 | 650 | 740 | mVp-p |
| VTX-diff4-pp | Output Voltage Differential Swing | Differential measurement with OUTx+ and OUTx-, AC-Coupled and terminated by 50 Ω to GND, Inputs AC-Coupled, VODx_DB = 0 dB, VID = 1000 mVp-p VOD = 111'b (1.05*VID) (5) |
800 | 1010 | 1215 | mVp-p |
| TTX-IDLE-DATA | Time to transition to valid differential signal after idle | VID = 1.0 Vp-p, 3 Gbps | 0.04 | ns | ||
| TTX-DATA-IDLE | Time to transition to idle after differential signal | VID = 1.0 Vp-p, 3 Gbps | 0.70 | ns | ||
| TPD | Differential Propagation Delay | EQ = Level 1 to Level 4 | 70 | ps | ||
| EQUALIZATION | ||||||
| DJE1 | Residual Deterministic Jitter at 6 Gbps | Input: 5” Differential Stripline, 5mil trace width, FR4, VID = 0.8 Vp-p, PRBS15, EQ = 0x01, VOD = 111'b, VODx_DB = 0 dB |
0.06 | UI | ||
| DJE2 | Residual Deterministic Jitter at 12 Gbps | Input: 5” Differential Stripline, 5mil trace width, FR4, VID = 0.8 Vp-p, PRBS15, EQ = 0x01, VOD = 111'b, VODx_DB = 0 dB |
0.12 | UI | ||
| RJADD1 | Additive Random Jitter (1) | Evaluation Module (EVM) only, FR4, VID = 0.8 Vp-p, PRBS7, EQ = 0x00, VOD = 111'b, VODx_DB = 0 dB |
< 300 | fs RMS | ||
| RJADD2 | Additive Random Jitter (1) | Input: 10" Differential Stripline, 5 mil trace width, FR4, VID = 0.8 Vp-p, PRBS7, EQ = 0x03, VOD = 111'b, VODx_DB = 0 dB |
< 400 | fs RMS | ||
| PARAMETER | TEST CONDITIONS | MIN | TYP | MAX | UNIT | |
|---|---|---|---|---|---|---|
| SERIAL BUS INTERFACE DC SPECIFICATIONS | ||||||
| VIL | Data, Clock Input Low Voltage | 0.8 | V | |||
| VIH | Data, Clock Input High Voltage | 2.1 | 3.6 | V | ||
| VOL | Output Low Voltage | SDA or SCL, IOL = 1.25 mA | 0 | 0.36 | V | |
| VDD | Nominal Bus Voltage | 2.375 | 3.6 | V | ||
| IIH-pin | Input Leakage Per Device pin | +20 | +150 | µA | ||
| IIL-pin | Input Leakage Per Device pin | -160 | -40 | µA | ||
| CI | Capacitance for SDA and SCL | See(1)(2) | < 5 | pF | ||
| RTERM | External Termination Resistance pull to VDD = 2.5 V ± 5% OR 3.3 V ± 10% | Pullup VDD = 3.3 V(1)(2)(3) | 2000 | Ω | ||
| Pullup VDD = 2.5 V(1)(2)(3) | 1000 | Ω | ||||
| PARAMETER | TEST CONDITIONS | MIN | TYP | MAX | UNIT | |
|---|---|---|---|---|---|---|
| SERIAL BUS INTERFACE TIMING SPECIFICATIONS | ||||||
| FSMB | Bus Operating Frequency | ENSMB = VDD (Slave Mode) | 400 | kHz | ||
| ENSMB = FLOAT (Master Mode) (1) | 280 | 400 | 520 | kHz | ||
| tFALL | SCL or SDA Fall Time | Read operation RPU = 4.7 kΩ, Cb < 50 pF |
60 | ns | ||
| tRISE | SCL or SDA Rise Time | Read operation RPU = 4.7 kΩ, Cb < 50 pF |
140 | ns | ||
| tF | Clock/Data Fall Time | See(2) | 300 | ns | ||
| tR | Clock/Data Rise Time | See(2) | 1000 | ns | ||
Figure 1. Output Rise And Fall Transition Time
Figure 2. Propagation Delay Timing Diagram
Figure 3. Transmit Idle-Data and Data-Idle Response Time
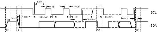
Figure 4. SMBus Timing Parameters

| Test Conditions | ||
| Data Rate/Test Pattern: | 1.5625 Gbps / 101010 Repeating Pattern |
|
| VOD: | Level 6 | |
| EQ: | Level 1 | |
| VOD_DB: | 000'b | |
| VDD: | 2.5 V | |

| Test Conditions | ||
| Data Rate/Test Pattern: | 1.5625 Gbps / 101010 Repeating Pattern | |
| EQ: | Minimum | |
| VOD_DB: | 000'b | |
| Temperature: | 25°C | |
| VDD: | 2.5 V | |

| Test Conditions | ||
| Data Rate/Test Pattern: | 1.5625 Gbps / 101010 Repeating Pattern |
|
| VOD: | Level 6 | |
| EQ: | Level 1 | |
| VOD_DB: | 000'b | |
| Temperature: | 25°C | |