ZHCSOF8D November 2021 – May 2025 TPS2597
PRODUCTION DATA

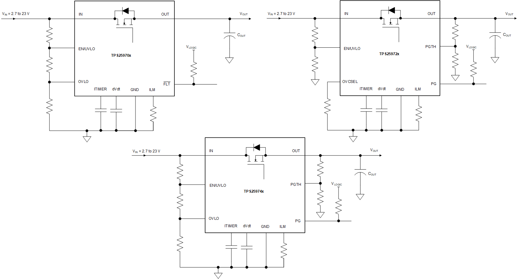
Other variations:
In a Host MCU controlled system, EN/UVLO or OVLO can also be driven from the host GPIO to control the device.
ILM pin can be connected to the MCU ADC input for current monitoring purpose.
TI recommends to keep parasitic capacitance on ILM pin below 50 pF to ensure stable operation.
For the TPS25972x and TPS25974x variants, either VIN or VOUT can be used to drive the PGTH resistor divider depending on which supply must be monitored for Power Good indication.