ZHCSKL6C December 2019 – September 2020 TMP64
PRODUCTION DATA
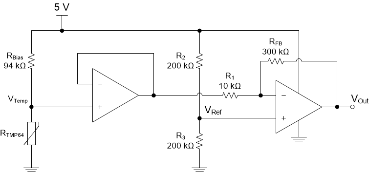
熱折返是在有源控制電路中使用 TMP64 的輸出電壓的一種應用。例如,熱折返可用于減少或折返驅動 LED 串的電流。在高溫下,由于環境條件和自發熱,LED 溫度將會升高。因此,在基于 LED 安全工作區域的特定溫度閾值下,必須降低驅動電流以冷卻 LED 并防止熱失控。當輸出位于分壓器的較低位置時,TMP64 電壓輸出隨溫度升高而增加,并可提供用于使電流折返的響應。通常,器件會將電流保持在指定水平,直到達到較高的溫度(稱為拐點)為止,在該溫度下電流必須迅速降低才能繼續工作。為了更好地控制 TMP64 的溫度/電壓靈敏度,使用了軌到軌運算放大器。在圖 9-6 所示的示例中,折返開始的溫度“拐點”由正輸入端的基準電壓 (2.5V) 設置,而反饋電阻設置折返曲線的響應。折返拐點可以基于分壓器的輸出和Equation5 中的相應溫度(例如 110°C)進行選擇。在帶有 RTMP64 的分壓器和運算放大器的輸入之間使用了一個緩沖器,以防止 VTEMP 的加載和變化。
圖 9-6 使用 TMP64 分壓器和軌至軌運算放大器的熱折返只要電壓輸出低于 VRef,運算放大器就會保持高電平。當溫度高于 110°C 時,輸出擺幅低至運算放大器的 0V 電源軌。折返發生的速率取決于反饋網絡 RFB 和 R1,后者會改變運算放大器 G 的增益,如Equation6 所示。這反過來又控制了電路的電壓/溫度靈敏度。該電壓輸出被饋送到 LED 驅動器 IC 中,從而相應地調節輸出電流。VOUT 是熱折返使用的最終輸出電壓,可通過Equation7 計算得出。在該示例中,拐點設置為 110°C,輸出電壓曲線如圖 9-7 所示。



圖 9-7 熱折返電壓輸出曲線