ZHCS484H October 2011 – January 2017 TLV62080 , TLV62084 , TLV62084A
UNLESS OTHERWISE NOTED, this document contains PRODUCTION DATA.
NOTE
Information in the following applications sections is not part of the TI component specification, and TI does not warrant its accuracy or completeness. TI’s customers are responsible for determining suitability of components for their purposes. Customers should validate and test their design implementation to confirm system functionality.
The devices are designed to operate from an input voltage supply range between 2.5 V (2.7 V for the TLV62084x devices) and 6 V with a maximum output current of 2 A (1.2 A for the TLV62080 device). The TLV6208x devices operate in PWM mode for medium to heavy load conditions and in power save mode at light load currents.
In PWM mode the TLV6208x converters operate with the nominal switching frequency of 2 MHz which provides a controlled frequency variation over the input voltage range. As the load current decreases, the converter enters power save mode, reducing the switching frequency and minimizing the IC quiescent current to achieve high efficiency over the entire load current range.
The WEBENCH software uses an iterative design procedure and accesses a comprehensive database of components when generating a design. See the 文檔支持 section for additional documentation.
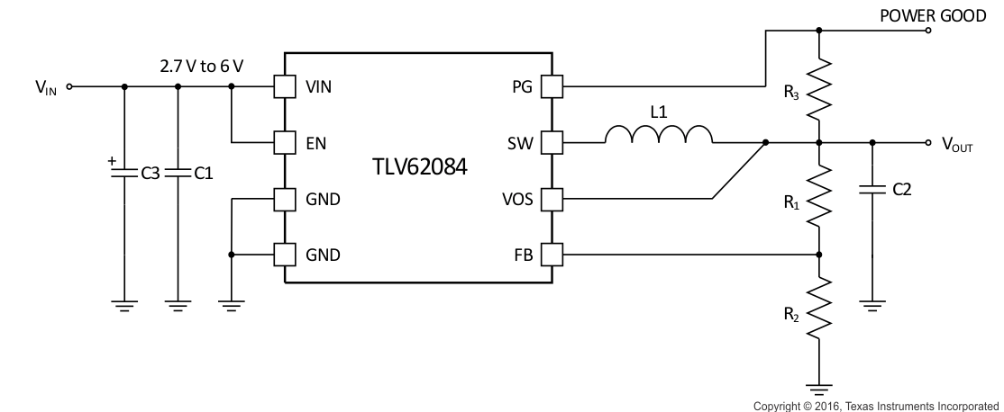
Use the following typical application design procedure to select external components values for the TLV62084 device.
| DESIGN PARAMETERS | EXAMPLE VALUES |
|---|---|
| Input Voltage Range | 2.8 V to 4.2 V |
| Output Voltage | 1.2 V |
| Transient Response | ±5% VOUT |
| Input Voltage Ripple | 400 mV |
| Output Voltage Ripple | 30 mV |
| Output Current Rating | 2 A |
| Operating frequency | 2 MHz |
Click here to create a custom design using the TLV62080 device with the WEBENCH® Power Designer.
The WEBENCH Power Designer provides a customized schematic along with a list of materials with real-time pricing and component availability.
In most cases, these actions are available:
Get more information about WEBENCH tools at www.ti.com/WEBENCH.
| REFERENCE | DESCRIPTION | MANUFACTURER(1) |
|---|---|---|
| C1 | 10 μF, Ceramic Capacitor, 6.3 V, X5R, size 0603 | Std |
| C2 | 22 μF, Ceramic Capacitor, 6.3 V, X5R, size 0805, GRM21BR60J226ME39L | Murata |
| C3 | 47 μF, Tantalum Capacitor, 8 V, 35 mΩ, size 3528, T520B476M008ATE035 | Kemet |
| L1 | 1 μH, Power Inductor, 2.2 A, size 3 mm × 3 mm × 1.2 mm, XFL3012-102MEB | Coilcraft |
| R1 | 65.3 kΩ, Chip Resistor, 1/16 W, 1%, size 0603 | Std |
| R2 | 39.2 kΩ, Chip Resistor, 1/16 W, 1%, size 0603 | Std |
| R3 | 178 kΩ, Chip Resistor, 1/16 W, 1%, size 0603 | Std |
The inductor and the output capacitor together provide a low pass frequency filter. To simplify this process Table 6 outlines possible inductor and capacitor value combinations for the most application.
| L [µH](3) | COUT [µF](3) | ||||
|---|---|---|---|---|---|
| 10 | 22 | 47 | 100 | 150 | |
| 0.47 | |||||
| 1 | + | +(1)(2) | + | + | |
| 2.2 | + | + | + | + | |
| 4.7 | |||||
The main parameter for the inductor selection is the inductor value and then the saturation current of the inductor. To calculate the maximum inductor current under static load conditions, Equation 2 is given.

where
space
TI recommends choosing the saturation current for the inductor 20% to approximately 30% higher than the IL,MAX, out of Equation 2. A higher inductor value is also useful to lower ripple current, but increases the transient response time as well. The following inductors are recommended to be used in designs (see Table 7).
| INDUCTANCE [µH] |
CURRENT RATING [mA] |
DIMENSIONS L x W x H [mm3] |
DC RESISTANCE [mΩ typ] |
TYPE | MANUFACTURER(2) |
|---|---|---|---|---|---|
| 1 | 2500 | 3 × 3 × 1.2 | 35 | XFL3012-102ME | Coilcraft |
| 1 | 1650(1) | 3 × 3 × 1.2 | 40 | LQH3NPN1R0NJ0 | Murata |
| 2.2 | 2500 | 4 × 3.7 × 1.65 | 49 | LQH44PN2R2MP0 | Murata |
| 2.2 | 1600(1) | 3 × 3 × 1.2 | 81 | XFL3012-222ME | Coilcraft |
The input capacitor is the low impedance energy source for the converter which helps to provide stable operation. A low ESR multilayer ceramic capacitor is recommended for best filtering and must be placed between VIN and GND as close as possible to those terminals. For most applications 10 μF is sufficient though a larger value reduces input current ripple.
The architecture of the TLV6208x device allows use of tiny ceramic-type output capacitors with low equivalent-series resistance (ESR). These capacitors provide low output voltage ripple and are recommended. To keep the resistance up to high frequencies and to get narrow capacitance variation with temperature, TI recommends use of the X7R or X5R dielectric. The TLV62080 and TLV62084x devices are designed to operate with an output capacitance of 10 to 100 µF and beyond, as listed in Table 6. Load transient testing and measuring the bode plot are good ways to verify stability with larger capacitor values.
| CAPACITANCE [µF] |
TYPE | DIMENSIONS L x W x H [mm3] |
MANUFACTURER(1) |
|---|---|---|---|
| 10 | GRM188R60J106M | 0603: 1.6 × 0.8 × 0.8 | Murata |
| 22 | GRM188R60G226M | 0603: 1.6 × 0.8 × 0.8 | Murata |
| 22 | GRM21BR60J226M | 0805: 2 × 1.2 × 1.25 | Murata |
By selecting R1 and R2, the output voltage is programmed to the desired value. Use Equation 3 to calculate R1 and R2.
space

For best accuracy, R2 must be kept smaller than 40 kΩ to ensure that the current flowing through R2 is at least 100-times larger than IFB. Changing the sum towards a lower value increases the robustness against noise injection. Changing the sum towards higher values reduces the current consumption.
| VIN = 3.3 to 4.2 V | VOUT = 1.2 V | ILOAD = 2.2 Ω |
| VIN = 3.3 V | VOUT = 1.2 V | |
| VIN = 3.3 V | VOUT = 1.2 V | ILOAD = 2.2 Ω |