ZHCSVU6O December 1991 – October 2025 TL1431 , TL1431M
PRODUCTION DATA
表 8-2 列出了 TL1431 的示例電路。
| 應用 | 圖表 |
|---|---|
| 并聯穩壓器 | 圖 8-3 |
| 具有溫度補償閾值的單電源比較器 | 圖 8-4 |
| 精密大電流串聯穩壓器 | 圖 8-5 |
| 三端固定穩壓器的輸出控制 | 圖 8-6 |
| 大電流并聯穩壓器 | 圖 8-7 |
| 撬棍電路 | 圖 8-8 |
| 精密 5V、1.5A、0.5% 穩壓器 | 圖 8-9 |
| 5V 精密穩壓器 | 圖 8-10 |
| 具有 0.5% 基準的 PWM 轉換器 | 圖 8-11 |
| 電壓監控器 | 圖 8-12 |
| 延遲計時器 | 圖 8-13 |
| 精密限流器 | 圖 8-14 |
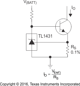
| 精密恒定電流吸收器 | 圖 8-15 |


圖 8-7 大電流并聯穩壓器
圖 8-9 精密 5V、1.5A、0.5% 穩壓器
圖 8-11 具有 0.5% 基準的 PWM 轉換器
圖 8-13 延遲計時器
圖 8-15 精密恒定電流吸收器
圖 8-4 具有溫度補償閾值的單電源比較器
圖 8-6 三端固定穩壓器的輸出控制

圖 8-14 精密限流器