ZHCSPG0 December 2021 TCAN1167-Q1
PRODUCTION DATA
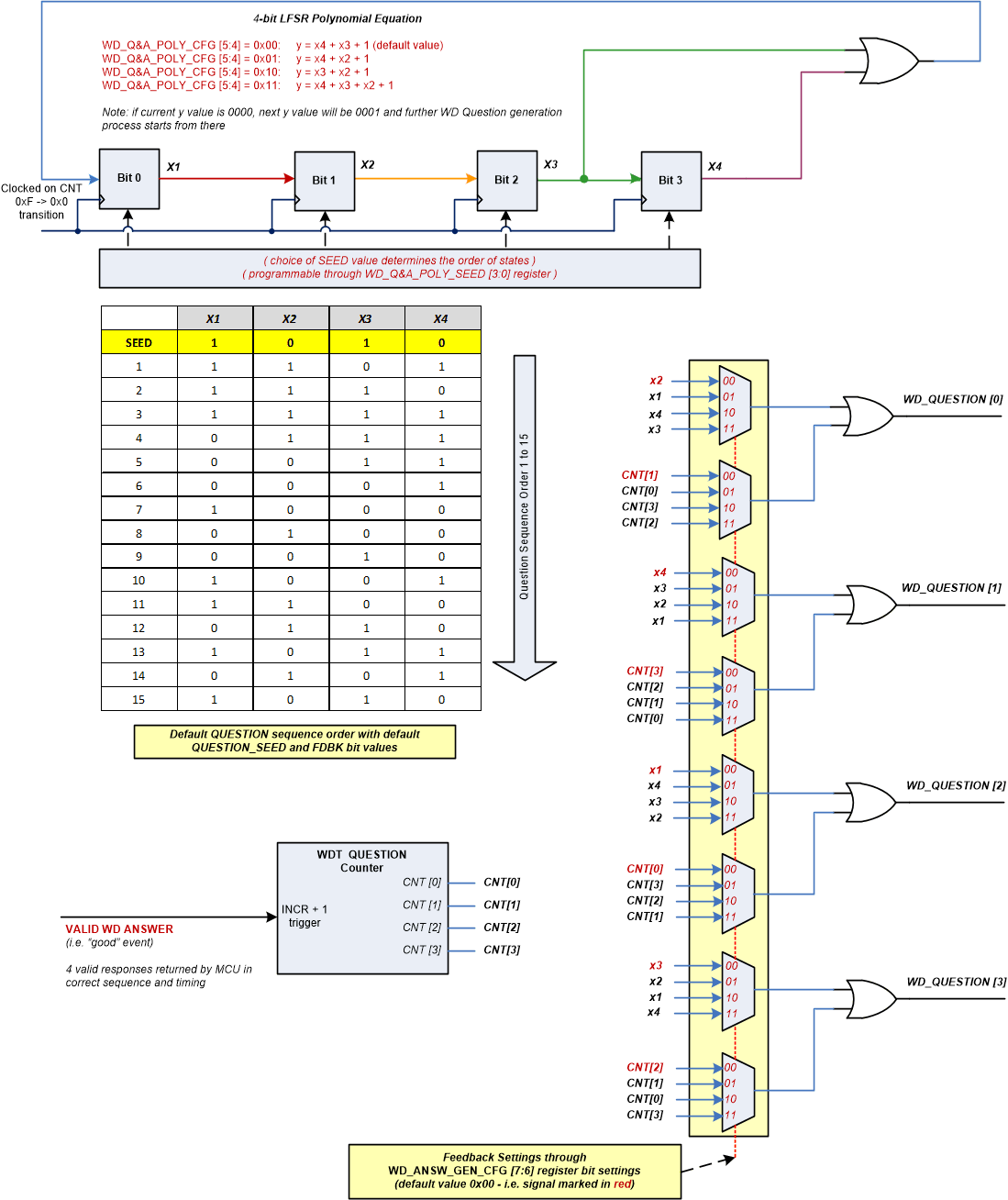
The 4-bit WD question, WD_QA_QUESTION[3:0], is generated by 4-bit Markov chain process. A Markov chain is a stochastic process with Markov property, which means that state changes are probabilistic, and the future state depends only on the current state. The valid and complete WD answer sequence for each WD Q&A mode is as follows:
The WD question value is latched in the WD_QUESTION[3:0] bits of the WD_QA_QUESTION register and can be read out at any time.
The Markov chain process is clocked by the 4-bit Question counter at the transition from b1111 to b0000. This includes the condition of a correct answer (correct answer value and correct timing response). The logic combination of the 4-bit questions WD_QUESTION [3:0] generation is given in Figure 9-6.

Table 9-5 contains the answers for each question, as long as the question polynomial and answer generation configuration are both at their default values.
| QUESTION IN WD_QUESTION_VALUE REGISTER | WD ANSWER BYTES (EACH BYTE TO BE WRITTEN INTO WD_QA_ANSWER REGISTER) | |||
|---|---|---|---|---|
| WD_ANSWER_RESP_3 | WD_ANSWER_RESP_2 | WD_ANSWER_RESP_1 | WD_ANSWER_RESP_0 | |
| WD_QUESTION | WD_ANSW_CNT 2'b11 | WD_ANSW_CNT 2'b10 | WD_ANSW_CNT 2'b01 | WD_ANSW_CNT 2'b00 |
| 0x0 | FF | 0F | F0 | 00 |
| 0x1 | B0 | 40 | BF | 4F |
| 0x2 | E9 | 19 | E6 | 16 |
| 0x3 | A6 | 56 | A9 | 59 |
| 0x4 | 75 | 85 | 7A | 8A |
| 0x5 | 3A | CA | 35 | C5 |
| 0x6 | 63 | 93 | 6C | 9C |
| 0x7 | 2C | DC | 23 | D3 |
| 0x8 | D2 | 22 | DD | 2D |
| 0x9 | 9D | 6D | 92 | 62 |
| 0xA | C4 | 34 | CB | 3B |
| 0xB | 8B | 7B | 84 | 74 |
| 0xC | 58 | A8 | 57 | A7 |
| 0xD | 17 | E7 | 18 | E8 |
| 0xE | 4E | BE | 41 | B1 |
| 0xF | 01 | F1 | 0E | FE |
Figure 9-7 WD Expected Answer
Generation| NUMBER OF WD ANSWERS | ACTION | WD STATUS BITS IN WD_QA_QUESTION REGISTER | COMMENTS | ||
|---|---|---|---|---|---|
| RESPONSE WINDOW 1 | RESPONSE WINDOW 2 | QA_ANSW_ERR | WD_ERR(1) | ||
| 0 answer | 0 answer | -New WD cycle starts after the end of RESPONSE WINDOW 2 -Increment WD failure counter -New WD cycle starts with the same WD question | 0b | 1b | No answers |
| 0 answer | 4 INCORRECT answer | -New WD cycle starts after the 4th WD answer -Increment WD failure counter -New WD cycle starts with the same WD question | 1b | 1b | Total WD_ANSW_CNT[1:0] = 4 |
| 0 answer | 4 CORRECT answer | -New WD cycle starts after the 4th WD answer -Increment WD failure counter -New WD cycle starts with the same WD question | 0b | 1b | Total WD_ANSW_CNT[1:0] = 4 |
| 0 answer | 1 CORRECT answer | -New WD cycle starts after the end of RESPONSE WINDOW 2 -Increment WD failure counter -New WD cycle starts with the same WD question | 0b | 1b | Less than 3 CORRECT ANSWER in RESPONSE WINDOW 1 and 1 CORRECT ANSWER in RESPONSE WINDOW 2 (Total WD_ANSW_CNT[1:0] < 4) |
| 1 CORRECT answer | 1 CORRECT answer | ||||
| 2 CORRECT answer | 1 CORRECT answer | ||||
| 0 answer | 1 INCORRECT answer | -New WD cycle starts after the end of RESPONSE WINDOW 2 -Increment WD failure counter -New WD cycle starts with the same WD question | 1b | 1b | Less than 3 CORRECT ANSWER in RESPONSE WINDOW 1 and 1 INCORRECT ANSWER in RESPONSE WINDOW 2 (Total WD_ANSW_CNT[1:0] < 4) |
| 1 CORRECT answer | 1 INCORRECT answer | ||||
| 2 CORRECT answer | 1 INCORRECT answer | ||||
| 0 answer | 4 CORRECT answer | -New WD cycle starts after the 4th WD answer -Increment WD failure counter -New WD cycle starts with the same WD question | 0b | 1b | Less than 3 CORRECT ANSWER in WIN1 and more than 1 CORRECT ANSWER in RESPONSE WINDOW 2 (Total WD_ANSW_CNT[1:0] = 4) |
| 1 CORRECT answer | 3 CORRECT answer | ||||
| 2 CORRECT answer | 2 CORRECT answer | ||||
| 0 answer | 4 INCORRECT answer | -New WD cycle starts after the 4th WD answer -Increment WD failure counter -New WD cycle starts with the same WD question | 1b | 1b | Less than 3 CORRECT ANSWER in RESPONSE WINDOW 1 and more than 1 INCORRECT ANSWER in RESPONSE WINDOW 2 (Total WD_ANSW_CNT[1:0] = 4) |
| 1 CORRECT answer | 3 INCORRECT answer | ||||
| 2 CORRECT answer | 2 INCORRECT answer | ||||
| 0 answer | 3 CORRECT answer | -New WD cycle starts after the end of RESPONSE WINDOW 2 -Increment WD failure counter -New WD cycle starts with the same WD question | 0b | 1b | Less than 3 INCORRECT ANSWER in RESPONSE WINDOW 1 and more than 1 CORRECT ANSWER in RESPONSE WINDOW 2 (Total WD_ANSW_CNT[1:0] < 4) |
| 1 INCORRECT answer | 2 CORRECT answer | -New WD cycle starts after the end of RESPONSE WINDOW 2 -Increment WD failure counter -New WD cycle starts with the same WD question | 1b | 1b | |
| 2 INCORRECT answer | 1 CORRECT answer | ||||
| 0 answer | 3 INCORRECT answer | -New WD cycle starts after the end of RESPONSE WINDOW 2 -Increment WD failure counter -New WD cycle starts with the same WD question | 1b | 1b | Less than 3 INCORRECT ANSWER in RESPONSE WINDOW 1 and more than 1 INCORRECT ANSWER in RESPONSE WINDOW 2 (Total WD_ANSW_CNT[1:0] < 4) |
| 1 INCORRECT answer | 2 INCORRECT answer | ||||
| 2 INCORRECT answer | 1 INCORRECT answer | ||||
| 0 answer | 4 CORRECT answer | -New WD cycle starts after the 4th WD answer -Increment WD failure counter -New WD cycle starts with the same WD question | 0b | 1b | Less than 3 INCORRECT ANSWER in RESPONSE WINDOW 1 and more than 1 CORRECT ANSWER in RESPONSE WINDOW 2 (Total WD_ANSW_CNT[1:0] = 4) |
| 1 INCORRECT answer | 3 CORRECT answer | 1b | 1b | ||
| 2 INCORRECT answer | 2 CORRECT answer | ||||
| 0 answer | 4 INCORRECT answer | -New WD cycle starts after the 4th WD answer -Increment WD failure counter -New WD cycle starts with the same WD question | 1b | 1b | Less than 3 INCORRECT ANSWER in RESPONSE WINDOW 1 and more than 1 INCORRECT ANSWER in RESPONSE WINDOW 2 (Total WD_ANSW_CNT[1:0] = 4) |
| 1 INCORRECT answer | 3 INCORRECT answer | ||||
| 2 INCORRECT answer | 2 INCORRECT answer | ||||
| 3 CORRECT answer | 0 answer | -New WD cycle starts after the end of RESPONSE WINDOW 2 -Increment WD failure counter -New WD cycle starts with the same WD Question | 0b | 1b | Less than 4 CORRECT ANSW in RESPONSE WINDOW 1 and more than 0 ANSWER in RESPONSE WINDOW 2 (Total WD_ANSW_CNT[1:0] < 4) |
| 2 CORRECT answer | 0 answer | 0b | 1b | ||
| 1 CORRECT answer | 0 answer | ||||
| 3 CORRECT answer | 1 CORRECT answer | -New WD cycle starts after the 4th WD answer -Decrement WD failure counter -New WD cycle starts with a new WD question | 0b | 0b | CORRECT SEQUENCE |
| 3 CORRECT answer | 1 INCORRECT answer | -New WD cycle starts after the 4th WD answer -Increment WD failure counter -New WD cycle starts with the same WD question | 1b | 1b | Total WD_ANSW_CNT[1:0] = 4 |
| 3 INCORRECT answer | 0 answer | -New WD cycle starts after the end of RESPONSE WINDOW 2 -Increment WD failure counter -New WD cycle starts with the same WD question | 1b | 1b | Total WD_ANSW_CNT[1:0] < 4 |
| 3 INCORRECT answer | 1 CORRECT answer | -New WD cycle starts after the 4th WD answer -Increment WD failure counter -New WD cycle starts with the same WD question | 1b | 1b | Total WD_ANSW_CNT[1:0] = 4 |
| 3 INCORRECT answer | 1 INCORRECT answer | -New WD cycle starts after the 4th WD answer -Increment WD failure counter -New WD cycle starts with the same WD question | 1b | 1b | Total WD_ANSW_CNT[1:0] = 4 |
| 4 CORRECT answer | Not applicable | -New WD cycle starts after the 4th WD answer -Increment WD failure counter -New WD cycle starts with the same WD question | 0b | 1b | |
| 3 CORRECT answer + 1 INCORRECT answer | Not applicable | -New WD cycle starts after the 4th WD answer -Increment WD failure counter -New WD cycle starts with the same WD question | 1b | 1b | 4 CORRECT or INCORRECT ANSWER in RESPONSE WINDOW 1 |
| 2 CORRECT answer + 2 INCORRECT answer | Not applicable | ||||
| 1 CORRECT answer + 3 INCORRECT answer | Not applicable | ||||