ZHCSMX1B October 2019 – March 2022 TCAN1144-Q1 , TCAN1145-Q1 , TCAN1146-Q1
PRODUCTION DATA
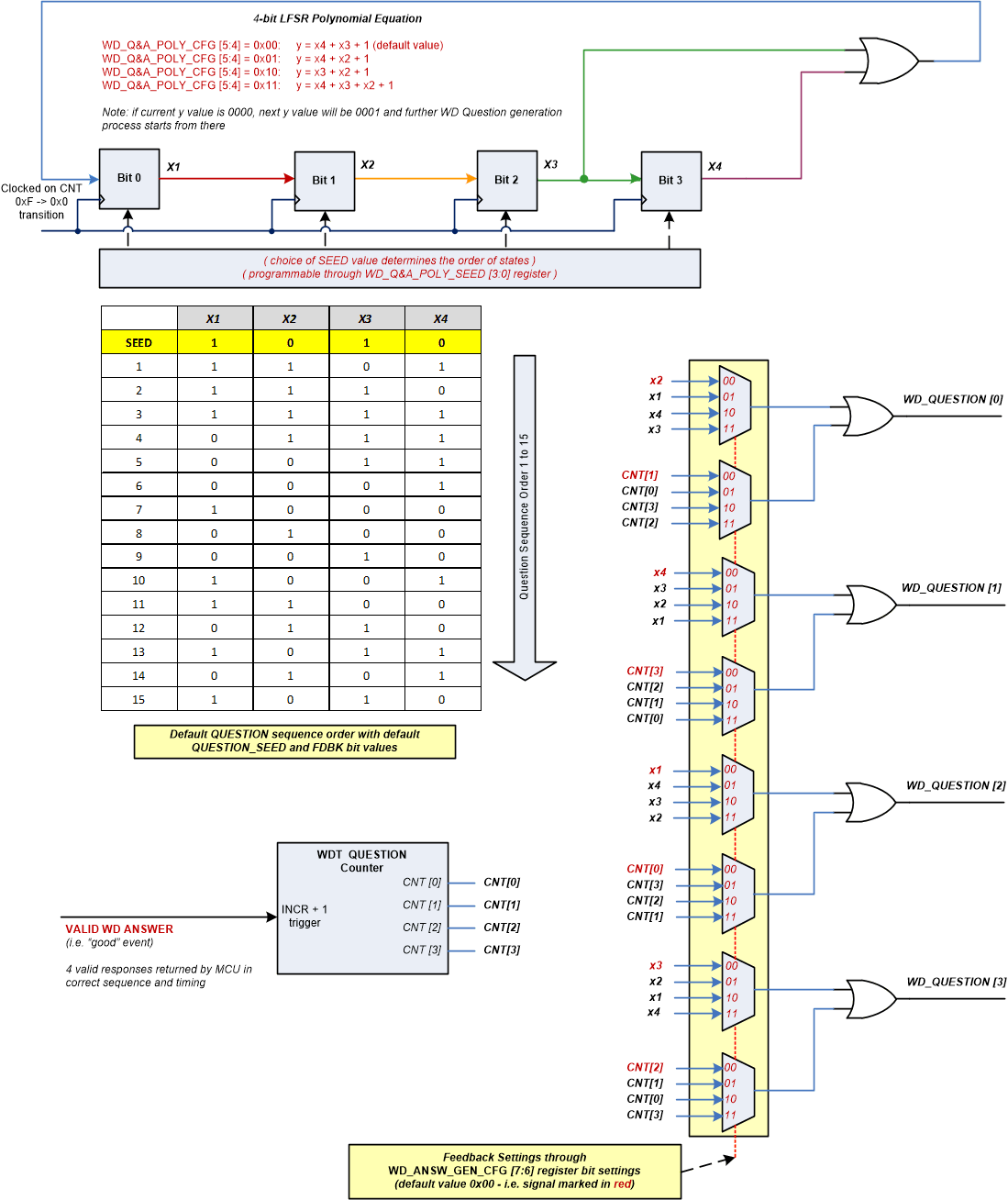
4 位 WD 問題 WD_QA_QUESTION[3:0] 由 4 位馬爾可夫鏈過程生成。馬爾可夫鏈是一個具有馬爾可夫屬性的隨機過程,這意味著狀態變化是概率性的,并且未來狀態僅取決于當前狀態。每個 WD Q&A 模式的有效且完整的 WD 答案序列如下所示:
WD 問題值會鎖存在 WD_QA_QUESTION 寄存器的 WD_QUESTION[3:0] 位中,并且可以隨時讀取。
在從 b1111 到 b0000 的轉換中,馬爾可夫鏈過程由 4 位問題計數器計時。這包括正確答案(正確答案值和正確時序響應)的條件。圖 10-27 中給出了 4 位問題 WD_QUESTION [3:0] 生成的邏輯組合。

表 10-12 包含每個問題的答案,只要問題多項式和答案生成配置都為其默認值即可。
| WD_QUESTION_VALUE 寄存器中的問題 | WD 答案字節(每個字節都要寫入 WD_QA_ANSWER 寄存器) | |||
|---|---|---|---|---|
| WD_ANSWER_RESP_3 | WD_ANSWER_RESP_2 | WD_ANSWER_RESP_1 | WD_ANSWER_RESP_0 | |
| WD_QUESTION | WD_ANSW_CNT 2'b11 | WD_ANSW_CNT 2'b10 | WD_ANSW_CNT 2'b01 | WD_ANSW_CNT 2'b00 |
| 0x0 | FF | 0F | F0 | 00 |
| 0x1 | B0 | 40 | BF | 4F |
| 0x2 | E9 | 19 | E6 | 16 |
| 0x3 | A6 | 56 | A9 | 59 |
| 0x4 | 75 | 85 | 7A | 8A |
| 0x5 | 3A | CA | 35 | C5 |
| 0x6 | 63 | 93 | 6C | 9C |
| 0x7 | 2C | DC | 23 | D3 |
| 0x8 | D2 | 22 | DD | 2D |
| 0x9 | 9D | 6D | 92 | 62 |
| 0xA | C4 | 34 | CB | 3B |
| 0xB | 8B | 7B | 84 | 74 |
| 0xC | 58 | A8 | 57 | A7 |
| 0xD | 17 | E7 | 18 | E8 |
| 0xE | 4E | BE | 41 | B1 |
| 0xF | 01 | F1 | 0E | FE |
圖 10-28 WD 預期答案生成| WD 答案數量 | 操作 | WD_QA_QUESTION 寄存器中的 WD 狀態位 | 注釋 | ||
|---|---|---|---|---|---|
| 響應 窗口 1 | 響應 窗口 2 | QA_ANSW_ERR | WD_ERR(1) | ||
| 0 個答案 | 0 個答案 | -新 WD 周期在響應窗口 2 結束后開始 - WD 遞增故障計數器 -新 WD 周期以相同的 WD 問題開始 | 0b | 1b | 無答案 |
| 0 個答案 | 4 個錯誤答案 | -新 WD 周期在第 4 個 WD 答案后開始 - WD 遞增故障計數器 -新 WD 周期以相同的 WD 問題開始 | 1b | 1b | WD_ANSW_CNT[1:0] 總計 = 4 |
| 0 個答案 | 4 個正確答案 | -新 WD 周期在第 4 個 WD 答案后開始 - WD 遞增故障計數器 -新 WD 周期以相同的 WD 問題開始 | 0b | 1b | WD_ANSW_CNT[1:0] 總計 = 4 |
| 0 個答案 | 1 個正確答案 | -新 WD 周期在響應窗口 2 結束后開始 - WD 遞增故障計數器 -新 WD 周期以相同的 WD 問題開始 | 0b | 1b | 響應窗口 1 中的正確答案少于 3 個,響應窗口 2 中的正確答案為 1 個(WD_ANSW_CNT[1:0] 總計 < 4) |
| 1 個正確答案 | 1 個正確答案 | ||||
| 2 個正確答案 | 1 個正確答案 | ||||
| 0 個答案 | 1 個錯誤答案 | -新 WD 周期在響應窗口 2 結束后開始 - WD 遞增故障計數器 -新 WD 周期以相同的 WD 問題開始 | 1b | 1b | 響應窗口 1 中的正確答案少于 3 個,響應窗口 2 中的錯誤答案為 1 個(WD_ANSW_CNT[1:0] 總計 < 4) |
| 1 個正確答案 | 1 個錯誤答案 | ||||
| 2 個正確答案 | 1 個錯誤答案 | ||||
| 0 個答案 | 4 個正確答案 | -新 WD 周期在第 4 個 WD 答案后開始 - WD 遞增故障計數器 -新 WD 周期以相同的 WD 問題開始 | 0b | 1b | 響應窗口 1 中的正確答案少于 3 個,響應窗口 2 中的正確答案多于 1 個(WD_ANSW_CNT[1:0] 總計 = 4) |
| 1 個正確答案 | 3 個正確答案 | ||||
| 2 個正確答案 | 2 個正確答案 | ||||
| 0 個答案 | 4 個錯誤答案 | -新 WD 周期在第 4 個 WD 答案后開始 - WD 遞增故障計數器 -新 WD 周期以相同的 WD 問題開始 | 1b | 1b | 響應窗口 1 中的正確答案少于 3 個,響應窗口 2 中的錯誤答案多于 1 個(WD_ANSW_CNT[1:0] 總計 = 4) |
| 1 個正確答案 | 3 個錯誤答案 | ||||
| 2 個正確答案 | 2 個錯誤答案 | ||||
| 0 個答案 | 3 個正確答案 | -新 WD 周期在響應窗口 2 結束后開始 - WD 遞增故障計數器 -新 WD 周期以相同的 WD 問題開始 | 0b | 1b | 響應窗口 1 中的錯誤答案少于 3 個,響應窗口 2 中的正確答案多于 1 個(WD_ANSW_CNT[1:0] 總計 < 4) |
| 1 個錯誤答案 | 2 個正確答案 | -新 WD 周期在響應窗口 2 結束后開始 - WD 遞增故障計數器 -新 WD 周期以相同的 WD 問題開始 | 1b | 1b | |
| 2 個錯誤答案 | 1 個正確答案 | ||||
| 0 個答案 | 3 個錯誤答案 | -新 WD 周期在響應窗口 2 結束后開始 - WD 遞增故障計數器 -新 WD 周期以相同的 WD 問題開始 | 1b | 1b | 響應窗口 1 中的錯誤答案少于 3 個,響應窗口 2 中的錯誤答案多于 1 個(WD_ANSW_CNT[1:0] 總計 < 4) |
| 1 個錯誤答案 | 2 個錯誤答案 | ||||
| 2 個錯誤答案 | 1 個錯誤答案 | ||||
| 0 個答案 | 4 個正確答案 | -新 WD 周期在第 4 個 WD 答案后開始 - WD 遞增故障計數器 -新 WD 周期以相同的 WD 問題開始 | 0b | 1b | 響應窗口 1 中的錯誤答案少于 3 個,響應窗口 2 中的正確答案多于 1 個(WD_ANSW_CNT[1:0] 總計 = 4) |
| 1 個錯誤答案 | 3 個正確答案 | 1b | 1b | ||
| 2 個錯誤答案 | 2 個正確答案 | ||||
| 0 個答案 | 4 個錯誤答案 | -新 WD 周期在第 4 個 WD 答案后開始 - WD 遞增故障計數器 -新 WD 周期以相同的 WD 問題開始 | 1b | 1b | 響應窗口 1 中的錯誤答案少于 3 個,響應窗口 2 中的錯誤答案多于 1 個(WD_ANSW_CNT[1:0] 總計 = 4) |
| 1 個錯誤答案 | 3 個錯誤答案 | ||||
| 2 個錯誤答案 | 2 個錯誤答案 | ||||
| 3 個正確答案 | 0 個答案 | -新 WD 周期在響應窗口 2 結束后開始 - WD 遞增故障計數器 -新 WD 周期以相同的 WD 問題開始 | 0b | 1b | 響應窗口 1 中的正確答案少于 4 個,響應窗口 2 中的答案多于 0(WD_ANSW_CNT[1:0] 總計 < 4) |
| 2 個正確答案 | 0 個答案 | 0b | 1b | ||
| 1 個正確答案 | 0 個答案 | ||||
| 3 個正確答案 | 1 個正確答案 | -新 WD 周期在第 4 個 WD 答案后開始 - WD 遞增故障計數器 -新 WD 周期以相同的 WD 問題開始 | 0b | 0b | 正確的順序 |
| 3 個正確答案 | 1 個錯誤答案 | -新 WD 周期在第 4 個 WD 答案后開始 - WD 遞增故障計數器 -新 WD 周期以相同的 WD 問題開始 | 1b | 1b | WD_ANSW_CNT[1:0] 總計 = 4 |
| 3 個錯誤答案 | 0 個答案 | -新 WD 周期在響應窗口 2 結束后開始 - WD 遞增故障計數器 -新 WD 周期以相同的 WD 問題開始 | 1b | 1b | WD_ANSW_CNT[1:0] 總計 < 4 |
| 3 個錯誤答案 | 1 個正確答案 | -新 WD 周期在第 4 個 WD 答案后開始 - WD 遞增故障計數器 -新 WD 周期以相同的 WD 問題開始 | 1b | 1b | WD_ANSW_CNT[1:0] 總計 = 4 |
| 3 個錯誤答案 | 1 個錯誤答案 | -新 WD 周期在第 4 個 WD 答案后開始 - WD 遞增故障計數器 -新 WD 周期以相同的 WD 問題開始 | 1b | 1b | WD_ANSW_CNT[1:0] 總計 = 4 |
| 4 個正確答案 | 不可用 | -新 WD 周期在第 4 個 WD 答案后開始 - WD 遞增故障計數器 -新 WD 周期以相同的 WD 問題開始 | 0b | 1b | |
| 3 個正確答案 + 1 個錯誤答案 | 不可用 | -新 WD 周期在第 4 個 WD 答案后開始 - WD 遞增故障計數器 -新 WD 周期以相同的 WD 問題開始 | 1b | 1b | 響應窗口 1 中 4 個正確或錯誤答案 |
| 2 個正確答案 + 2 個錯誤答案 | 不可用 | ||||
| 1 個正確答案 + 3 個錯誤答案 | 不可用 | ||||