ZHCS785I February 2012 – January 2021 SN6501
PRODUCTION DATA
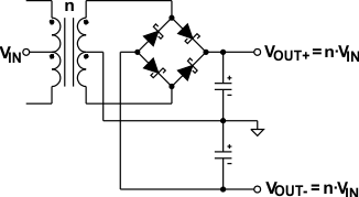
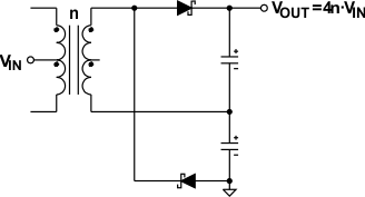
The SN6501 can drive push-pull converters that provide high output voltages of up to 30 V, or bipolar outputs of up to ±15 V. Using commercially available center-tapped transformers, with their rather low turns ratios of 0.8 to 5, requires different rectifier topologies to achieve high output voltages. #SLLSEA04407 to #SLLSEA0920 show some of these topologies together with their respective open-circuit output voltages.



