ZHCSFU9A November 2016 – November 2017 MUX506 , MUX507
PRODUCTION DATA.
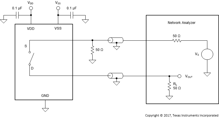
Off isolation is defined as the voltage at the drain pin (D, DA, or DB) of the MUX50x when a 1-VRMS signal is applied to the source pin (Sx, SxA, or SxB) of an off-channel. Figure 33 shows the setup used to measure off isolation. Use Equation 2 to compute off isolation.
Figure 33. Off Isolation Measurement Setup