ZHCSF41B December 2015 – March 2021 LMR16030
PRODUCTION DATA
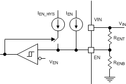
The LMR16030 is enabled when the VIN pin voltage rises above 4.0 V (typical) and the EN pin voltage exceeds the enable threshold of 1.2 V (typical). The LMR16030 is disabled when the VIN pin voltage falls below 3.715 V (typical) or when the EN pin voltage is below 1.2 V. The EN pin has an internal pullup current source (typically IEN = 1 μA) that enables operation of the LMR16030 when the EN pin is floating.
Many applications will benefit from the employment of an enable divider RENT and RENB in Figure 7-3 to establish a precision system UVLO level for the stage. System UVLO can be used for supplies operating from utility power as well as battery power. It can be used for sequencing, ensuring reliable operation, or supply protection, such as a battery. An external logic signal can also be used to drive EN input for system sequencing and protection.
When EN terminal voltage exceeds 1.2 V, an additional hysteresis current (typically IHYS = 3.6 μA) is sourced out of EN terminal. When the EN terminal is pulled below 1.2 V, IHYS current is removed. This additional current facilitates adjustable input voltage UVLO hysteresis. Use Equation 2 and Equation 3 to calculate RENT and RENB for desired UVLO hysteresis voltage.
Figure 7-3 System UVLO By Enable Dividers

where VSTART is the desired voltage threshold to enable LMR16030, VSTOP is the desired voltage threshold to disable device, IEN = 1 μA and IHYS = 3.6 μA typically.