ZHCSTP1F August 2000 – February 2024 LMC6492 , LMC6494
PRODUCTION DATA




圖 6-10 光伏電池放大器


圖 6-12 軌到軌單電源低通濾波器此低通濾波器電路可用作與 ADC 具有相同電壓電源的抗混疊濾波器。濾波器設計還可以利用 LMC649x 的超低輸入電流。即使采用了高阻值電阻器,超低輸入電流產生的失調電壓誤差也可以忽略不計。此配置進而可支持使用阻值更低的電容器,縮減布板空間并降低成本。
圖 6-13 具備軌到軌峰值捕捉范圍的低電壓峰值檢測器使用聚苯乙烯或聚乙烯保持電容器來盡量減少電介質的吸收和泄漏。下降率主要由 CHOLD 和二極管漏電流的值決定。選擇低漏電流二極管可更大程度地降低壓降。

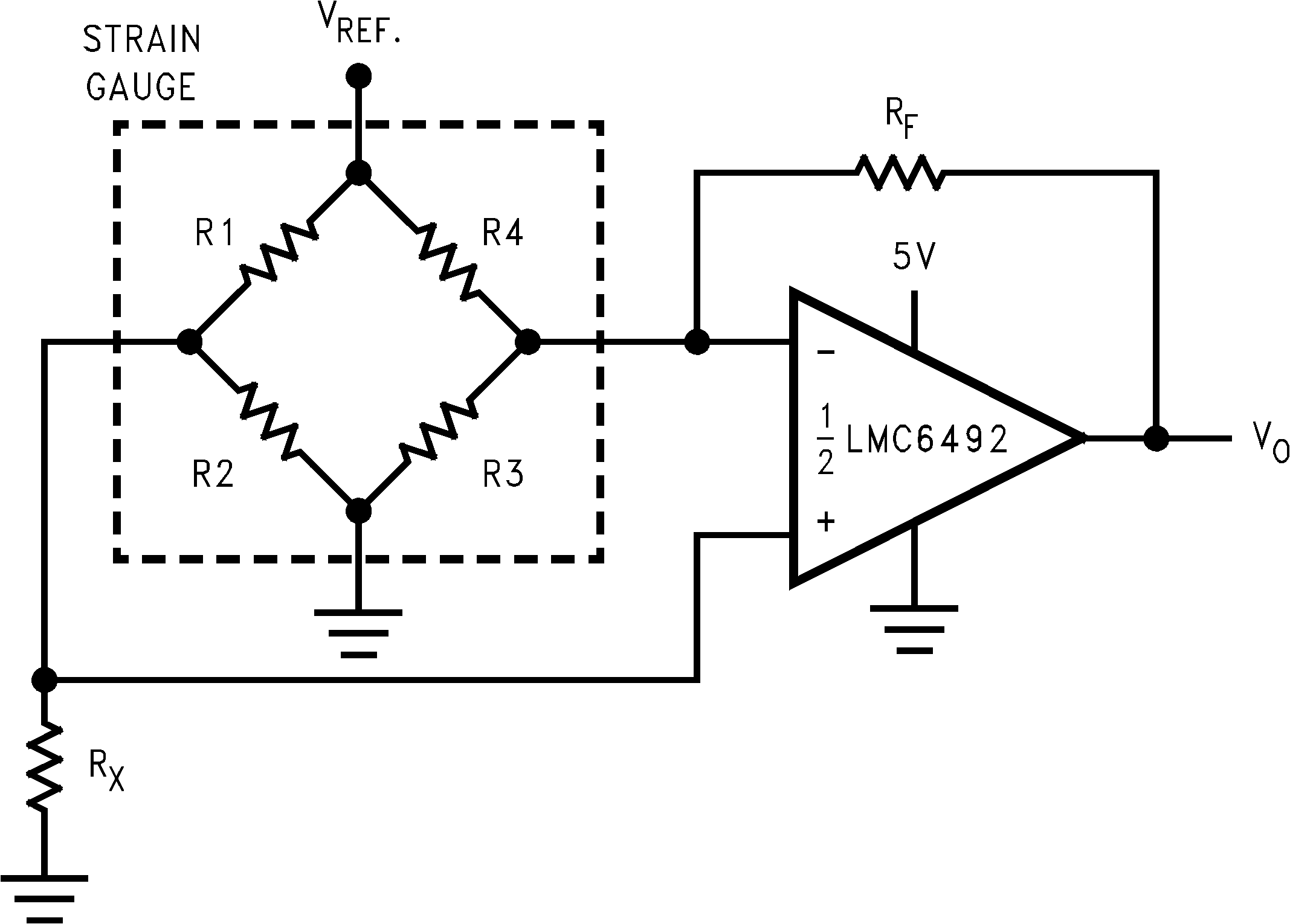
圖 6-14 壓力傳感器在歧管絕對壓力傳感器應用中,應變儀安裝在發動機單元的進氣歧管上。歧管壓力會導致檢測電阻 R1、R2、R3 和 R4 發生變化。電阻器的變化方式使 R2 和 R4 增加量與 R1 和 R3 減小量相同。這會導致在放大器的輸入端之間產生差分電壓。放大器的增益通過 Rf 來調節。