ZHCSDB4B MARCH 2013 – January 2015 DS90UH928Q-Q1
PRODUCTION DATA.
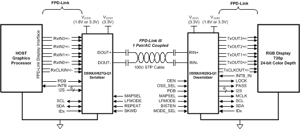
DS90UH928Q-Q1 解串器與 DS90UH925Q-Q1 或 DS90UH927Q-Q1 串行器配套使用,可針對汽車信息娛樂系統內的內容受保護數字視頻的安全分發提供一套解決方案。。 該解串器借助嵌入式時鐘(由單信號對 (FPD-Link III) 提供)將高速串行化接口數據轉換為四個低壓差分信令 (LVDS) 數據/控制流、一個 LVDS 時鐘對 (FPD-Link) 以及 I2S 音頻數據。 數字視頻和音頻數據采用業界標準的 HDCP 復制保護方案加以保護。FPD-Link III 串行總線方案支持通過單個差分鏈路實現高速正向通道數據傳輸和低速全雙工反向通道通信。 通過單個差分對整合音頻、視頻和和控制數據可減小互連線尺寸和重量,同時還消除了偏差問題并簡化了系統設計。
通過對串行輸入數據流使用自適應輸入均衡功能,可對傳輸介質損耗和確定性抖動進行補償。 通過使用低壓差分信令可最大限度減少電磁干擾 (EMI)。
串化器和解串器上都執行 HDCP 密鑰引擎。 HDCP 密鑰被存儲在片載存儲器中。
| 器件型號 | 封裝 | 封裝尺寸(標稱值) |
|---|---|---|
| DS90UH928Q-Q1 | WQFN (48) | 7.00mm x 7.00mm |
