ZHCSBO8A September 2013 – March 2014 DS125BR401A
PRODUCTION DATA.
| MIN | MAX | UNIT | ||
|---|---|---|---|---|
| Supply Voltage (VDD - 2.5V) | -0.5 | +2.75 | V | |
| Supply Voltage (VIN - 3.3V) | -0.5 | +4.0 | V | |
| LVCMOS Input/Output Voltage | -0.5 | +4.0 | V | |
| CML Input Voltage | -0.5V to (VDD+0.5) | |||
| CML Input Current | -30 | +30 | mA | |
| MIN | MAX | UNIT | ||
|---|---|---|---|---|
| ESDHBM | HBM, STD - JESD22-A114F | 4 | kV | |
| ESDCDM | CDM, STD - JESD22-C101-D | 1 | kV | |
| Tstg | Storage Temperature Range | -40 | 125 | °C |
| Tsolder | Lead Temperature Range Soldering (4 sec.) (1) | 260 | °C |
| MIN | TYP | MAX | UNIT | |
|---|---|---|---|---|
| Supply Voltage (2.5V mode) | 2.375 | 2.5 | 2.625 | V |
| Supply Voltage (3.3V mode) | 3.0 | 3.3 | 3.6 | V |
| Ambient Temperature | -40 | 25 | +85 | °C |
| SMBus (SDA, SCL) | 3.6 | V | ||
| Supply Noise up to 50 MHz(1) | 100 | mVp-p |
| THERMAL METRIC(1) | DS125BR401A | UNIT | |
|---|---|---|---|
| WQFN | |||
| 54 TERMINALS | |||
| RθJA | Junction-to-ambient thermal resistance | 26.6 | °C/W |
| RθJCtop | Junction-to-case (top) thermal resistance | 10.8 | |
| RθJB | Junction-to-board thermal resistance | 4.4 | |
| ψJT | Junction-to-top characterization parameter | 0.2 | |
| ψJB | Junction-to-board characterization parameter | 4.3 | |
| RθJCbot | Junction-to-case (bottom) thermal resistance | 1.5 | |
| PARAMETER | TEST CONDITIONS | MIN | TYP | MAX | UNIT | |
|---|---|---|---|---|---|---|
| POWER | ||||||
| IDD | Current Consumption | DEM0 = Float, ,DEM1 = Float EQ = 0, VOD = 0.8VP-P, RXDET = 1, PWDN = 0 |
200 | 280 | mA | |
| Power Down Current Consumption | PWDN = 1 | 14 | 27 | mA | ||
| VDD | Integrated LDO Regulator | VIN = 3.0 - 3.6 V | 2.375 | 2.5 | 2.625 | V |
| LVCMOS / LVTTL DC SPECIFICATIONS | ||||||
| Vih25 | High Level Input Voltage | 2.5 V Supply Mode | 1.7 | VDD | V | |
| Vih33 | High Level Input Voltage | 3.3 V Supply Mode | 1.7 | VIN | V | |
| Vil | Low Level Input Voltage | 0 | 0.7 | V | ||
| Voh | High Level Output Voltage (ALL_DONE Terminal) |
Ioh = −4mA | 2.0 | V | ||
| Vol | Low Level Output Voltage (ALL_DONE Terminal) |
Iol = 4mA | 0.4 | V | ||
| Iih | Input High Current (PWDN Terminal) | VIN = 3.6 V, LVCMOS = 3.6 V |
-15 | +15 | uA | |
| Iil | Input Low Current (PWDN Terminal) | VIN = 3.6 V, LVCMOS = 0 V |
-15 | +15 | uA | |
| 4-LEVEL INPUT DC SPECIFICATIONS | ||||||
| Iih | Input High Current with internal resistors (4–level input Terminal) |
VIN = 3.6 V, LVCMOS = 3.6 V |
+20 | +150 | uA | |
| Iil | Input Low Current with internal resistors (4–level input Terminal) |
VIN = 3.6 V, LVCMOS = 0 V |
-160 | -40 | uA | |
| Vth | Threshold 0 / R | VDD = 2.5V (2.5V supply mode) Internal LDO Disabled See Table 1 for details |
0.45 | V | ||
| Threshold R / Float | 1.2 | |||||
| Threshold Float / 1 | 2 | |||||
| Threshold 0 / R | VIN = 3.3V (3.3V supply mode) Internal LDO Enabled See Table 1 for details. |
0.6 | V | |||
| Threshold R / Float | 1.6 | |||||
| Threshold Float / 1 | 2.6 | |||||
| CML RECEIVER INPUTS (IN_n+, IN_n-) | ||||||
| RLRX-diff | RX Differential return loss | SDD11 10 MHz | -19 | dB | ||
| SDD11 2 GHz | -14 | |||||
| SDD11 6-11.1 GHz | -8 | |||||
| RLRX-cm | RX Common mode return loss | 0.05 - 5 GHz | -10 | dB | ||
| ZRX-dc | RX DC common mode impedance | Tested at VDD = 2.5 V | 40 | 50 | 60 | Ω |
| ZRX-diff-dc | RX DC differential mode impedance | Tested at VDD = 2.5 V | 80 | 100 | 120 | Ω |
| VRX-signal-det-diff-pp | Signal detect assert level for active data signal | SD_TH = F (float), 0101 pattern at 12 Gbps |
50 | mVp-p | ||
| VRX-idle-det-diff-pp | Signal detect de-assert level for electrical idle | SD_TH = F (float), 0101 pattern at 12 Gbps |
37 | mVp-p | ||
| HIGH SPEED OUTPUTS | ||||||
| TTX-RISE-FALL | Transmitter rise/fall time (3) | 20% to 80% of differential output voltage | 40 | ps | ||
| TRF-MISMATCH | Transmitter rise/fall mismatch | 20% to 80% of differential output voltage | 0.01 | UI | ||
| RLTX-DIFF | TX Differential return loss | SDD22 10 MHz - 2 GHz | -15 | dB | ||
| SDD22 5.5 GHz | -12 | |||||
| SDD22 11.1 GHz | -10 | dB | ||||
| RLTX-CM | TX Common mode return loss | 0.05 - 5 GHz | -10 | dB | ||
| ZTX-DIFF-DC | DC differential TX impedance | 100 | Ω | |||
| ITX-SHORT | Transmitter short circuit current limit | Total current, output shorted to VDD or GND | 20 | mA | ||
| VTX-CM-DC-ACTIVE-IDLE-DELTA | Absolute delta of DC common mode voltage during L0 and electrical idle | 100 | mV | |||
| VTX-CM-DC-LINE-DELTA | Absolute delta of DC common mode voltage between TX+ and TX- | 25 | mV | |||
| HIGH SPEED OUTPUTS (A-CHANNELS) | ||||||
| VTXA-diff1-pp | Output Voltage Differential Swing | Differential measurement with OUTA_n+ and OUTA_n-, AC-Coupled and terminated by 50Ω to GND, Inputs AC-Coupled, VID = 600 mVp-p VOD = 001'b (800mV) |
375 | 465 | 600 | mVp-p |
| VTXA-diff2-pp | Output Voltage Differential Swing | Differential measurement with OUTA_n+ and OUTA_n-, AC-Coupled and terminated by 50Ω to GND, Inputs AC-Coupled, VID = 1000 mVp-p VOD = 001'b (800mV) |
550 | 675 | 825 | mVp-p |
| VTXA-diff3-pp | Output Voltage Differential Swing | Differential measurement with OUTA_n+ and OUTA_n-, AC-Coupled and terminated by 50Ω to GND, Inputs AC-Coupled, VID = 600 mVp-p DEMA[1:0] = 10, VOD = 1300mV |
475 | 600 | 750 | Vp-p |
| VTXA-diff4-pp | Output Voltage Differential Swing | Differential measurement with OUTA_n+ and OUTA_n-, AC-Coupled and terminated by 50Ω to GND, Inputs AC-Coupled, VID = 1000 mVp-p VOD = 110'b (1300mV) |
775 | 915 | 1125 | Vp-p |
| TTXA-IDLE-DATA | Time to transition to valid differential signal after idle | VID = 1.0 Vp-p, 3 Gbps | 0.04 | ns | ||
| TTXA-DATA-IDLE | Time to transition to idle after differential signal | VID = 1.0 Vp-p, 3 Gbps | 0.70 | ns | ||
| TPDEQA | Differential propagation delay - Channel A | EQ = Level 1 to Level 4 | 80 | ps | ||
| HIGH SPEED OUTPUTS (B-CHANNELS) | ||||||
| VTXB-diff1-pp | Output Voltage Differential Swing | Differential measurement with OUTB_n+ and OUTB_n-, AC-Coupled and terminated by 50Ω to GND, Inputs AC-Coupled, VID = 1.0 Vp-p, MODE_B = 1 DEMB1 = 0, DEMB0 = 1(4) |
0.8 | 1.0 | 1.2 | Vp-p |
| VTXB-diff2-pp | Output Voltage Differential Swing | Differential measurement with OUTB_n+ and OUTB_n-, AC-Coupled and terminated by 50Ω to GND, Inputs AC-Coupled, VID = 1.0 Vp-p, MODE_B = 0 DEMB1 = 0, DEMB0 = R |
670 | 820 | 930 | mVp-p |
| VTXB-diff3-pp | Output Voltage Differential Swing | Differential measurement with OUTB_n+ and OUTB_n-, AC-Coupled and terminated by 50Ω to GND, Inputs AC-Coupled, VID = 1.0 Vp-p, MODE_B = 0 DEMB1 = R, DEMB0 = FLOAT |
950 | 1140 | 1250 | mVp-p |
| VTXB-de-ratio_3.5 | TX de-emphasis ratio | VOD = 1.0 Vp-p, DEM0 = 0, DEM1 = R, MODE_B = 0 OUTB_n only Gen 1 & 2 mode |
−3.5 | dB | ||
| VTXB-de-ratio_6 | TX de-emphasis ratio | VOD = 1.0 Vp-p, DEM0 = R, DEM1 = R, MODE_B = 0 OUTB_n only in Gen 1 & 2 mode |
−6 | dB | ||
| TTXB-IDLE-DATA | Time to transition to valid differential signal after idle | VID = 1.0 Vp-p, 3 Gbps | 3.5 | ns | ||
| TTXB-DATA-IDLE | Time to transition to idle after differential signal | VID = 1.0 Vp-p, 3 Gbps | 5.0 | ns | ||
| TPDEQB | Differential propagation delay - Channel B | EQ = 00(2) | 135 | ps | ||
| EQUALIZATION (A-CHANNELS) | ||||||
| DJE1A | Residual deterministic jitter at 6 Gbps | 5” Differential Stripline, 5mil trace width, FR4, VID = 0.8 Vp-p, PRBS15, EQ = 01'h, VOD = 1.3V, DEM = 0 dB |
0.06 | UI | ||
| DJE3A | Residual deterministic jitter at 12 Gbps | 5” Differential Stripline, 5mil trace width, FR4, VID = 0.8 Vp-p, PRBS15, EQ = 01'h, VOD = 1.3V, DEM = 0 dB |
0.12 | UI | ||
| EQUALIZATION (B-CHANNELS) | ||||||
| DJE1B | Residual deterministic jitter at 12 Gbps | 30” Differential Stripline, 5mil trace width, FR4, VID = 0.6 Vp-p, PRBS15, EQ = 07'h, DEM = 0 dB |
0.18 | UI | ||
| DJE2B | Residual deterministic jitter at 12 Gbps | 5 meters 30 awg cable, VID = 0.6 Vp-p, PRBS15, EQ = 07'h, DEM = 0 dB |
0.25 | UI | ||
| DE-EMPHASIS (B-CHANNELS, GEN 1&2 MODE ONLY) | ||||||
| DJD1 | Residual deterministic jitter at 12 Gbps |
Input Channel: 20" Differential Stripline, 5mil trace width, FR4, Output Channel: 10” Differential Stripline, 5mil trace width, FR4, VID = 0.6 Vp-p, PRBS15, EQ = 03'h, VOD = 1.0 Vp-p, DEMB = −3.5 dB |
0.1 | UI | ||
| PARAMETER | TEST CONDITIONS | MIN | TYP | MAX | UNIT | |
|---|---|---|---|---|---|---|
| SERIAL BUS INTERFACE DC SPECIFICATIONS | ||||||
| VIL | Data, Clock Input Low Voltage | 0.8 | V | |||
| VIH | Data, Clock Input High Voltage | 2.1 | 3.6 | V | ||
| VOL | Output Low Voltage | SDA or SCL, IOL = 1.25 mA | 0 | 0.36 | V | |
| VDD | Nominal Bus Voltage | 2.375 | 3.6 | V | ||
| IIH-Terminal | Input Leakage Per Device Terminal | +20 | +150 | µA | ||
| IIL-Terminal | Input Leakage Per Device Terminal | -160 | -40 | µA | ||
| CI | Capacitance for SDA and SCL | See(1)(2) | < 5 | pF | ||
| RTERM | External Termination Resistance pull to VDD = 2.5V ± 5% OR 3.3V ± 10% | Pullup VDD = 3.3V(1)(2)(3) | 2000 | Ω | ||
| Pullup VDD = 2.5V(1)(2)(3) | 1000 | Ω | ||||
| PARAMETER | TEST CONDITIONS | MIN | TYP | MAX | UNIT | |
|---|---|---|---|---|---|---|
| SERIAL BUS INTERFACE TIMING SPECIFICATIONS | ||||||
| FSMB | Bus Operating Frequency | ENSMB = VDD (Slave Mode) | 400 | kHz | ||
| ENSMB = FLOAT (Master Mode) | 280 | 400 | 520 | kHz | ||
| tFALL | SDA Fall Time | Read operation RPU = 4.7K, Cb < 50pF |
60 | ns | ||
| tRISE | SDA Rise Time | Read operation RPU = 4.7K, Cb < 50pF |
140 | ns | ||
| tF | Clock/Data Fall Time | See(1) | 300 | ns | ||
| tR | Clock/Data Rise Time | See(1) | 1000 | ns | ||
Figure 1. Output and Rise And Fall Transition Time
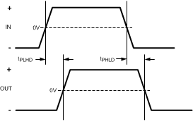
Figure 2. Propagation Delay Timing Diagram
Figure 3. Transmit Idle-Data and Data-Idle Response Time
Figure 4. SMBus Timing Parameters


