ZHCSB92G June 2013 – May 2017 DRV8711
PRODUCTION DATA.
NOTE
Information in the following applications sections is not part of the TI component specification, and TI does not warrant its accuracy or completeness. TI’s customers are responsible for determining suitability of components for their purposes. Customers should validate and test their design implementation to confirm system functionality.
The DRV8711 is used in bipolar stepper control. The microstepping motor predriver provides additional precision and a smooth rotation from the stepper motor.
For optimal performance, it is important for the sense resistor to be:
The power dissipated by the sense resistor equals IRMS2 × R. For example, if peak motor current is 3 A, RMS motor current is 2 A, and a 0.05-Ω sense resistor is used, the resistor will dissipate 2 A2 × 0.05 Ω = 0.2 W. The power quickly increases with higher current levels.
Resistors typically have a rated power within some ambient temperature range, along with a derated power curve for high ambient temperatures. When a PCB is shared with other components generating heat, margin should be added. It is always best to measure the actual sense resistor temperature in a final system, along with the power MOSFETs, as those are often the hottest components.
Because power resistors are larger and more expensive than standard resistors, it is common practice to use multiple standard resistors in parallel, between the sense node and ground. This distributes the current and heat dissipation.
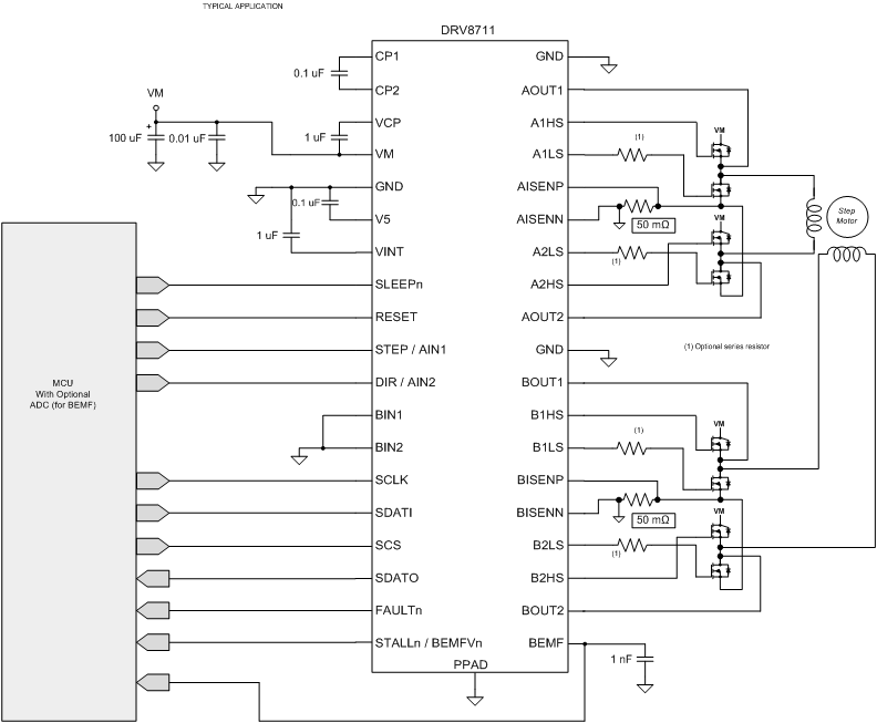
In high current or high voltage applications, the low side predriver fault may assert due to noise in the system. In this application, TI recommends placing a 47 to 120-Ω resistor in series with the low side output and the gate of the low side FET. TI also recommends setting the dead time to 850 ns when adding a series resistor.
The following design is a common application of the DRV8711.
Figure 20. Typical Application Schematic
For this design example, use the parameters listed in Table 5 as the input parameters.
| DESIGN PARAMETER | REFERENCE | EXAMPLE VALUE |
|---|---|---|
| Supply Voltage | VM | 24 V |
| Motor Winding Resistance | RL | 3.9 Ω |
| Motor Winding Inductance | IL | 2.9 mH |
| Motor Full Step Angle | θstep | 1.8°/step |
| Target Microstepping Level | nm | 8 µsteps per step |
| Target Motor Speed | v | 120 RPM |
| Target Full-Scale Current | IFS | 1.25 A |
The first step in configuring the DRV8711 requires the desired motor speed and microstepping level. If the target application requires a constant speed, then a square wave with frequency ƒstep must be applied to the STEP pin.
If the target motor start-up speed is too high, the motor will not spin. Make sure that the motor can support the target speed or implement an acceleration profile to bring the motor up to speed.
For a desired motor speed (V), microstepping level (nm), and motor full step angle (θstep),


θstep can be found in the stepper motor data sheet or written on the motor itself.
For the DRV8711, the microstepping level is set by the MODE bits in the CTRL register. Higher microstepping will mean a smoother motor motion and less audible noise, but will increase switching losses and require a higher fstep to achieve the same motor speed.
In a stepper motor, the set full-scale current (IFS) is the maximum current driven through either winding. For the DRV8711, this quantity will depend on the analog voltage, the programmed torque and gain values, and the sense resistor value (RSENSE). During stepping, IFS defines the current chopping threshold (ITRIP) for the maximum current step. The gain of DRV8711 is set for 5 V/V.

To achieve IFS = 1.25 A with RSENSE of 0.2 Ω with a gain of 5, TORQUE should be set to 116(dec).
The DRV8711 supports three different decay modes: slow decay, fast decay, and mixed decay. The DRV8711 also supports automatic mixed decay mode, which minimizes current ripple. The current through the motor windings is regulated using programmable settings for blanking, decay and off time. This means that after any drive phase, when a motor winding current has hit the current chopping threshold (ITRIP), the DRV8711 will place the winding in the programmed decay modes until the cycle has expired. Afterward, a new drive phase starts.
The blanking time TBLANK defines the minimum drive time for the current chopping. ITRIP is ignored during TBLANK, so the winding current may overshoot the trip level.
Figure 21. 1/32 Microstepping Drive Current
Figure 22. 1/64 Microstepping Drive Current