SLVSC90B August 2013 – August 2015 UCC27518A-Q1 , UCC27519A-Q1
PRODUCTION DATA.
Refer to the PDF data sheet for device specific package drawings
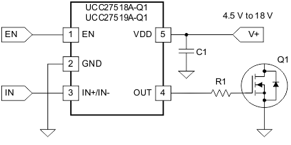
The UCC2751xA-Q1 single-channel high-speed low-side gate driver devices effectively drive MOSFET and IGBT power switches. With a design that inherently minimizes shoot-through current, the UCC2751xA-Q1 family of devices sources and sinks high, peak-current pulses into capacitive loads offering rail-to-rail drive capability and extremely small propagation delay typically 17 ns.
The UCC2751xA-Q1 family of devices provides 4-A source, 4-A sink (symmetrical drive) peak-drive current capability at VDD = 12 V.
The UCC2751xA-Q1 family of devices operates over a wide VDD range of 4.5 V to 18 V and wide temperature range of –40°C to 140°C. Internal undervoltage lockout (UVLO) circuitry on VDD pin holds output low outside VDD operating range. The ability to operate at low voltage levels such as below 5 V, along with best in class switching characteristics, is especially suited for driving emerging wide band-gap power switching devices such as GaN power-semiconductor devices.
The input pin threshold of the UCC2751xA-Q1 family of devices is based on CMOS logic where the threshold voltage is a function of the VDD supply voltage. Typically, the input high threshold (VIN–H) is 55% VDD and the input low threshold (VIN–L) is 39% VDD. Wide hysteresis (16% VDD typically) between the high and low thresholds offers excellent noise immunity and allows users to introduce delays using RC circuits between the input PWM signal and the INx pin of the device.
| PART NUMBER | PACKAGE | BODY SIZE (NOM) |
|---|---|---|
| UCC27518A-Q1 | SOT-23 (5) | 2.90 mm × 1.60 mm |
| UCC27519A-Q1 |
