SLAS724A September 2008 – November 2014 PCM3070
PRODUCTION DATA.
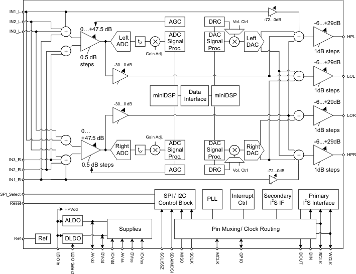
The PCM3070 is a flexible stereo audio codec with programmable inputs and outputs, fully-programmable miniDSP, fixed predefined and parameterizable signal processing blocks, integrated PLL, integrated LDOs and flexible digital interfaces.
| PART NUMBER | PACKAGE | BODY SIZE (NOM) |
|---|---|---|
| PCM3070 | VQFN (32) | 5.00 mm x 5.00 mm |
