SNLS491B July 2014 – February 2015 DS125BR820
PRODUCTION DATA.

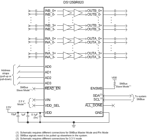
The DS125BR820 is an extremely low-power high-performance repeater/redriver designed to support eight channels carrying high speed interface up to 12.5 Gbps, such as 40G-CR4, 40G-KR4, SAS/SATA, and PCIe. The receiver's continuous time linear equalizer (CTLE) provides high frequency boost that is programmable from 3 to 10 dB at 6 GHz (12 Gbps) followed by a linear output driver. The CTLE receiver is capable of opening an input eye that is completely closed due to inter symbol interference (ISI) induced by interconnect medium such as board traces or twin axial-copper cables. The programmable equalization maximizes the flexibility of physical placement within the interconnect channel and improves overall channel performance.
When operating in 40G-CR4/KR4, SAS/SATA, and PCIe applications, the DS125BR820 preserves transmit signal characteristics, thereby allowing the host controller and the end point to negotiate transmit equalizer coefficients. This transparency in the link training protocol facilitates system level interoperability and minimizes latency.
The programmable settings can be applied easily via pin control, software (SMBus or I2C), or direct loading from an external EEPROM. In EEPROM mode, the configuration information is automatically loaded on power up, thereby eliminating the need for an external microprocessor or software driver.
| PART NUMBER | PACKAGE | BODY SIZE (NOM) |
|---|---|---|
| DS125BR820 | WQFN (54) | 10 mm × 5.5 mm |
